Вернуться на главную
Старый 09.01.2013, 22:21   #1
dg972
Член клуба
Член клуба
 
Аватар для dg972
 
Имя: Дмитрий
Регистрация: 23.12.2012
Адрес: Москва
Авто: Privilege 4x4 2.0 МКП6. Чип АДАКТ. Коричневый орехх. 2012 гр.
Сообщений: 17,178
dg972 dg972 dg972 dg972 dg972 dg972 dg972 dg972 dg972 dg972 dg972
По умолчанию dg972 / Privilege 2.0 4x4 / Крепкий орешек.

FAQ


goto newpost


__________________________________________________ __________
.......................Оглавление БЖ.

Электрика
Нажмите здесь, чтобы увидеть весь текст
  1. Простая и быстрая переделка ПТФ в ДХО тут.
  2. Датчик уровня бачка омывателя.
  3. Светодиоды в приборке и ее питание для запуска теста.
  4. ЭСП без ключа зажигания.
  5. Блинкователь для стоп-сигналов.
  6. Освещение салона, начало - тут.
  7. Плафон освещения салона тройной.
  8. Плафон в задней двери - тут и тут.
  9. Дополнительное освещение салона.
  10. Фары. Типы ламп.
  11. Подсветка кнопок подогрева сидений.
  12. Датчик дождя и света Quantoom RLS-01 Начало.
  13. Датчик дождя и света Quantoom RLS-01 Продолжение.
  14. Датчик дождя и света Quantoom RLS-01 Окончание.
  15. Датчик дождя и света Quantoom RLS-01 Отзыв.
  16. Реле регулятор паузы стеклоочистителя 722.3777-01 тут и тут.
  17. Реле регуляторы паузы стеклоочистителей 722.3777-01 переднего и заднего дворников.
  18. Автофишки с Украины - тут.
  19. Дополнительные розетки.
  20. Немного про ТЭНы.
  21. Штатная аудиосистема и теги по-русски. Глюк тут.
  22. Батарейка для ключа ЦЗ.
  23. Дверь багажника с отдельной кнопки брелка.
  24. Пересвет кнопок ЭСП в белый.
  25. Освещение салона. Алгоритм работы.
  26. Камера заднего вида.
  27. Камера заднего вида. Отзыв.
  28. Дополнительная розетка прикуривателя для задних пассажиров и багажника.
  29. Ток покоя моего автомобиля.
  30. Напряжение на АКБ под нагрузкой на холостых
  31. Напряжение на АКБ. Новый замер.
  32. Камера заднего вида в подсветке номера. Покупка.
  33. Камера заднего вида в подсветке номера. Установка, Первые впечатления.
  34. Косяк камеры заднего вида.
  35. Контроллер стекоочистителей.
  36. ДХО без блока управления.
  37. Контроллер "перегоревшей лампы СС".
  38. Адаптер питания регистратора.
  39. ДХО в указателях поворота.
  40. Установка радиоантенны.
  41. Фара заднего хода.
  42. АКБ: уровень электролита.
  43. Вольтметр и мафон без ключа зажигания
  44. Термометр наружного воздуха.
  45. Ток подогревателя сидений.
  46. Доводчик стекол

__________________________________________________ __________

Доработки.


Эксплуатация.

Нажмите здесь, чтобы увидеть весь текст
  1. Летние шины и "покатушки" - тут.
  2. Зимние колеса.
  3. ТЭНы в печке.
  4. Масло в трансмиссии.
  5. Погнул ребро на пороге.
  6. Мойка рядом с домом. (((
  7. Передние тормозные колодки.
  8. Привет от Авантайма (колесные болты).
  9. Фильтр Тонкой Очистки салона (кондея).
  10. Про ЛЮЧОК бензобака и КОВРИК водительский.
  11. ТО-1 в Major Renault
  12. Свечи зажигания.
  13. 10000 км.
  14. Расход 95-го и ВОЗДУШНЫЙ ФТО.
  15. Понемногу обо всем - тут.
  16. Полный привод - система ЕТС.
  17. Когда "рулит" передний привод.
  18. Дастеру год.
  19. Запотевание крышки ГБЦ.
  20. Рейлинги.
  21. Гибридные щетки DENSO.
  22. Глючит насос омывателя.
  23. 15000 и ЧИП-ТЮНИНГ.
  24. 15000 и отчет.
  25. ЧИП-ТЮНИНГ от ADACT. Отзыв.
  26. Звук мотора 2.0 на холостых оборотах.
  27. Потек задний правый амортизатор.
  28. Пробег 16,800. 29 марта 14. Переобулся
  29. Центральный замок. Глюк.
  30. Гарантийный случай.
  31. ТО-2 в Major Renault.
  32. Гарантийный случай. Эпопея, часть 2.
    Гарантийный случай. Эпопея, часть 3.
    Гарантийный случай. Эпопея, часть 4.
  33. Страховка.
  34. Тип ЭБУ двигателем на моей машине.
  35. Масла в трансмиссии. Пробег 20200 26.06.14.
  36. Течь конденсата в салон. Пробег 23500.
  37. Регулировка фар.
  38. Скрип в "руле". Пробег 23500.
  39. Неделя в городе.
  40. Вторая неделя в городе.
  41. Третья неделя в городе. (расход петрольки)
  42. Четвертая неделя в городе.
  43. Сверчки.
  44. ТО - 2,5 в Логан Гараже.
  45. Звук мотора 2,0. Три съёмки вместе.
    Запотевание крышки ГБЦ.
  46. Месяц в городе.
  47. Пришла зима, третья зима для моего Дастера.
  48. Незамерзайка М-10.
  49. Второй месяц в городе.
  50. Расхоники для ТО-3.
  51. Глюк ЦЗ.
  52. Щетки СТОЧ RainBlade
  53. Пробег 30000.
    -
  54. Трещины ЛКП на швах водостока.
  55. Пробег 31000. ТО-3 и посещение Петровского ОД.
  56. Пробег 32000. ГУР.
  57. Обработка кузова полиролью.
  58. Пробег 35500. Замена воздушного ФТО.
  59. Пробег 35500. Замена ФТО кондиционера (салона).
  60. Пробег 36100. Переобулся на зиму.
  61. Передние тормоза. Пробег 36100.
  62. Щетки СТОЧ SPARCO.
  63. Пробег 41200. Переобулся на лето.
  64. Пробег 41500. 1/2 ТО-4
  65. Пробег 47500. ТО-4 продолжение. Замена ремня ГРМ.
  66. Приподнял педаль газа
  67. Пружины ФОБОС
  68. Осциллограф на муфте
  69. Пробег 48500. Замена ФТО мотора и салона.
  70. DF001 DF085, лампа системы снижения токсичности, сигнальная лампа неисправности, электронных систем и датчик ТОЖ.
  71. Пробег 50000.
  72. Пробег 50500. Замена масла.
  73. Пробег 51000, 4,5 года. Осмотр АКБ.
  74. Зима -24°С. Пробег 53700.
  75. Глюк указателя топлива.
  76. СВЕРЧКИ, дребезги и другие посторнние шумы.
  77. Переобулся на лето. 55200
  78. Замена передних тормозных колодок. 55200
  79. Стук в подвеске задних колес.55200
  80. Пробег 55555
  81. Пробег 57700. Замена свечей DENSO IK-20
  82. Белёсые подтеки на дверях.
  83. Пробег 58800. Замена масла.
  84. Пробег 59500. Замена фильтров и проставки в пружины.
  85. Пробег 60 000.
  86. Пробег 60800 и 5,3 года. Замена АКБ.
  87. Пробег 61000. Стук в передней подвеске
  88. Пробег 62000 зеркала, упоры, щетки и др.
  89. Пробег 63500.
  90. Пробег 64100. Ремонт Ходовой.
  91. Пробег 70200 Замена втулок переднего стабилизатора.
  92. Пробег 71000 Выхлопная труба и замена ДД ГУР.
  93. Пробег 72300 Переобулся на лето. Замена тормозных дисков и колодок
  94. Пробег 73100. Термостат. Замена.
  95. Пробег 76000. Замена масла в моторе.
  96. Пробег 81000. Замена масла в МКПП и раздатке.
  97. По умолчанию Комплект галогенных ламп MTF Light H7 12V 55W AURUM 3000K и Поляризованные очки.
  98. Пробег почти 83000. Переобулся на лето в Комфорсеры
  99. Пробег 84000. Замена свечей и колпачков.
  100. Замена основания штатной антенны.
  101. Пробег 88300. Замена воздушного фильтра.



__________________________________________________ __________
Разное.


ТТХ Дастера. Попробую тут собрать цифры, относящиеся к нашим машинам.

Шины Диски.
Заправочные жидкости.
Книга Renault Duster


Полезные ссылки.

Асферические зеркала с подогревом Ergon 76141000 Ergon 76141006

Кардан на ШРУСах


123456789Полезные ссылки.

Техобслуживание.
Он-лайн журнал RENAULT-DRIVE
Интересный сайт "Автосекрет"
  1. Каталог запчастей. HSMJ
  2. Очень много полезного от МЕДВЕЖа.
  3. Автоэлектроника от ЭНЕРГОМАШ.
  4. Светодиоды приборного щитка. Skipper-Влад
  5. Пересвет, или замена светодиодов в приборном щитке тут и тут от Skipper-Влад
  6. Подсветка кнопок ЭСП от SHultz
  7. Щетка заднего стеклоочистителя 350 мм. № 7701047871. Бурый медведь (Bear)
  8. Тормоза заднего моста. Респект Володе ХОЧУ за фото.
  9. Тормозные колодки передние.
  10. Веерные форсунки омывателя.
  11. Самостоятельное изготовление печатных плат. Skipper-Влад
  12. Блинкователь для стоп-сигналов от NSZ-550.
  13. Уплотнитель стекол дверей наружный, нижний, код запчасти.
  14. Подключение электропроводки фаркопа (схемы).
  15. Печка
  16. Освещение салона от Альберта
  17. Замена воздушного фильтра тут и тут от More.
  18. Накладки порогов декоративные.
  19. Тестовый режим приборной панели Skipper-Влад
  20. ТО-1 машины Skipper-Влад
  21. ТО -2 машины Кубика
  22. Жиклер омывателя Renault нового образца (три отверстия) оригинал (289321198R).
  23. Проклейка задней двери тут, тут и тут.
  24. Колесный калькулятор.
  25. ТТХ движков Дастера.
  26. Шашлык из свинины
  27. Глинтвейн по Масловски.
  28. Масло в ГУР.
  29. Задний редуктор/муфта фото.
  30. Принцип действия сцепной фрикционной многодисковой муфты с электромагнитным приводом.
  31. Колеса R15 zigzag
    ШТРАФЫ с 01.09.13.
  32. Деревянный пол в багажник 4х4 от NSZ-550
  33. Расположение предохранителей и реле
  34. DDT2000 Указатель поворота.
  35. Цитата:
    Сообщение от madmaxxx73 Посмотреть сообщение
    ТО-3 своими силами
  36. Клеммы Лира.
  37. Бортовик madmaxxx73. Много полезной инфы.
  38. Тормозные колодки More.
  39. Перестала работать КЗВ
  40. "Гарант" на руль.
  41. Пепельница с подсветкой.
__________________
"во время войны нельзя говорить плохо о своих, НИКОГДА" ©

Кто понял жизнь тот больше не спешит,
смакует каждый миг и наблюдает.

Мой бортовой журнал. Новое сообщение.
....

Последний раз редактировалось dg972; 24.11.2022 в 09:39.
dg972 вне форума   Вверх Ответить с цитированием
Это может быть интересно
Старый 21.08.2016, 00:07   #2021
dg972
Член клуба
Член клуба
 
Аватар для dg972
 
Имя: Дмитрий
Регистрация: 23.12.2012
Адрес: Москва
Авто: Privilege 4x4 2.0 МКП6. Чип АДАКТ. Коричневый орехх. 2012 гр.
Сообщений: 17,178
dg972 dg972 dg972 dg972 dg972 dg972 dg972 dg972 dg972 dg972 dg972
По умолчанию

Цитата:
Сообщение от andrey_ Посмотреть сообщение
А старую выкинул?
Поставил на место. Но уже готов выкинуть это убожество.

Цитата:
Сообщение от Hunter73 Посмотреть сообщение
Но расход ведь вырос.
Кхм. Не заметил, но должен вырасти!
__________________
"во время войны нельзя говорить плохо о своих, НИКОГДА" ©

Кто понял жизнь тот больше не спешит,
смакует каждый миг и наблюдает.

Мой бортовой журнал. Новое сообщение.
....
dg972 вне форума   Вверх Ответить с цитированием
Это может быть интересно
Старый 21.08.2016, 00:19   #2022
More
Супер-модератор
Член клуба
 
Аватар для More
 
Имя: Андрей
Регистрация: 14.12.2012
Адрес: В дебрях Смоленщины
Авто: НИВА Travel '22 "Барышня крестьянка" & ВАЗ-21061 '94 "Шура"
Сообщений: 33,268
More More More More More More More More More More More
По умолчанию

А я с самого начала вообще без полки езжу. Бгг...)))
__________________
За базаром не следит, говорит не правильно, шатает скрепы.(с)
Знание русского языка это не возможность, а привилегия.(с)
More вне форума   Вверх Ответить с цитированием
Старый 21.08.2016, 00:44   #2023
dg972
Член клуба
Член клуба
 
Аватар для dg972
 
Имя: Дмитрий
Регистрация: 23.12.2012
Адрес: Москва
Авто: Privilege 4x4 2.0 МКП6. Чип АДАКТ. Коричневый орехх. 2012 гр.
Сообщений: 17,178
dg972 dg972 dg972 dg972 dg972 dg972 dg972 dg972 dg972 dg972 dg972
По умолчанию

Цитата:
Сообщение от More Посмотреть сообщение
Бгг...
У тебя условия эксплуатации другие.
__________________
"во время войны нельзя говорить плохо о своих, НИКОГДА" ©

Кто понял жизнь тот больше не спешит,
смакует каждый миг и наблюдает.

Мой бортовой журнал. Новое сообщение.
....
dg972 вне форума   Вверх Ответить с цитированием
Старый 25.08.2016, 00:21   #2024
dg972
Член клуба
Член клуба
 
Аватар для dg972
 
Имя: Дмитрий
Регистрация: 23.12.2012
Адрес: Москва
Авто: Privilege 4x4 2.0 МКП6. Чип АДАКТ. Коричневый орехх. 2012 гр.
Сообщений: 17,178
dg972 dg972 dg972 dg972 dg972 dg972 dg972 dg972 dg972 dg972 dg972
По умолчанию Замена ремня и натяжного ролика ГРМ. Пробег 47500

Пробег 47500

В Логан-Гараже пройдено а-ля ТО-60.
Поменяли только ремень и натяжной ролик привода ГРМ. Ремень в отличном состоянии, ему ходить и ходить. Нет ни только микротрещин, но и малейших намеков на износ. Ролик так же не имеет ни люфтов, ни гула при вращении. Снятый комплект ни чем не отличался от нового.







Новый комплект, установленный на машину:



Вот смысл менять комплект через 4 года эксплуатации при пробеге менее 60000 км?
Я больше через 4 года не поеду менять ремешок ГРМ, я поеду когда пробег будет в районе 60ткм... Прямо - таки развод со стороны рено...

Ремень и ролики доп. оборудования менять не стали по той же причине. Со слов механика Андрея, видимого износа нет. Поменяем когда появиться свист или визуально появиться износ на ремне.

Пробег по маслу в моторе на сегодняшний день - 6000 км.
Фильтра и свечи пора бы уже, но фильтра подождем еще месяцок и поменяем самостоятельно, а свечи прошли 21 тыс и походят еще зиму... Зачем их менять, если они работают нормально? В крайнем случае, зима покажет на что способны иридиевые Denso.

После замены ремня, работа мотора ни как не изменилась. Характерный звук F4R так и остался. Остался и вой, который отчетливо слышен при 900 об. мин. Эти звуки слышны на подавляющем большинстве моторов, на форуме, по этому поводу, есть темы.

******

Были замены пружины подвески задних колес. Машина у меня была просевшая изначально.
http://duster-clubs.ru/forum/showthread.php?t=3661
http://duster-clubs.ru/forum/showthr...6961#post86961
http://duster-clubs.ru/forum/showpos...&postcount=961
Были установлены пружины фирмы ФОБОС по наводке друга.



Задок ощутимо поднялся. Не знаю, возникнут ли проблемы с головным светом, но поведение машины никак не изменилось. Возможно, авто станет более валким при динамичной езде по трассе, но в городе я не заметил ни какой разницы. Я даже не сказал бы, что машина стала жестче.

Спасибо за работу ребятам из Логан-Гаража!

ps Я никого не призываю отступать от регламента и изменять интервалы проведения ТО, замены ремней и т.д.
Миниатюры
Нажмите на изображение для увеличения
Название: 20160823_083916.jpg
Просмотров: 1299
Размер:	75.7 Кб
ID:	64932   Нажмите на изображение для увеличения
Название: 20160823_091136.jpg
Просмотров: 1305
Размер:	86.9 Кб
ID:	64933   Нажмите на изображение для увеличения
Название: 20160823_093636.jpg
Просмотров: 3919
Размер:	84.6 Кб
ID:	64934   Нажмите на изображение для увеличения
Название: 20160823_093851.jpg
Просмотров: 2234
Размер:	62.6 Кб
ID:	64935   Нажмите на изображение для увеличения
Название: 20160823_093906.jpg
Просмотров: 2171
Размер:	87.0 Кб
ID:	64936  

Нажмите на изображение для увеличения
Название: 20160823_100039.jpg
Просмотров: 2203
Размер:	98.4 Кб
ID:	64937   Нажмите на изображение для увеличения
Название: 20160823_135939.jpg
Просмотров: 2163
Размер:	108.1 Кб
ID:	64938  
__________________
"во время войны нельзя говорить плохо о своих, НИКОГДА" ©

Кто понял жизнь тот больше не спешит,
смакует каждый миг и наблюдает.

Мой бортовой журнал. Новое сообщение.
....
dg972 вне форума   Вверх Ответить с цитированием
12 пользователя(ей) сказали cпасибо:
Старый 25.08.2016, 00:28   #2025
dg972
Член клуба
Член клуба
 
Аватар для dg972
 
Имя: Дмитрий
Регистрация: 23.12.2012
Адрес: Москва
Авто: Privilege 4x4 2.0 МКП6. Чип АДАКТ. Коричневый орехх. 2012 гр.
Сообщений: 17,178
dg972 dg972 dg972 dg972 dg972 dg972 dg972 dg972 dg972 dg972 dg972
По умолчанию

Цитата:
Сообщение от dg972 Посмотреть сообщение
Рулонная полка приказала долго жить!
Приклеил. Вроде держится. Клеил тремя разными клеями. Клеить противно и не удобно. Барабан и материя испачканы клеем от скотча.
Разбирается полка на ура. Справа по ходу, снимется боковина вместе с барабаном. Боковина эта фиксируется только двумя защелками, ничего откручивать не надо.
__________________
"во время войны нельзя говорить плохо о своих, НИКОГДА" ©

Кто понял жизнь тот больше не спешит,
смакует каждый миг и наблюдает.

Мой бортовой журнал. Новое сообщение.
....
dg972 вне форума   Вверх Ответить с цитированием
2 пользователя(ей) сказали cпасибо:
Старый 01.09.2016, 21:55   #2026
dg972
Член клуба
Член клуба
 
Аватар для dg972
 
Имя: Дмитрий
Регистрация: 23.12.2012
Адрес: Москва
Авто: Privilege 4x4 2.0 МКП6. Чип АДАКТ. Коричневый орехх. 2012 гр.
Сообщений: 17,178
dg972 dg972 dg972 dg972 dg972 dg972 dg972 dg972 dg972 dg972 dg972
По умолчанию

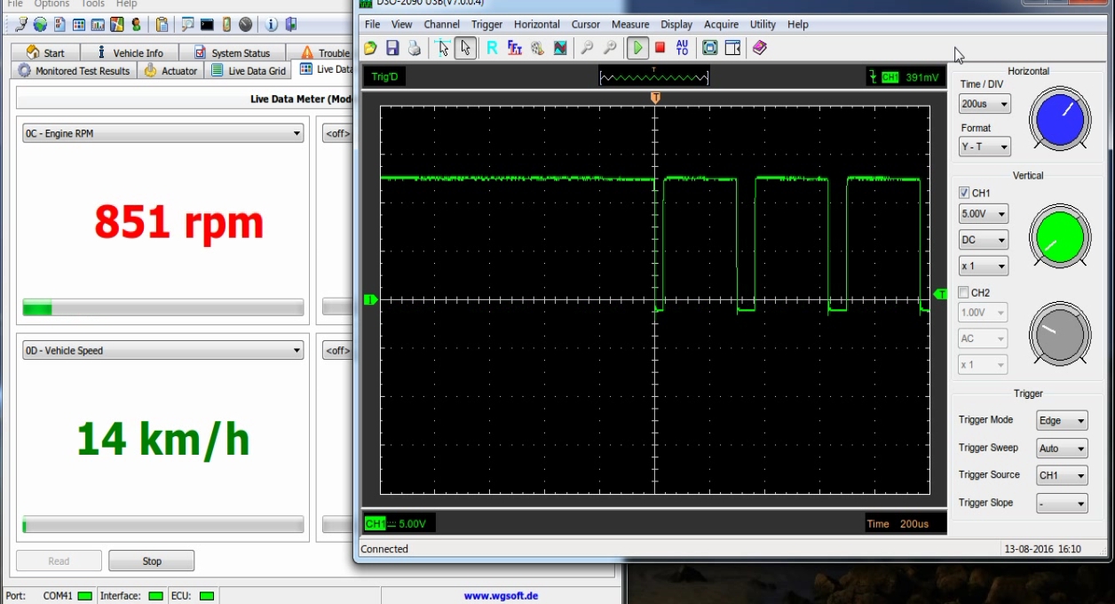
И так, мы знаем, что муфта управляется ШИМ по двум проводам. До проводов можно добраться подняв диван заднего сидения и распотрошив жгут, идущий в резиновую. заглушку над бензобаком. Подключив осциллограф к оранжевому и серому проводам получаем картинку. Тут надо отметить, что управление идет по обратному проводу, поэтому делаем переполюсовку, что бы импульсы имели привычный вид.

В качестве осциллографа использовалась USB приставка DSO-2090 USB, подключалась она к ноуту ASUS 52-ой серии, блютуз OBD II сканер и соответствующее по: ScanMaster, ПО для осциллографа и программа записи видео с экрана. Был задействован резервный источник питания.
Тут надо отметить, что из-за того, что управление электромагнитом муфты идет по обратному проводу, ноут подключить к бортовой сети машины, не представлялось возможным.
На экране ноута мы видим импульсы, управляющие электромагнитом муфты, скорость машины и обороты двигателя.
Чем больше длительность (верхняя часть) импульса, тем больше эффективное напряжение, прикладываемое к электромагниту, тем больше сжимаются между собой диски муфты.

Режим LOCK на стоячем авто.
При отпускании педали газа импульсы пропадают - муфта деблокируется. Как только обороты падают и становятся равны примерно 800 об/мин, импульсы снова появляются и диски жимаются. Длительность импульса - 80 мкс. эффективное напряжение - 7,28 В, частота следования импульсов - 3,03 кГц.



При движении по асфальту:
LOCK до 80 км/ч
При разгоне длительность импульсов увеличивается до 200мкс, в этот момент к муфте прикладывается напряжение равное амплитудному, т.е. муфта заблокирована максимально. При приближение скорости к 50 км/ч длительность уменьшается, а после вообще пропадают, лишь кратковременно появляются в районе 60. Индикатор LOCK на приборке - горит! Всякий раз, при отпускании педали газа, муфта отключается полностью. Нет импульсов и при движении на нейтрале и при торможении мотором, НО! При падении скорости ниже 10 км/ч импульсы появляются и машина тормозить мотором всеми четырьмя.






LOCK свыше 80км/ч
Разгон происходит по выше описанному сценарию. На 80 км/ч гаснет индикатор LOCK и ничего не происходит. А вот при торможении на скорости ниже 10 км/ч импульсы не появляются, потому что мы уже в режиме AUTO.



LOCK на спуске.
При трогании с места плавно, на скорости свыше 7 км/ч, импульсы пропадают - муфта отключается. При отпускании педали газа - появляются и автомобиль тормозит мотором всеми четырьмя колесами. При нажатии на педали тормоза и сцепления импульсы остаются. Длительность импульса - 100 мкс.




AUTO на асфальте.
во время разгона появляются импульсы длительностью до 80мкс. задок помогает разогнать машину до 40км/ч, а после не включается.




2WD на асфальте.
При трогании с места импульсов нет. Нет их и на протяжении всего цикла разгона. Но стоит сбросить скорость тормозя мотором, а затем нажать на газ, так сразу появляются импульсы длительностью до 80 мкс. (Как в режиме AUTO)
На сухом асфальте муфта не подключается на скорости свыше 40 км/ч.




C асфальта съезжаем на грунтовку и поле.
Резкий старт на траве в AUTO. Длительность импульсов приближается к режиму LOCK и, даже, в какой-то момент импульсы пропадают и к муфте прикладывается постоянное напряжение.




Резкий старт с пробуксовкой на траве в 2WD. Я не буду выкладывать видео, потому как нет не единого импульса. Гребет чисто передок. А вот если ехать не спеша примерно с одной скоростью импульсы присутствуют, так же как и в AUTO.




Ниже видео всех трех режимов. Можно лишь с уверенностью сказать где LOCK, а остальные два режим отличить друг от друга не возможно.




Изначально, по плану было желание сделать шесть видео: по три режима на асфальте и в диагоналке. С асфальтом было все относительно просто. Находим участок дороги с низким трафиком и проводим эксперименты. А вот с диагоналкой были сложности. В поисках подходящего места, я проехал практически всю "Домодедовскую Глиссаду" и только под конец нашел нужное место. К этому времени я уже посадил пауэр бокс и АКБ ноута, практически, в ноль. Поэтому диагоналку я записал одним роликом и без соединения с OBD сканером.
Ничего нового. В 2WD муфта вообше не работает, AUTO как AUTO, импульсы появляются после трогания с места и их длительность составляет до 100 мкс. В LOCK - сразу и длительность до 280 мкс.



Какие выводы напрашиваются?
Первое. Очень сильно будут разочарованы те дастероводы, которые считают, что повернув переключатель в LOCK они получают строгое распределение крутящего момента 50х50. Нет, полный привод подключается блоком ETC по требованию. Зачем нужно это 50х50 на асфальте? Пакет дисков в муфте постоянно сжимается и разжимается словно гармонь в руках гармониста, в зависимости от частоты вращения каждого колеса, положения педали газа и скорости движения машины.
Второе. 2WD не чисто передний привод. При определенных условиях на задний мост подается момент для стабилизации траектории движения... Наверное... а зачем еще при спокойной езде подключать задок?

Складывается впечатление, что все три режима это разновидности AUTO.

Кстати про бездорожье: ждем распутицу и в поля с осциллографом - смотреть работу LOCK и 2WD. А зимой было бы не плохо покататься по скользкой дороге, а лучше по ВПП какого-нибудь аэродрома. Уж больно не хочется, гладя в монитор уйти в кювет.



Цитата:
Сообщение от Ky6uk Посмотреть сообщение
Я знаю как работает трансмиссия на Дастере.

режим АВТО

На стенде зеленые SPEED 1 и SPEED2 , это передняя ось и задняя. Скорость отдельно замеряет по осям. И видно , что после 80 км./ч машина становится просто переднеприводная. В каком бы режиме она не ехала. Муфта отключает подачу на задние колеса.
То есть даже при отсутствии сцепления задних колес с грунтом, задок отключиться после 80 км/ч. Задняя ось вращается за счет того, что ведущие диски "ведут" ведомые. Образно говоря есть некий преднатяг в муфте.


ЧЕРНОВИЧЕК!
Миниатюры
Нажмите на изображение для увеличения
Название: авто на траве резко[(000157)2016-09-01-22-28-12].JPG
Просмотров: 1179
Размер:	378.8 Кб
ID:	65440   Нажмите на изображение для увеличения
Название: 20160813_163831.jpg
Просмотров: 1180
Размер:	342.5 Кб
ID:	65441  
__________________
"во время войны нельзя говорить плохо о своих, НИКОГДА" ©

Кто понял жизнь тот больше не спешит,
смакует каждый миг и наблюдает.

Мой бортовой журнал. Новое сообщение.
....
dg972 вне форума   Вверх Ответить с цитированием
Старый 01.09.2016, 21:55   #2027
dg972
Член клуба
Член клуба
 
Аватар для dg972
 
Имя: Дмитрий
Регистрация: 23.12.2012
Адрес: Москва
Авто: Privilege 4x4 2.0 МКП6. Чип АДАКТ. Коричневый орехх. 2012 гр.
Сообщений: 17,178
dg972 dg972 dg972 dg972 dg972 dg972 dg972 dg972 dg972 dg972 dg972
По умолчанию

И так, мы знаем, что муфта управляется ШИМ по двум проводам. До проводов можно добраться подняв диван заднего сидения и распотрошив жгут, идущий в резиновую. заглушку над бензобаком. Подключив осциллограф к оранжевому и серому проводам получаем картинку. Тут надо отметить, что управление идет по обратному проводу, поэтому делаем переполюсовку, что бы импульсы имели привычный вид.

В качестве осциллографа использовалась USB приставка DSO-2090 USB, подключалась она к ноуту ASUS 52-ой серии, блютуз OBD II сканер и соответствующее по: ScanMaster, ПО для осциллографа и программа записи видео с экрана. Был задействован резервный источник питания.
Тут надо отметить, что из-за того, что управление электромагнитом муфты идет по обратному проводу, ноут подключить к бортовой сети машины, не представлялось возможным.
На экране ноута мы видим импульсы, управляющие электромагнитом муфты, скорость машины и обороты двигателя.
Чем больше длительность (верхняя часть) импульса, тем больше эффективное напряжение, прикладываемое к электромагниту, тем больше сжимаются между собой диски муфты.

Режим LOCK на стоячем авто.
При отпускании педали газа импульсы пропадают - муфта деблокируется. Как только обороты падают и становятся равны примерно 800 об/мин, импульсы снова появляются и диски жимаются. Длительность импульса - 80 мкс. эффективное напряжение - 7,28 В, частота следования импульсов - 3,03 кГц.



При движении по асфальту:
LOCK до 80 км/ч
При разгоне длительность импульсов увеличивается до 200мкс, в этот момент к муфте прикладывается напряжение равное амплитудному, т.е. муфта заблокирована максимально. При приближение скорости к 50 км/ч длительность уменьшается, а после вообще пропадают, лишь кратковременно появляются в районе 60. Индикатор LOCK на приборке - горит! Всякий раз, при отпускании педали газа, муфта отключается полностью. Нет импульсов и при движении на нейтрале и при торможении мотором, НО! При падении скорости ниже 10 км/ч импульсы появляются и машина тормозить мотором всеми четырьмя.






LOCK свыше 80км/ч
Разгон происходит по выше описанному сценарию. На 80 км/ч гаснет индикатор LOCK и ничего не происходит. А вот при торможении на скорости ниже 10 км/ч импульсы не появляются, потому что мы уже в режиме AUTO.



LOCK на спуске.
При трогании с места плавно, на скорости свыше 7 км/ч, импульсы пропадают - муфта отключается. При отпускании педали газа - появляются и автомобиль тормозит мотором всеми четырьмя колесами. При нажатии на педали тормоза и сцепления импульсы остаются. Длительность импульса - 100 мкс.




AUTO на асфальте.
во время разгона появляются импульсы длительностью до 80мкс. задок помогает разогнать машину до 40км/ч, а после не включается.




2WD на асфальте.
При трогании с места импульсов нет. Нет их и на протяжении всего цикла разгона. Но стоит сбросить скорость тормозя мотором, а затем нажать на газ, так сразу появляются импульсы длительностью до 80 мкс. (Как в режиме AUTO)
На сухом асфальте муфта не подключается на скорости свыше 40 км/ч.




C асфальта съезжаем на грунтовку и поле.
Резкий старт на траве в AUTO. Длительность импульсов приближается к режиму LOCK и, даже, в какой-то момент импульсы пропадают и к муфте прикладывается постоянное напряжение.




Резкий старт с пробуксовкой на траве в 2WD. Я не буду выкладывать видео, потому как нет не единого импульса. Гребет чисто передок. А вот если ехать не спеша примерно с одной скоростью импульсы присутствуют, так же как и в AUTO.




Ниже видео всех трех режимов. Можно лишь с уверенностью сказать где LOCK, а остальные два режим отличить друг от друга не возможно.




Изначально, по плану было желание сделать шесть видео: по три режима на асфальте и в диагоналке. С асфальтом было все относительно просто. Находим участок дороги с низким трафиком и проводим эксперименты. А вот с диагоналкой были сложности. В поисках подходящего места, я проехал практически всю "Домодедовскую Глиссаду" и только под конец нашел нужное место. К этому времени я уже посадил пауэр бокс и АКБ ноута, практически, в ноль. Поэтому диагоналку я записал одним роликом и без соединения с OBD сканером.
Ничего нового. В 2WD муфта вообше не работает, AUTO как AUTO, импульсы появляются после трогания с места и их длительность составляет до 100 мкс. В LOCK - сразу и длительность до 280 мкс.



Какие выводы напрашиваются?
Первое. Очень сильно будут разочарованы те дастероводы, которые считают, что повернув переключатель в LOCK они получают строгое распределение крутящего момента 50х50. Нет, полный привод подключается блоком ETC по требованию. Зачем нужно это 50х50 на асфальте? Пакет дисков в муфте постоянно сжимается и разжимается словно гармонь в руках гармониста, в зависимости от частоты вращения каждого колеса, положения педали газа и скорости движения машины.
Второе. 2WD не чисто передний привод. При определенных условиях на задний мост подается момент для стабилизации траектории движения... Наверное... а зачем еще при спокойной езде подключать задок?

Складывается впечатление, что все три режима это разновидности AUTO.

Кстати про бездорожье: ждем распутицу и в поля с осциллографом - смотреть работу LOCK и 2WD. А зимой было бы не плохо покататься по скользкой дороге, а лучше по ВПП какого-нибудь аэродрома. Уж больно не хочется, гладя в монитор уйти в кювет.



Цитата:
Сообщение от Ky6uk Посмотреть сообщение
Я знаю как работает трансмиссия на Дастере.

режим АВТО

На стенде зеленые SPEED 1 и SPEED2 , это передняя ось и задняя. Скорость отдельно замеряет по осям. И видно , что после 80 км./ч машина становится просто переднеприводная. В каком бы режиме она не ехала. Муфта отключает подачу на задние колеса.
То есть даже при отсутствии сцепления задних колес с грунтом, задок отключиться после 80 км/ч. Задняя ось вращается за счет того, что ведущие диски "ведут" ведомые. Образно говоря есть некий преднатяг в муфте.


ЧЕРНОВИЧЕК!
Миниатюры
Нажмите на изображение для увеличения
Название: авто на траве резко[(000157)2016-09-01-22-28-12].JPG
Просмотров: 1154
Размер:	378.8 Кб
ID:	65438   Нажмите на изображение для увеличения
Название: 20160813_163831.jpg
Просмотров: 1146
Размер:	342.5 Кб
ID:	65439  
__________________
"во время войны нельзя говорить плохо о своих, НИКОГДА" ©

Кто понял жизнь тот больше не спешит,
смакует каждый миг и наблюдает.

Мой бортовой журнал. Новое сообщение.
....
dg972 вне форума   Вверх Ответить с цитированием
Старый 03.09.2016, 22:16   #2028
dg972
Член клуба
Член клуба
 
Аватар для dg972
 
Имя: Дмитрий
Регистрация: 23.12.2012
Адрес: Москва
Авто: Privilege 4x4 2.0 МКП6. Чип АДАКТ. Коричневый орехх. 2012 гр.
Сообщений: 17,178
dg972 dg972 dg972 dg972 dg972 dg972 dg972 dg972 dg972 dg972 dg972
По умолчанию Пружины Фобос

Пробег 47800.

Все началось очень давно, практически после покупки авто. Задок был просевшим изначально.




После этого были Жигулевские проставки.




Потом были "Автобаффферы"




Пружины фобос.



Пружины прошли не многим более 500 км и по времени они стоят недели три.

Разницы в поведении машины нет, но есть желание вкорячит проставки...

Пружины были установлены 20 августа 2016 в Логан Гараже.
__________________
Миниатюры
Нажмите на изображение для увеличения
Название: 20160902_161759.jpg
Просмотров: 1977
Размер:	143.8 Кб
ID:	65355  
__________________
"во время войны нельзя говорить плохо о своих, НИКОГДА" ©

Кто понял жизнь тот больше не спешит,
смакует каждый миг и наблюдает.

Мой бортовой журнал. Новое сообщение.
....

Последний раз редактировалось dg972; 08.09.2016 в 10:00.
dg972 вне форума   Вверх Ответить с цитированием
4 пользователя(ей) сказали cпасибо:
Старый 03.09.2016, 23:24   #2029
Подводник
Член клуба
Член клуба
 
Аватар для Подводник
 
Имя: Артем
Регистрация: 01.11.2013
Адрес: Севастополь/Москва
Авто: Privilege 2.0 4x4+ESP
Сообщений: 8,683
Подводник Подводник Подводник Подводник Подводник Подводник Подводник Подводник Подводник Подводник Подводник
По умолчанию

Цитата:
Сообщение от dg972 Посмотреть сообщение
Разницы в поведении машины нет, но есть желание вкорячит проставки...
Я не понимаю... Наверное надо было на стоке поездить недельку, а затем ставить пружины фобос, там же автобаферы стояли.
У меня желания еще задирать нет.
Давай еще 1000км, а потом мнение.
Я правда еще и амортизаторы сменил по кругу... Может по этому как-то я по другому себя ощущаю.
(Я писал, что зад был мертвый по амортизаторам, перед подавал маленькие признаки жизни но один истекал-кровью масляной... В общем 3 текли, а не просто потели).
Замеры мои, у меня в бортовике, только я не от обода мерил, а от центра колеса. Замерю от обода ради интереса завтра...

Последний раз редактировалось Подводник; 03.09.2016 в 23:31.
Подводник на форуме   Вверх Ответить с цитированием
2 пользователя(ей) сказали cпасибо:
Старый 04.09.2016, 21:13   #2030
dg972
Член клуба
Член клуба
 
Аватар для dg972
 
Имя: Дмитрий
Регистрация: 23.12.2012
Адрес: Москва
Авто: Privilege 4x4 2.0 МКП6. Чип АДАКТ. Коричневый орехх. 2012 гр.
Сообщений: 17,178
dg972 dg972 dg972 dg972 dg972 dg972 dg972 dg972 dg972 dg972 dg972
По умолчанию

Цитата:
Сообщение от Подводник Посмотреть сообщение
от центра колеса.
у меня рук не хватило от центра замерить.)))
__________________
"во время войны нельзя говорить плохо о своих, НИКОГДА" ©

Кто понял жизнь тот больше не спешит,
смакует каждый миг и наблюдает.

Мой бортовой журнал. Новое сообщение.
....
dg972 вне форума   Вверх Ответить с цитированием
Пользователь сказал cпасибо:
Старый 07.09.2016, 00:25   #2031
dg972
Член клуба
Член клуба
 
Аватар для dg972
 
Имя: Дмитрий
Регистрация: 23.12.2012
Адрес: Москва
Авто: Privilege 4x4 2.0 МКП6. Чип АДАКТ. Коричневый орехх. 2012 гр.
Сообщений: 17,178
dg972 dg972 dg972 dg972 dg972 dg972 dg972 dg972 dg972 dg972 dg972
По умолчанию

Цитата:
Сообщение от Подводник Посмотреть сообщение
Замерю от обода ради интереса завтра...
Ииииии???
__________________
"во время войны нельзя говорить плохо о своих, НИКОГДА" ©

Кто понял жизнь тот больше не спешит,
смакует каждый миг и наблюдает.

Мой бортовой журнал. Новое сообщение.
....
dg972 вне форума   Вверх Ответить с цитированием
Пользователь сказал cпасибо:
Старый 07.09.2016, 00:26   #2032
Подводник
Член клуба
Член клуба
 
Аватар для Подводник
 
Имя: Артем
Регистрация: 01.11.2013
Адрес: Севастополь/Москва
Авто: Privilege 2.0 4x4+ESP
Сообщений: 8,683
Подводник Подводник Подводник Подводник Подводник Подводник Подводник Подводник Подводник Подводник Подводник
По умолчанию

Цитата:
Сообщение от dg972 Посмотреть сообщение
Ииииии???
Найди тут ровную площадку... Никак не могу выставить автомобиль ровно. Завтра попробую на бетонную плиту заехать, рулетку в сумку положил.
Судя по моим фоткам в бортовике 21см... Может расширители арок как-то влияют. еще немного.
Вот фото переднего колеса

Зад у меня получался 47см от центра, соотевтсеннно 47-26см=21см.
Сейчас время уже много прошло, но завтра постараюсь замерить обязательно, а то нехорошо получилось, обещал же.

Последний раз редактировалось Подводник; 07.09.2016 в 00:40.
Подводник на форуме   Вверх Ответить с цитированием
Пользователь сказал cпасибо:
Старый 07.09.2016, 22:10   #2033
Подводник
Член клуба
Член клуба
 
Аватар для Подводник
 
Имя: Артем
Регистрация: 01.11.2013
Адрес: Севастополь/Москва
Авто: Privilege 2.0 4x4+ESP
Сообщений: 8,683
Подводник Подводник Подводник Подводник Подводник Подводник Подводник Подводник Подводник Подводник Подводник
По умолчанию

Как и обещал померил.
http://duster-clubs.ru/forum/showpos...2&postcount=99
получилось у меня 24-25см. Правда расширители у меня и они еще съедают 0.5см примерно. За полгода почти не просели (1см).
Подводник на форуме   Вверх Ответить с цитированием
3 пользователя(ей) сказали cпасибо:
Старый 08.09.2016, 10:03   #2034
dg972
Член клуба
Член клуба
 
Аватар для dg972
 
Имя: Дмитрий
Регистрация: 23.12.2012
Адрес: Москва
Авто: Privilege 4x4 2.0 МКП6. Чип АДАКТ. Коричневый орехх. 2012 гр.
Сообщений: 17,178
dg972 dg972 dg972 dg972 dg972 dg972 dg972 dg972 dg972 dg972 dg972
По умолчанию

Цитата:
Сообщение от Подводник Посмотреть сообщение
у меня 24-25см.
Ну и у меня столько же. Автобафферы... не выкидывать жы...

Цитата:
Сообщение от Подводник Посмотреть сообщение
За полгода почти не просели (1см).
Хреновая тенденция...
__________________
"во время войны нельзя говорить плохо о своих, НИКОГДА" ©

Кто понял жизнь тот больше не спешит,
смакует каждый миг и наблюдает.

Мой бортовой журнал. Новое сообщение.
....
dg972 вне форума   Вверх Ответить с цитированием
Старый 08.09.2016, 10:16   #2035
Подводник
Член клуба
Член клуба
 
Аватар для Подводник
 
Имя: Артем
Регистрация: 01.11.2013
Адрес: Севастополь/Москва
Авто: Privilege 2.0 4x4+ESP
Сообщений: 8,683
Подводник Подводник Подводник Подводник Подводник Подводник Подводник Подводник Подводник Подводник Подводник
По умолчанию

Цитата:
Сообщение от dg972 Посмотреть сообщение


Хреновая тенденция...
Не понял, это плохо или хорошо?
Подводник на форуме   Вверх Ответить с цитированием
Старый 08.09.2016, 11:10   #2036
dg972
Член клуба
Член клуба
 
Аватар для dg972
 
Имя: Дмитрий
Регистрация: 23.12.2012
Адрес: Москва
Авто: Privilege 4x4 2.0 МКП6. Чип АДАКТ. Коричневый орехх. 2012 гр.
Сообщений: 17,178
dg972 dg972 dg972 dg972 dg972 dg972 dg972 dg972 dg972 dg972 dg972
По умолчанию

Это так через три-четыре года опять пружины менять придется.
__________________
"во время войны нельзя говорить плохо о своих, НИКОГДА" ©

Кто понял жизнь тот больше не спешит,
смакует каждый миг и наблюдает.

Мой бортовой журнал. Новое сообщение.
....
dg972 вне форума   Вверх Ответить с цитированием
Пользователь сказал cпасибо:
Старый 08.09.2016, 11:34   #2037
Подводник
Член клуба
Член клуба
 
Аватар для Подводник
 
Имя: Артем
Регистрация: 01.11.2013
Адрес: Севастополь/Москва
Авто: Privilege 2.0 4x4+ESP
Сообщений: 8,683
Подводник Подводник Подводник Подводник Подводник Подводник Подводник Подводник Подводник Подводник Подводник
По умолчанию

Цитата:
Сообщение от dg972 Посмотреть сообщение
Это так через три-четыре года опять пружины менять придется.
Это как посмотреть...
1. У меня автомобиль может быть больше загружен, чем весной. Я же на этом акцентировал внимание.
2. 47см они были совсем без усадки, совсем новые, сейчас 45-46.
3. проехали они уже более 10000км. В том числе и груженая машина успела постоять, и диагонали половить успела. Даже в воздух пару раз взлетала с последующим приземлением.
______
Да за такую цену, даже если через год придется менять, я не расстроюсь.
Время покажет. Меня лично радует, что просели совсем немного.
Подводник на форуме   Вверх Ответить с цитированием
2 пользователя(ей) сказали cпасибо:
Старый 08.09.2016, 23:34   #2038
More
Супер-модератор
Член клуба
 
Аватар для More
 
Имя: Андрей
Регистрация: 14.12.2012
Адрес: В дебрях Смоленщины
Авто: НИВА Travel '22 "Барышня крестьянка" & ВАЗ-21061 '94 "Шура"
Сообщений: 33,268
More More More More More More More More More More More
По умолчанию

Цитата:
Сообщение от dg972 Посмотреть сообщение
Последнее время, катаясь по столичным дорогам и подмосковным магистралям, все больше и больше понимаю, что прав не только тот у кого тачка круче, но и у кого фа-фа громче... По совету друга был куплен комплект дудок в "Южном порту".
Фигнёй не занимайся. Надо радикально. )))

__________________
За базаром не следит, говорит не правильно, шатает скрепы.(с)
Знание русского языка это не возможность, а привилегия.(с)
More вне форума   Вверх Ответить с цитированием
Пользователь сказал cпасибо:
Старый 09.09.2016, 22:58   #2039
dg972
Член клуба
Член клуба
 
Аватар для dg972
 
Имя: Дмитрий
Регистрация: 23.12.2012
Адрес: Москва
Авто: Privilege 4x4 2.0 МКП6. Чип АДАКТ. Коричневый орехх. 2012 гр.
Сообщений: 17,178
dg972 dg972 dg972 dg972 dg972 dg972 dg972 dg972 dg972 dg972 dg972
По умолчанию Осциллограф на муфте

И так, мы знаем, что муфта управляется ШИМ по двум проводам. До проводов можно добраться подняв диван заднего сидения и распотрошив жгут, идущий в резиновую. заглушку над бензобаком. Подключив осциллограф к оранжевому и серому проводам получаем картинку. Тут надо отметить, что управление идет по обратному проводу, поэтому делаем переполюсовку, что бы импульсы имели привычный вид.

В качестве осциллографа использовалась USB приставка DSO-2090 USB, подключалась она к ноуту ASUS 52-ой серии, блютуз OBD II сканер и соответствующее по: ScanMaster, ПО для осциллографа и программа записи видео с экрана. Был задействован резервный источник питания.
Тут надо отметить, что из-за того, что управление электромагнитом муфты идет по обратному проводу, ноут подключить к бортовой сети машины, не представлялось возможным.
На экране ноута мы видим импульсы, управляющие электромагнитом муфты, скорость машины и обороты двигателя.
Чем больше длительность (верхняя часть) импульса, тем больше эффективное напряжение, прикладываемое к электромагниту, тем больше сжимаются между собой диски муфты.

Режим LOCK на стоячем авто.
При отпускании педали газа импульсы пропадают - муфта деблокируется. Как только обороты падают и становятся равны примерно 800 об/мин, импульсы снова появляются и диски жимаются. Длительность импульса - 80 мкс. эффективное напряжение - 7,28 В, частота следования импульсов - 3,03 кГц.



При движении по асфальту:
LOCK до 80 км/ч
При разгоне длительность импульсов увеличивается до 200мкс, в этот момент к муфте прикладывается напряжение равное амплитудному, т.е. муфта заблокирована максимально. При приближение скорости к 50 км/ч длительность уменьшается, а после вообще пропадают, лишь кратковременно появляются в районе 60. Индикатор LOCK на приборке - горит! Всякий раз, при отпускании педали газа, муфта отключается полностью. Нет импульсов и при движении на нейтрале и при торможении мотором, НО! При падении скорости ниже 10 км/ч импульсы появляются и машина тормозить мотором всеми четырьмя.






LOCK свыше 80км/ч
Разгон происходит по выше описанному сценарию. На 80 км/ч гаснет индикатор LOCK и ничего не происходит. А вот при торможении на скорости ниже 10 км/ч импульсы не появляются, потому что мы уже в режиме AUTO.



LOCK на спуске.
При трогании с места плавно, на скорости свыше 7 км/ч, импульсы пропадают - муфта отключается. При отпускании педали газа - появляются и автомобиль тормозит мотором всеми четырьмя колесами. При нажатии на педали тормоза и сцепления импульсы остаются. Длительность импульса - 100 мкс.




AUTO на асфальте.
во время разгона появляются импульсы длительностью до 80мкс. задок помогает разогнать машину до 40км/ч, а после не включается.




2WD на асфальте.
При трогании с места импульсов нет. Нет их и на протяжении всего цикла разгона. Но стоит сбросить скорость тормозя мотором, а затем нажать на газ, так сразу появляются импульсы длительностью до 80 мкс. (Как в режиме AUTO)
На сухом асфальте муфта не подключается на скорости свыше 40 км/ч.




C асфальта съезжаем на грунтовку и поле.
Резкий старт на траве в AUTO. Длительность импульсов приближается к режиму LOCK и, даже, [http://duster-clubs.ru/forum/attachm...d=1473660069]в какой-то момент импульсы пропадают и к муфте прикладывается постоянное напряжение.[/URL]




Резкий старт с пробуксовкой на траве в 2WD. Я не буду выкладывать видео, потому как нет не единого импульса. Гребет чисто передок. А вот если ехать не спеша примерно с одной скоростью импульсы присутствуют, так же как и в AUTO.




Ниже видео всех трех режимов. Можно лишь с уверенностью сказать где LOCK, а остальные два режим отличить друг от друга не возможно.




Изначально, по плану было желание сделать шесть видео: по три режима на асфальте и в диагоналке. С асфальтом было все относительно просто. Находим участок дороги с низким трафиком и проводим эксперименты. А вот с диагоналкой были сложности. В поисках подходящего места, я проехал практически всю "Домодедовскую Глиссаду" и только под конец нашел нужное место. К этому времени я уже посадил пауэр бокс и АКБ ноута, практически, в ноль. Поэтому диагоналку я записал одним роликом и без соединения с OBD сканером.
Ничего нового. В 2WD муфта вообше не работает, AUTO как AUTO, импульсы появляются после трогания с места и их длительность составляет до 100 мкс. В LOCK - сразу и длительность до 280 мкс.



Какие выводы напрашиваются?
Первое. Очень сильно будут разочарованы те дастероводы, которые считают, что повернув переключатель в LOCK они получают строгое распределение крутящего момента 50х50. Нет, полный привод подключается блоком ETC по требованию. Зачем нужно это 50х50 на асфальте? Пакет дисков в муфте постоянно сжимается и разжимается словно гармонь в руках гармониста, в зависимости от частоты вращения каждого колеса, положения педали газа и скорости движения машины.
Второе. 2WD не чисто передний привод. При определенных условиях на задний мост подается момент для стабилизации траектории движения... Наверное... а зачем еще при спокойной езде подключать задок?

Складывается впечатление, что все три режима это разновидности AUTO.

Кстати про бездорожье: ждем распутицу и в поля с осциллографом - смотреть работу LOCK и 2WD. А зимой было бы не плохо покататься по скользкой дороге, а лучше по ВПП какого-нибудь аэродрома. Уж больно не хочется, гладя в монитор уйти в кювет.



Цитата:
Сообщение от Ky6uk Посмотреть сообщение
Я знаю как работает трансмиссия на Дастере.

режим АВТО

На стенде зеленые SPEED 1 и SPEED2 , это передняя ось и задняя. Скорость отдельно замеряет по осям. И видно , что после 80 км./ч машина становится просто переднеприводная. В каком бы режиме она не ехала. Муфта отключает подачу на задние колеса.
То есть даже при отсутствии сцепления задних колес с грунтом, задок отключиться после 80 км/ч. Задняя ось вращается за счет того, что ведущие диски "ведут" ведомые. Образно говоря есть некий преднатяг в муфте.
Миниатюры
Нажмите на изображение для увеличения
Название: авто на траве резко[(000157)2016-09-01-22-28-12].JPG
Просмотров: 2545
Размер:	378.8 Кб
ID:	65465  
__________________
"во время войны нельзя говорить плохо о своих, НИКОГДА" ©

Кто понял жизнь тот больше не спешит,
смакует каждый миг и наблюдает.

Мой бортовой журнал. Новое сообщение.
....

Последний раз редактировалось dg972; 12.09.2016 в 10:02.
dg972 вне форума   Вверх Ответить с цитированием
Старый 11.09.2016, 00:05   #2040
Regas
.
 
Имя: Александр
Регистрация: 24.08.2013
Адрес: Москва-Троицк
Авто: 2 4х4 lux pre M6FWD Quaife, RWD no slip loker, DRIVENGE. Все включено Колеос 2,5 CVT 4x4 люк RWD
Сообщений: 627
Regas Regas Regas
По умолчанию

Хорошо проделанная работа, лично мне хотелось бы увидеть полноту картины.
Первое хочу отметить то что, как пишет производитель муфта управляется по ТОКУ, а не по напряжению, как многие её изучают, тоесть некий блок работает по принципу реостата и подаёт на муфту силу тока от 0 до 10 ампер.

Значит допустим в режиме Лок на питании муфты 10А, тоесть самая сила сжатия дисков, понятно что это происходит импульсно по требованию
И главный вопрос для меня, думаю и для тех кто проводит на бездоре, как отслеживается температура мутфты или отключение муфты проходит по другому алгоритму.
Допустим отключение происходит так, режим Лок Дастер на скользком снегу или глине, электроника видит по датчикам задних колёс, что колеса задние не имеют такого вращения что и передние или стоят на месте, по такому импульсу информации происходит отключение и мы все говорим о перегреве муфты, а на самом деле перегрева небыло, а сработала преждевременно защита от якобы перегрева отключив муфту.

Почему такие вопросы, были мысли поставить реостат по управлением тока, тоесть по ситуации нужен настоящий полный привод крутанул ручку на 10А и вперёд.
Но задумался, сам электромагнит будет тоже греться и создавать температуру, а если в трудных местах сильно густой жидкой глины или снежной оттепели толстенного снега будет создаваться пробуксовка дисков муфты от такой нагрузки, то определить перегрев придётся по запаху паленого масла что не совсем устраивает такой вариант, а то вообще кирдык.
От сюда ещё один вопрос, какую силу выдерживают диски муфты и как ощутить эту силу?
Regas вне форума   Вверх Ответить с цитированием
Ответ

Метки
бортовой журнал, duster, омывателя, освещение, салона, фары, электрика, эсп, дастер, датчик, доработки

Опции темы Поиск в этой теме
Поиск в этой теме:

Расширенный поиск
Опции просмотра

Ваши права в разделе
Вы не можете создавать новые темы
Вы не можете отвечать в темах
Вы не можете прикреплять вложения
Вы не можете редактировать свои сообщения

BB коды Вкл.
Смайлы Вкл.
[IMG] код Вкл.
HTML код Выкл.

Быстрый переход


Текущее время: 09:38. Часовой пояс GMT +3.
Powered by vBulletin® Version 3.8.7
Copyright ©2000 - 2025, vBulletin Solutions, Inc. Перевод: zCarot
vB.Sponsors

Яндекс.Метрика