Вернуться на главную

Вернуться   Форум Клуба Рено Дастер / Renault Duster Club > Общая информация > Бортовые журналы / Отзывы владельцев

Важная информация


Ответ
 
Опции темы Поиск в этой теме Опции просмотра
Старый 09.01.2013, 22:21   #1
dg972
Член клуба
Член клуба
 
Аватар для dg972
 
Имя: Дмитрий
Регистрация: 23.12.2012
Адрес: Москва
Авто: Privilege 4x4 2.0 МКП6. Чип АДАКТ. Коричневый орехх. 2012 гр.
Сообщений: 17,178
dg972 dg972 dg972 dg972 dg972 dg972 dg972 dg972 dg972 dg972 dg972
По умолчанию dg972 / Privilege 2.0 4x4 / Крепкий орешек.

FAQ


goto newpost


__________________________________________________ __________
.......................Оглавление БЖ.

Электрика
Нажмите здесь, чтобы увидеть весь текст
  1. Простая и быстрая переделка ПТФ в ДХО тут.
  2. Датчик уровня бачка омывателя.
  3. Светодиоды в приборке и ее питание для запуска теста.
  4. ЭСП без ключа зажигания.
  5. Блинкователь для стоп-сигналов.
  6. Освещение салона, начало - тут.
  7. Плафон освещения салона тройной.
  8. Плафон в задней двери - тут и тут.
  9. Дополнительное освещение салона.
  10. Фары. Типы ламп.
  11. Подсветка кнопок подогрева сидений.
  12. Датчик дождя и света Quantoom RLS-01 Начало.
  13. Датчик дождя и света Quantoom RLS-01 Продолжение.
  14. Датчик дождя и света Quantoom RLS-01 Окончание.
  15. Датчик дождя и света Quantoom RLS-01 Отзыв.
  16. Реле регулятор паузы стеклоочистителя 722.3777-01 тут и тут.
  17. Реле регуляторы паузы стеклоочистителей 722.3777-01 переднего и заднего дворников.
  18. Автофишки с Украины - тут.
  19. Дополнительные розетки.
  20. Немного про ТЭНы.
  21. Штатная аудиосистема и теги по-русски. Глюк тут.
  22. Батарейка для ключа ЦЗ.
  23. Дверь багажника с отдельной кнопки брелка.
  24. Пересвет кнопок ЭСП в белый.
  25. Освещение салона. Алгоритм работы.
  26. Камера заднего вида.
  27. Камера заднего вида. Отзыв.
  28. Дополнительная розетка прикуривателя для задних пассажиров и багажника.
  29. Ток покоя моего автомобиля.
  30. Напряжение на АКБ под нагрузкой на холостых
  31. Напряжение на АКБ. Новый замер.
  32. Камера заднего вида в подсветке номера. Покупка.
  33. Камера заднего вида в подсветке номера. Установка, Первые впечатления.
  34. Косяк камеры заднего вида.
  35. Контроллер стекоочистителей.
  36. ДХО без блока управления.
  37. Контроллер "перегоревшей лампы СС".
  38. Адаптер питания регистратора.
  39. ДХО в указателях поворота.
  40. Установка радиоантенны.
  41. Фара заднего хода.
  42. АКБ: уровень электролита.
  43. Вольтметр и мафон без ключа зажигания
  44. Термометр наружного воздуха.
  45. Ток подогревателя сидений.
  46. Доводчик стекол

__________________________________________________ __________

Доработки.


Эксплуатация.

Нажмите здесь, чтобы увидеть весь текст
  1. Летние шины и "покатушки" - тут.
  2. Зимние колеса.
  3. ТЭНы в печке.
  4. Масло в трансмиссии.
  5. Погнул ребро на пороге.
  6. Мойка рядом с домом. (((
  7. Передние тормозные колодки.
  8. Привет от Авантайма (колесные болты).
  9. Фильтр Тонкой Очистки салона (кондея).
  10. Про ЛЮЧОК бензобака и КОВРИК водительский.
  11. ТО-1 в Major Renault
  12. Свечи зажигания.
  13. 10000 км.
  14. Расход 95-го и ВОЗДУШНЫЙ ФТО.
  15. Понемногу обо всем - тут.
  16. Полный привод - система ЕТС.
  17. Когда "рулит" передний привод.
  18. Дастеру год.
  19. Запотевание крышки ГБЦ.
  20. Рейлинги.
  21. Гибридные щетки DENSO.
  22. Глючит насос омывателя.
  23. 15000 и ЧИП-ТЮНИНГ.
  24. 15000 и отчет.
  25. ЧИП-ТЮНИНГ от ADACT. Отзыв.
  26. Звук мотора 2.0 на холостых оборотах.
  27. Потек задний правый амортизатор.
  28. Пробег 16,800. 29 марта 14. Переобулся
  29. Центральный замок. Глюк.
  30. Гарантийный случай.
  31. ТО-2 в Major Renault.
  32. Гарантийный случай. Эпопея, часть 2.
    Гарантийный случай. Эпопея, часть 3.
    Гарантийный случай. Эпопея, часть 4.
  33. Страховка.
  34. Тип ЭБУ двигателем на моей машине.
  35. Масла в трансмиссии. Пробег 20200 26.06.14.
  36. Течь конденсата в салон. Пробег 23500.
  37. Регулировка фар.
  38. Скрип в "руле". Пробег 23500.
  39. Неделя в городе.
  40. Вторая неделя в городе.
  41. Третья неделя в городе. (расход петрольки)
  42. Четвертая неделя в городе.
  43. Сверчки.
  44. ТО - 2,5 в Логан Гараже.
  45. Звук мотора 2,0. Три съёмки вместе.
    Запотевание крышки ГБЦ.
  46. Месяц в городе.
  47. Пришла зима, третья зима для моего Дастера.
  48. Незамерзайка М-10.
  49. Второй месяц в городе.
  50. Расхоники для ТО-3.
  51. Глюк ЦЗ.
  52. Щетки СТОЧ RainBlade
  53. Пробег 30000.
    -
  54. Трещины ЛКП на швах водостока.
  55. Пробег 31000. ТО-3 и посещение Петровского ОД.
  56. Пробег 32000. ГУР.
  57. Обработка кузова полиролью.
  58. Пробег 35500. Замена воздушного ФТО.
  59. Пробег 35500. Замена ФТО кондиционера (салона).
  60. Пробег 36100. Переобулся на зиму.
  61. Передние тормоза. Пробег 36100.
  62. Щетки СТОЧ SPARCO.
  63. Пробег 41200. Переобулся на лето.
  64. Пробег 41500. 1/2 ТО-4
  65. Пробег 47500. ТО-4 продолжение. Замена ремня ГРМ.
  66. Приподнял педаль газа
  67. Пружины ФОБОС
  68. Осциллограф на муфте
  69. Пробег 48500. Замена ФТО мотора и салона.
  70. DF001 DF085, лампа системы снижения токсичности, сигнальная лампа неисправности, электронных систем и датчик ТОЖ.
  71. Пробег 50000.
  72. Пробег 50500. Замена масла.
  73. Пробег 51000, 4,5 года. Осмотр АКБ.
  74. Зима -24°С. Пробег 53700.
  75. Глюк указателя топлива.
  76. СВЕРЧКИ, дребезги и другие посторнние шумы.
  77. Переобулся на лето. 55200
  78. Замена передних тормозных колодок. 55200
  79. Стук в подвеске задних колес.55200
  80. Пробег 55555
  81. Пробег 57700. Замена свечей DENSO IK-20
  82. Белёсые подтеки на дверях.
  83. Пробег 58800. Замена масла.
  84. Пробег 59500. Замена фильтров и проставки в пружины.
  85. Пробег 60 000.
  86. Пробег 60800 и 5,3 года. Замена АКБ.
  87. Пробег 61000. Стук в передней подвеске
  88. Пробег 62000 зеркала, упоры, щетки и др.
  89. Пробег 63500.
  90. Пробег 64100. Ремонт Ходовой.
  91. Пробег 70200 Замена втулок переднего стабилизатора.
  92. Пробег 71000 Выхлопная труба и замена ДД ГУР.
  93. Пробег 72300 Переобулся на лето. Замена тормозных дисков и колодок
  94. Пробег 73100. Термостат. Замена.
  95. Пробег 76000. Замена масла в моторе.
  96. Пробег 81000. Замена масла в МКПП и раздатке.
  97. По умолчанию Комплект галогенных ламп MTF Light H7 12V 55W AURUM 3000K и Поляризованные очки.
  98. Пробег почти 83000. Переобулся на лето в Комфорсеры
  99. Пробег 84000. Замена свечей и колпачков.
  100. Замена основания штатной антенны.
  101. Пробег 88300. Замена воздушного фильтра.



__________________________________________________ __________
Разное.


ТТХ Дастера. Попробую тут собрать цифры, относящиеся к нашим машинам.

Шины Диски.
Заправочные жидкости.
Книга Renault Duster


Полезные ссылки.

Асферические зеркала с подогревом Ergon 76141000 Ergon 76141006

Кардан на ШРУСах


123456789Полезные ссылки.

Техобслуживание.
Он-лайн журнал RENAULT-DRIVE
Интересный сайт "Автосекрет"
  1. Каталог запчастей. HSMJ
  2. Очень много полезного от МЕДВЕЖа.
  3. Автоэлектроника от ЭНЕРГОМАШ.
  4. Светодиоды приборного щитка. Skipper-Влад
  5. Пересвет, или замена светодиодов в приборном щитке тут и тут от Skipper-Влад
  6. Подсветка кнопок ЭСП от SHultz
  7. Щетка заднего стеклоочистителя 350 мм. № 7701047871. Бурый медведь (Bear)
  8. Тормоза заднего моста. Респект Володе ХОЧУ за фото.
  9. Тормозные колодки передние.
  10. Веерные форсунки омывателя.
  11. Самостоятельное изготовление печатных плат. Skipper-Влад
  12. Блинкователь для стоп-сигналов от NSZ-550.
  13. Уплотнитель стекол дверей наружный, нижний, код запчасти.
  14. Подключение электропроводки фаркопа (схемы).
  15. Печка
  16. Освещение салона от Альберта
  17. Замена воздушного фильтра тут и тут от More.
  18. Накладки порогов декоративные.
  19. Тестовый режим приборной панели Skipper-Влад
  20. ТО-1 машины Skipper-Влад
  21. ТО -2 машины Кубика
  22. Жиклер омывателя Renault нового образца (три отверстия) оригинал (289321198R).
  23. Проклейка задней двери тут, тут и тут.
  24. Колесный калькулятор.
  25. ТТХ движков Дастера.
  26. Шашлык из свинины
  27. Глинтвейн по Масловски.
  28. Масло в ГУР.
  29. Задний редуктор/муфта фото.
  30. Принцип действия сцепной фрикционной многодисковой муфты с электромагнитным приводом.
  31. Колеса R15 zigzag
    ШТРАФЫ с 01.09.13.
  32. Деревянный пол в багажник 4х4 от NSZ-550
  33. Расположение предохранителей и реле
  34. DDT2000 Указатель поворота.
  35. Цитата:
    Сообщение от madmaxxx73 Посмотреть сообщение
    ТО-3 своими силами
  36. Клеммы Лира.
  37. Бортовик madmaxxx73. Много полезной инфы.
  38. Тормозные колодки More.
  39. Перестала работать КЗВ
  40. "Гарант" на руль.
  41. Пепельница с подсветкой.
__________________
"во время войны нельзя говорить плохо о своих, НИКОГДА" ©

Кто понял жизнь тот больше не спешит,
смакует каждый миг и наблюдает.

Мой бортовой журнал. Новое сообщение.
....

Последний раз редактировалось dg972; 24.11.2022 в 09:39.
dg972 вне форума   Вверх Ответить с цитированием
Это может быть интересно
Старый 22.04.2019, 00:15   #2361
dg972
Член клуба
Член клуба
 
Аватар для dg972
 
Имя: Дмитрий
Регистрация: 23.12.2012
Адрес: Москва
Авто: Privilege 4x4 2.0 МКП6. Чип АДАКТ. Коричневый орехх. 2012 гр.
Сообщений: 17,178
dg972 dg972 dg972 dg972 dg972 dg972 dg972 dg972 dg972 dg972 dg972
По умолчанию

Цитата:
Сообщение от dg972 Посмотреть сообщение
Otto Zimmermann
Колодки и диски... тормозиться очень приятно и внятно. Фрикса со штатными дисками не идет ни в какое сравнение.
Комплект Otto Zimmermann рекомендую всем.
Но присутствует косячёк в тормозной системе - тянет влево.
__________________
"во время войны нельзя говорить плохо о своих, НИКОГДА" ©

Кто понял жизнь тот больше не спешит,
смакует каждый миг и наблюдает.

Мой бортовой журнал. Новое сообщение.
....
dg972 вне форума   Вверх Ответить с цитированием
3 пользователя(ей) сказали cпасибо:
Это может быть интересно
Старый 05.05.2019, 23:32   #2362
dg972
Член клуба
Член клуба
 
Аватар для dg972
 
Имя: Дмитрий
Регистрация: 23.12.2012
Адрес: Москва
Авто: Privilege 4x4 2.0 МКП6. Чип АДАКТ. Коричневый орехх. 2012 гр.
Сообщений: 17,178
dg972 dg972 dg972 dg972 dg972 dg972 dg972 dg972 dg972 dg972 dg972
По умолчанию Доводчик стекол







В посте #318, я рассказывал о переделки ЭСП на работу без зажигания, на прямую, от АКБ. Единственным ограничением служит реле разгрузки, отключающее привода после 30 минут бездействия автомобиля.
В водительскую дверь инсталлирован блок закрытия стекол (доводчик). При постановке на охрану он проверяет не поднятые стекла и закрывает их. Огромная благодарность нашему коллеге из Питера Safpal за помощь в создании электрической принципиальной схемы стеклоподъемников на московский Дастер. Благодаря ему, сэкономлено много времени на выявление нужных проводов.
Как любят писать на драйве - затрачено пол дня работы с перекурами и 0 рублей.
Это должно было случиться еще год назад. На Алиэкспессе был заказан доводчик. Как обещал продавец, этот доводчик для любых автомобилей с четырьмя дверьми. Блок приехал и не захотел работать со схемой, где управление идет по минусу. Я открыл спор и вернул бабки. Затем началась долгая и нудная переписка с продаванами, в ходе которой выяснялось, что многие даже не понимают что именно они продают. Наконец был выявлен доводчик, очередной доводчик, для любых автомобилей с 4 дверьми.

По прибытию посылки, выяснялось, что этот блочёк... для двух дверей. К счастью, вскрытие показало, что достаточно в него впаять еще два реле и будет необходимый для меня девайс. Был открыт спор и выигран. Деньги я получил назад, впаял два реле, от старого магнитофонного разъёма добавил недостающие концы и вуаля!

Вот этот доводчик будет должен работать на дорестайлинговых машинах.

Схема правильного доводчика:


На схеме есть три коротких провода, это и есть возможность выбора управления мотором по позитивному или негативному проводу.

Вот на этом фото, в жгуте, видны три кончика с фишками на концах:


Это то, что нужно.
Ссылка на еще один правильный девайс: http://buyeasy.by/cashback/view/pbsu...d-021b6f2aed58

Всем удачи!
Миниатюры
Нажмите на изображение для увеличения
Название: IMG_20190503_135435.jpg
Просмотров: 2294
Размер:	3.51 Мб
ID:	83243   Нажмите на изображение для увеличения
Название: IMG_20190503_135514.jpg
Просмотров: 2276
Размер:	1.65 Мб
ID:	83244   Нажмите на изображение для увеличения
Название: Жгут.jpg
Просмотров: 2090
Размер:	60.1 Кб
ID:	83245   Нажмите на изображение для увеличения
Название: Схема доводчика.jpg
Просмотров: 2120
Размер:	101.8 Кб
ID:	83246  
__________________
"во время войны нельзя говорить плохо о своих, НИКОГДА" ©

Кто понял жизнь тот больше не спешит,
смакует каждый миг и наблюдает.

Мой бортовой журнал. Новое сообщение.
....

Последний раз редактировалось dg972; 29.05.2019 в 13:50.
dg972 вне форума   Вверх Ответить с цитированием
8 пользователя(ей) сказали cпасибо:
Старый 13.05.2019, 21:35   #2363
dg972
Член клуба
Член клуба
 
Аватар для dg972
 
Имя: Дмитрий
Регистрация: 23.12.2012
Адрес: Москва
Авто: Privilege 4x4 2.0 МКП6. Чип АДАКТ. Коричневый орехх. 2012 гр.
Сообщений: 17,178
dg972 dg972 dg972 dg972 dg972 dg972 dg972 dg972 dg972 dg972 dg972
По умолчанию

Цитата:
Сообщение от dg972 Посмотреть сообщение
В посте #318, я рассказывал о переделки ЭСП на работу без зажигания, на прямую, от АКБ. Единственным ограничением служит реле разгрузки, отключающее привода после 30 минут бездействия автомобиля.
При постановке на охрану таймер перезапускается и стекла поднимаются. Так что нет никакого ограничения.
__________________
"во время войны нельзя говорить плохо о своих, НИКОГДА" ©

Кто понял жизнь тот больше не спешит,
смакует каждый миг и наблюдает.

Мой бортовой журнал. Новое сообщение.
....
dg972 вне форума   Вверх Ответить с цитированием
Старый 13.05.2019, 21:35   #2364
dg972
Член клуба
Член клуба
 
Аватар для dg972
 
Имя: Дмитрий
Регистрация: 23.12.2012
Адрес: Москва
Авто: Privilege 4x4 2.0 МКП6. Чип АДАКТ. Коричневый орехх. 2012 гр.
Сообщений: 17,178
dg972 dg972 dg972 dg972 dg972 dg972 dg972 dg972 dg972 dg972 dg972
По умолчанию Термостат. Замена.

Пробег 73100.
Заменен термостат. Установлен
Vernet TH6047.89J
Термостат c прокладкой 482 ₽.

Для замены надо снять воздуховод до воздушного фильтра, кронштейны крепления патрубков системы охлаждения. Понадобился инструмент: головки на 8 и 10 мм от "маленького" набора, трещотка и пара удлинителей к ней.
При замене потерял около литра антифриза. Главное сначала одеть прокладку на новый термостат и быстро вынуть старый и вложить новый.
Герметиком не промазывал, вроде не течет.
Собрал, долил антифриз и стал прогревать до включения вентилятора. Прогревал без воздуховода. В диапазоне 2,5-3 тыс. об. была вибрация по кузову. Уже после того как воздуховод был установлен на свое место и машина прошла километров 10, зажегся желтый индикатор неисправности электронных систем. На поведении машины это ни как не сказалось. Еще через километров 5 - лампа погасла.
__________________
"во время войны нельзя говорить плохо о своих, НИКОГДА" ©

Кто понял жизнь тот больше не спешит,
смакует каждый миг и наблюдает.

Мой бортовой журнал. Новое сообщение.
....

Последний раз редактировалось dg972; 13.05.2019 в 21:53.
dg972 вне форума   Вверх Ответить с цитированием
5 пользователя(ей) сказали cпасибо:
Старый 24.06.2019, 11:14   #2365
dg972
Член клуба
Член клуба
 
Аватар для dg972
 
Имя: Дмитрий
Регистрация: 23.12.2012
Адрес: Москва
Авто: Privilege 4x4 2.0 МКП6. Чип АДАКТ. Коричневый орехх. 2012 гр.
Сообщений: 17,178
dg972 dg972 dg972 dg972 dg972 dg972 dg972 dg972 dg972 dg972 dg972
По умолчанию

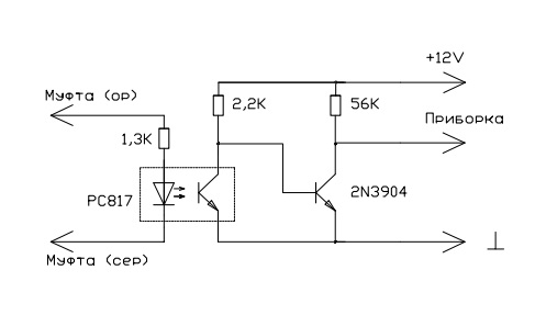
Давно уже пытался к муфте приколхозить светодиод. Не особо прокатывало: то индикация не корректная, то блок ETC в аварию выпал...
Оптрон спас ситуацию.

На приборке, в правом нижнем углу есть незадействованные индикаторы: красный треугольник с машинкой внутри (пьяная дорога) ESP и "распылитель".





Шкурка от дизеля (так, для понимая).

Поимев опыт работа с SMD компонентами, решил самостоятельно впаять светодиоды. Разобрал приборку. Как это делается - тут. Долго не мог снять стрелки - сидят очень плотно. За консультацией звонил коллеге Valera . Выяснилось, что на плате отсутствует светик только на "распылителе", на "пьяной дороге" - стоит, но красного цвета.



И, если "распылитель" идет напрямую катодом на серый разъем, третий с права верхний контакт фишки провода, если смотреть со стороны контактов, то "пьяная дорога" управляется через транзистор. База транзистора выходит на серую фишку, крайний правый нижний контакт этого же серого разъема и там есть провод - серый. Куда он идет в схему, я разбираться не стал. Не стал и перепаивать схему приборки, резанул провод и вывел к переключателю управления задним приводом. Заменил светодиод на желтый и запаял светик на "распылитель". Это так, задел на будущее.
Слева, в ногах водителя подключился к оранжевому и серому проводам управления муфтой.
Схемка согласования с приборкой - через оптрон.






Что показал индикатор? Да, в 2WD задняя ось подключается. Да, в 4WD задняя ось отключается.
Думаю, как кино снять...
Миниатюры
Нажмите на изображение для увеличения
Название: Схемка.jpg
Просмотров: 1230
Размер:	18.7 Кб
ID:	83825   Нажмите на изображение для увеличения
Название: 20190623_190143-1.jpg
Просмотров: 1249
Размер:	61.6 Кб
ID:	83826   Нажмите на изображение для увеличения
Название: 20190623_190132-1.jpg
Просмотров: 1269
Размер:	85.7 Кб
ID:	83827  
__________________
"во время войны нельзя говорить плохо о своих, НИКОГДА" ©

Кто понял жизнь тот больше не спешит,
смакует каждый миг и наблюдает.

Мой бортовой журнал. Новое сообщение.
....
dg972 вне форума   Вверх Ответить с цитированием
3 пользователя(ей) сказали cпасибо:
Старый 14.07.2019, 20:20   #2366
dg972
Член клуба
Член клуба
 
Аватар для dg972
 
Имя: Дмитрий
Регистрация: 23.12.2012
Адрес: Москва
Авто: Privilege 4x4 2.0 МКП6. Чип АДАКТ. Коричневый орехх. 2012 гр.
Сообщений: 17,178
dg972 dg972 dg972 dg972 dg972 dg972 dg972 dg972 dg972 dg972 dg972
По умолчанию

Глючит концевик двери 7700427640, вроде как...
Ценник:
exist.ru - Renault 77 00 427 640 Выключатель концевой 4 дн. шт. 299 ₽
emex.ru - Renault 77 00 427 640 6 дн. 296 ₽
autodoc.ru - RENAULT 7700427640 - Выключатель 535.00
535 рублей, Карл! http://www.duster-clubs.ru/forum/sho...F2%EE%E4%EE%EA И ето со скидкой?
__________________
"во время войны нельзя говорить плохо о своих, НИКОГДА" ©

Кто понял жизнь тот больше не спешит,
смакует каждый миг и наблюдает.

Мой бортовой журнал. Новое сообщение.
....

Последний раз редактировалось dg972; 13.08.2019 в 21:37.
dg972 вне форума   Вверх Ответить с цитированием
Старый 14.07.2019, 23:32   #2367
dg972
Член клуба
Член клуба
 
Аватар для dg972
 
Имя: Дмитрий
Регистрация: 23.12.2012
Адрес: Москва
Авто: Privilege 4x4 2.0 МКП6. Чип АДАКТ. Коричневый орехх. 2012 гр.
Сообщений: 17,178
dg972 dg972 dg972 dg972 dg972 dg972 dg972 dg972 dg972 dg972 dg972
По умолчанию Пробег 76000. Замена масла в моторе.

Пробег 76000
Заменил масло в моторе.
Liqui Moly Leichtlauf High Tech 5W-40 + Hengst H11W02.
Пробег до замены составил 8500.



Заодно заменил резинку на левой щетке DENSO. Резинка куплена на АлиЭкспрессе.
ps
C каждым годом всё сложнее и сложнее менять масло самому. Годы летят, пузо растет и 20-ти минутная операция занимает всё больше и больше времени. Задолбался наживлять сливную пробку. Не идет по резьбе и все, можно подумать, что так сложно подобрать правильный угол. Потерял новое колечко, а старое выкинул. Хорошо, что был резерв. ФТО затянутый собственными руками, еле-еле отвернул съемником.
Миниатюры
Нажмите на изображение для увеличения
Название: 20190713_131058.jpg
Просмотров: 1682
Размер:	103.9 Кб
ID:	83897  
__________________
"во время войны нельзя говорить плохо о своих, НИКОГДА" ©

Кто понял жизнь тот больше не спешит,
смакует каждый миг и наблюдает.

Мой бортовой журнал. Новое сообщение.
....

Последний раз редактировалось dg972; 26.07.2019 в 10:48.
dg972 вне форума   Вверх Ответить с цитированием
6 пользователя(ей) сказали cпасибо:
Старый 26.07.2019, 10:50   #2368
dg972
Член клуба
Член клуба
 
Аватар для dg972
 
Имя: Дмитрий
Регистрация: 23.12.2012
Адрес: Москва
Авто: Privilege 4x4 2.0 МКП6. Чип АДАКТ. Коричневый орехх. 2012 гр.
Сообщений: 17,178
dg972 dg972 dg972 dg972 dg972 dg972 dg972 dg972 dg972 dg972 dg972
По умолчанию

Дастер ниже Каптура, по порогу на 3 см. Проверено - факт.
__________________
"во время войны нельзя говорить плохо о своих, НИКОГДА" ©

Кто понял жизнь тот больше не спешит,
смакует каждый миг и наблюдает.

Мой бортовой журнал. Новое сообщение.
....
dg972 вне форума   Вверх Ответить с цитированием
2 пользователя(ей) сказали cпасибо:
Старый 26.07.2019, 11:14   #2369
Strusto
Член клуба
Член клуба
 
Аватар для Strusto
 
Имя: Владислав
Регистрация: 11.12.2012
Адрес: Мск
Авто: Механика 2-х литровая 12-го года
Сообщений: 8,350
Strusto Strusto Strusto Strusto Strusto Strusto Strusto Strusto Strusto Strusto Strusto
По умолчанию

Цитата:
Сообщение от dg972 Посмотреть сообщение
C каждым годом всё сложнее и сложнее менять масло самому. Годы летят, пузо растет и 20-ти минутная операция занимает всё больше и больше времени. Задолбался наживлять сливную пробку...
А я в этом году первый раз сливную пробку и не трогал

__________________
Найти своих и успокоиться
Грустная музыка лучше выпивки

Собрание путешествий
Strusto вне форума   Вверх Ответить с цитированием
3 пользователя(ей) сказали cпасибо:
Старый 26.07.2019, 14:33   #2370
dg972
Член клуба
Член клуба
 
Аватар для dg972
 
Имя: Дмитрий
Регистрация: 23.12.2012
Адрес: Москва
Авто: Privilege 4x4 2.0 МКП6. Чип АДАКТ. Коричневый орехх. 2012 гр.
Сообщений: 17,178
dg972 dg972 dg972 dg972 dg972 dg972 dg972 dg972 dg972 dg972 dg972
По умолчанию

Не наш метод.
__________________
"во время войны нельзя говорить плохо о своих, НИКОГДА" ©

Кто понял жизнь тот больше не спешит,
смакует каждый миг и наблюдает.

Мой бортовой журнал. Новое сообщение.
....
dg972 вне форума   Вверх Ответить с цитированием
Старый 07.08.2019, 10:15   #2371
dg972
Член клуба
Член клуба
 
Аватар для dg972
 
Имя: Дмитрий
Регистрация: 23.12.2012
Адрес: Москва
Авто: Privilege 4x4 2.0 МКП6. Чип АДАКТ. Коричневый орехх. 2012 гр.
Сообщений: 17,178
dg972 dg972 dg972 dg972 dg972 dg972 dg972 dg972 dg972 dg972 dg972
По умолчанию Бизнес по русски или как работает exist.ru

Выбираем товар и кладем его в корзину.
Допустим, пусть это будет две канистры трансмиссионки на сумму 1000 р.
На странице корзины появляется фраза: "Оформить заказ по этим ценам можно до: Завтра 8:55"
Если покупка не к спеху, то через неделю - полторы, когда решаем оплатить, цены на товар в корзине уже нет, а есть кнопка "обновить". Нажимаем и... цена поднялась, поднялась допустим до 1100 р.
У меня возник вопрос: А с какого, собственно???
Удаляю товар из корзины... и кладу его снова...
Ценник - почти как и был: примерно 1000. Ну +/- с учетом курса.
Нормально?

По аналогии с супермаркетом. Быстренько закидываешь в тележку продукты и бежишь на кассу. Если за час не удалось оплатить, то цена подскакивает. Можешь повторить заход в магазин по новой или платить дороже.
__________________
"во время войны нельзя говорить плохо о своих, НИКОГДА" ©

Кто понял жизнь тот больше не спешит,
смакует каждый миг и наблюдает.

Мой бортовой журнал. Новое сообщение.
....
dg972 вне форума   Вверх Ответить с цитированием
3 пользователя(ей) сказали cпасибо:
Старый 07.08.2019, 16:31   #2372
dg972
Член клуба
Член клуба
 
Аватар для dg972
 
Имя: Дмитрий
Регистрация: 23.12.2012
Адрес: Москва
Авто: Privilege 4x4 2.0 МКП6. Чип АДАКТ. Коричневый орехх. 2012 гр.
Сообщений: 17,178
dg972 dg972 dg972 dg972 dg972 dg972 dg972 dg972 dg972 dg972 dg972
По умолчанию

Вот уже месяца 4, расход держиться на 9,4 литра при ср. скорости 48 км/ч., что для меня невиданные доселе цифры.
__________________
"во время войны нельзя говорить плохо о своих, НИКОГДА" ©

Кто понял жизнь тот больше не спешит,
смакует каждый миг и наблюдает.

Мой бортовой журнал. Новое сообщение.
....
dg972 вне форума   Вверх Ответить с цитированием
4 пользователя(ей) сказали cпасибо:
Старый 07.08.2019, 16:48   #2373
Hunter73
Член клуба
Член клуба
 
Аватар для Hunter73
 
Имя: Сергей
Регистрация: 14.09.2015
Адрес: Орловская область г. Ливны
Сообщений: 2,827
Hunter73 Hunter73 Hunter73 Hunter73 Hunter73
По умолчанию

Цитата:
Сообщение от dg972 Посмотреть сообщение
Вот уже месяца 4, расход держиться на 9,4 литра при ср. скорости 48 км/ч., что для меня невиданные доселе цифры.
Дима! Загляни как в соседнюю темку по расходу Может у нас с тобой руки не из того места растут Или просто трёп, честно говоря его и в других местах хватает, просто он надоел.

Цитата:
На дачу (без пробок ) не торопясь (90-105/ч) - 6,9 литров/100 км (средний). Трое людей, пол багажника, без кондея, ручка, режим ECO, на переднем привод

Обратно постояли в пробке 40 минут, кондей работал пол дороги + полный багажник мёда, 4 человека под 90 и полный салон даров с дачи (яблоки, груши, огурцы, мёд). - 8.0/100 км.
Hunter73 вне форума   Вверх Ответить с цитированием
Пользователь сказал cпасибо:
Старый 07.08.2019, 17:51   #2374
zigzag
Член клуба
Член клуба
 
Аватар для zigzag
 
Имя: Дмитрий
Регистрация: 16.12.2012
Адрес: Москва
Авто: дизель привеледж ESP
Сообщений: 3,068
zigzag zigzag zigzag zigzag zigzag
Отправить сообщение для zigzag с помощью ICQ
По умолчанию

Дима на злой резине катается. Там расход плюя два литра)
__________________
Я не хороший и не плохой. Я добрый в злую полосочку.
каталог
zigzag вне форума   Вверх Ответить с цитированием
2 пользователя(ей) сказали cпасибо:
Старый 08.08.2019, 00:09   #2375
dg972
Член клуба
Член клуба
 
Аватар для dg972
 
Имя: Дмитрий
Регистрация: 23.12.2012
Адрес: Москва
Авто: Privilege 4x4 2.0 МКП6. Чип АДАКТ. Коричневый орехх. 2012 гр.
Сообщений: 17,178
dg972 dg972 dg972 dg972 dg972 dg972 dg972 dg972 dg972 dg972 dg972
По умолчанию

Не, мужики, расход падает. Либо машина чего-то того, либо я по городу меньше стал ездить.
__________________
"во время войны нельзя говорить плохо о своих, НИКОГДА" ©

Кто понял жизнь тот больше не спешит,
смакует каждый миг и наблюдает.

Мой бортовой журнал. Новое сообщение.
....
dg972 вне форума   Вверх Ответить с цитированием
Пользователь сказал cпасибо:
Старый 13.08.2019, 21:55   #2376
dg972
Член клуба
Член клуба
 
Аватар для dg972
 
Имя: Дмитрий
Регистрация: 23.12.2012
Адрес: Москва
Авто: Privilege 4x4 2.0 МКП6. Чип АДАКТ. Коричневый орехх. 2012 гр.
Сообщений: 17,178
dg972 dg972 dg972 dg972 dg972 dg972 dg972 dg972 dg972 dg972 dg972
По умолчанию

Цитата:
Сообщение от dg972 Посмотреть сообщение
Выбираем товар и кладем его в корзину.
Допустим, пусть это будет две канистры трансмиссионки на сумму 1000 р.
На странице корзины появляется фраза: "Оформить заказ по этим ценам можно до: Завтра 8:55"
Если покупка не к спеху, то через неделю - полторы, когда решаем оплатить, цены на товар в корзине уже нет, а есть кнопка "обновить". Нажимаем и... цена поднялась, поднялась допустим до 1100 р.
У меня возник вопрос: А с какого, собственно???
Удаляю товар из корзины... и кладу его снова...
Ценник - почти как и был: примерно 1000. Ну +/- с учетом курса.
Нормально?

По аналогии с супермаркетом. Быстренько закидываешь в тележку продукты и бежишь на кассу. Если за час не удалось оплатить, то цена подскакивает. Можешь повторить заход в магазин по новой или платить дороже.
Я обожаю эту жЫнь! Стоит только расслабить булки, как тут же вдувают.
Тот же экзист.
Покупаю шаровую по одной цене, сравниваю с врученной мне для образца и заказываю тут же в магазине еще одну. Манагер выставляет счет на 60 р дороже.
Прихожу домой и вижу, что есть вариант по старой цене.
У меня вопрос... вот на 60 рублей, но надо, да?
Дело не в сумме, дело в принципе.
Дома, с компа уже ничего не исправишь. Хусейн.

И что интересно, так везде, на каждом шагу. Куда не глянь.
Как там у Жванецкого?
Цитата:
Я хочу купить, как во время войны, танк на средства артиста, но пользоваться самому какое-то время. ... Хорошо въехать в базар и через щель спросить: "Скоко, скоко? Одно кило или весь мешок?"
https://ok.ru/video/4818339131
__________________
"во время войны нельзя говорить плохо о своих, НИКОГДА" ©

Кто понял жизнь тот больше не спешит,
смакует каждый миг и наблюдает.

Мой бортовой журнал. Новое сообщение.
....

Последний раз редактировалось dg972; 13.08.2019 в 21:57.
dg972 вне форума   Вверх Ответить с цитированием
6 пользователя(ей) сказали cпасибо:
Старый 13.08.2019, 22:11   #2377
More
Супер-модератор
Член клуба
 
Аватар для More
 
Имя: Андрей
Регистрация: 14.12.2012
Адрес: В дебрях Смоленщины
Авто: НИВА Travel '22 "Барышня крестьянка" & ВАЗ-21061 '94 "Шура"
Сообщений: 33,310
More More More More More More More More More More More
По умолчанию

Цитата:
Сообщение от dg972 Посмотреть сообщение
И что интересно, так везде, на каждом шагу. Куда не глянь.
Ну так это ж базовый элемент нашей нынешней системы.
Воспиталось уже. Теперь вот, везде. Кто не разделяет - тот маргинал.
__________________
За базаром не следит, говорит не правильно, шатает скрепы.(с)
- Почему тебя обманули? Потому что ты сам лжец.(с)
More вне форума   Вверх Ответить с цитированием
2 пользователя(ей) сказали cпасибо:
Старый 15.08.2019, 14:33   #2378
dg972
Член клуба
Член клуба
 
Аватар для dg972
 
Имя: Дмитрий
Регистрация: 23.12.2012
Адрес: Москва
Авто: Privilege 4x4 2.0 МКП6. Чип АДАКТ. Коричневый орехх. 2012 гр.
Сообщений: 17,178
dg972 dg972 dg972 dg972 dg972 dg972 dg972 dg972 dg972 dg972 dg972
По умолчанию

Цитата:
Сообщение от More Посмотреть сообщение
Воспиталось уже.
Ага. Для тридцатилетних: -Так и должно быть!
__________________
"во время войны нельзя говорить плохо о своих, НИКОГДА" ©

Кто понял жизнь тот больше не спешит,
смакует каждый миг и наблюдает.

Мой бортовой журнал. Новое сообщение.
....
dg972 вне форума   Вверх Ответить с цитированием
Старый 15.08.2019, 14:35   #2379
dg972
Член клуба
Член клуба
 
Аватар для dg972
 
Имя: Дмитрий
Регистрация: 23.12.2012
Адрес: Москва
Авто: Privilege 4x4 2.0 МКП6. Чип АДАКТ. Коричневый орехх. 2012 гр.
Сообщений: 17,178
dg972 dg972 dg972 dg972 dg972 dg972 dg972 dg972 dg972 dg972 dg972
По умолчанию

Менять свечи перед зимой или нет? Вот в чем вопрос. Едет и заводиться норм.
__________________
"во время войны нельзя говорить плохо о своих, НИКОГДА" ©

Кто понял жизнь тот больше не спешит,
смакует каждый миг и наблюдает.

Мой бортовой журнал. Новое сообщение.
....
dg972 вне форума   Вверх Ответить с цитированием
Старый 15.08.2019, 14:55   #2380
More
Супер-модератор
Член клуба
 
Аватар для More
 
Имя: Андрей
Регистрация: 14.12.2012
Адрес: В дебрях Смоленщины
Авто: НИВА Travel '22 "Барышня крестьянка" & ВАЗ-21061 '94 "Шура"
Сообщений: 33,310
More More More More More More More More More More More
По умолчанию

Я в октябре поменяю. На этих пробег уже за 30. Из серии "нуевонефег". Хотя тоже, претензий нет.
__________________
За базаром не следит, говорит не правильно, шатает скрепы.(с)
- Почему тебя обманули? Потому что ты сам лжец.(с)
More вне форума   Вверх Ответить с цитированием
Пользователь сказал cпасибо:
Ответ

Метки
бортовой журнал, duster, омывателя, освещение, салона, фары, электрика, эсп, дастер, датчик, доработки


Ваши права в разделе
Вы не можете создавать новые темы
Вы не можете отвечать в темах
Вы не можете прикреплять вложения
Вы не можете редактировать свои сообщения

BB коды Вкл.
Смайлы Вкл.
[IMG] код Вкл.
HTML код Выкл.

Быстрый переход


Текущее время: 12:18. Часовой пояс GMT +3.
Powered by vBulletin® Version 3.8.7
Copyright ©2000 - 2026, vBulletin Solutions, Inc. Перевод: zCarot
vB.Sponsors

Яндекс.Метрика