Вернуться на главную

Вернуться   Форум Клуба Рено Дастер / Renault Duster Club > Техническая информация Рено Дастер > Электрооборудование и оптика > Электрика

Важная информация


Ответ
 
Опции темы Поиск в этой теме Опции просмотра
Старый 11.08.2014, 23:17   #1
dg972
Член клуба
Член клуба
 
Аватар для dg972
 
Имя: Дмитрий
Регистрация: 23.12.2012
Адрес: Москва
Авто: Privilege 4x4 2.0 МКП6. Чип АДАКТ. Коричневый орехх. 2012 гр.
Сообщений: 17,178
dg972 dg972 dg972 dg972 dg972 dg972 dg972 dg972 dg972 dg972 dg972
По умолчанию Автоэлектрика - общие вопросы. Фаза-1

В этой теме пишем о неординарных решениях каких-либо проблем, касающихся электрики в Дастере и не только.

Предохранители и реле
СВЕТОВЫЕ ИНДИКАТОРЫ ПРИБОРНОЙ ПАНЕЛИ
Лампы ( фары , противотуманки, габариты )
Цвета проводов
ЦЭКБС, коричневый разъём, А6-сигнал скорости авто.
Функция "corner lights" своими руками.
Контроллер перегоревшей лампы СС.
Мощность (электрическая) штатных звуковых сигналов.
Распиновка разъёма фаркопа (7 pin)
Фото разъемов приборной панели.
Зарядка гаджетов через USB
Замена задних фонарей на рестайлинговые.
Расположения проводки по салону с цветовой идентификацией проводов на стоп-сигналы.
Включение звукового сигнала.
Обзор и замена ручек отопителя для Лада Ларгус
Электросхемы
Распиновка разъемов щитка приборов Sandero Stepway и Duster Luxe
Вентилятор отопителя салона. Как снять. Видео.

Последний раз редактировалось dg972; 17.02.2021 в 13:25.
dg972 вне форума   Вверх Ответить с цитированием
6 пользователя(ей) сказали cпасибо:
Это может быть интересно
Старый 07.02.2015, 23:59   #241
aca300
Местный
 
Аватар для aca300
 
Имя: Антон
Регистрация: 25.08.2013
Адрес: Родина Первого Совета (Иваново)
Авто: Лада Vesta АМТ
Сообщений: 1,901
aca300 aca300 aca300 aca300 aca300
Отправить сообщение для aca300 с помощью Skype™
По умолчанию

Цитата:
Сообщение от сова Посмотреть сообщение
Два реле например Регтайм-3 от "Энергомаш" - 624р.
Три диода ~ 30р. максимум
Плюс колодки для реле и пол-метра провода.

---------- Сообщение добавлено в 23:06 ---------- Предыдущее сообщение размещено в 23:02 ----------


Соврал - диодов надо 4 шт.
Отлично!!! Но кое что забыл. Работа!!! Можно в личку.
__________________
Я против ксенона...
aca300 вне форума   Вверх Ответить с цитированием
Это может быть интересно
Старый 08.02.2015, 00:05   #242
сова
Член клуба
Член клуба
 
Аватар для сова
 
Имя: Юрий
Регистрация: 21.12.2013
Адрес: Новая Москва
Сообщений: 304
сова сова
По умолчанию

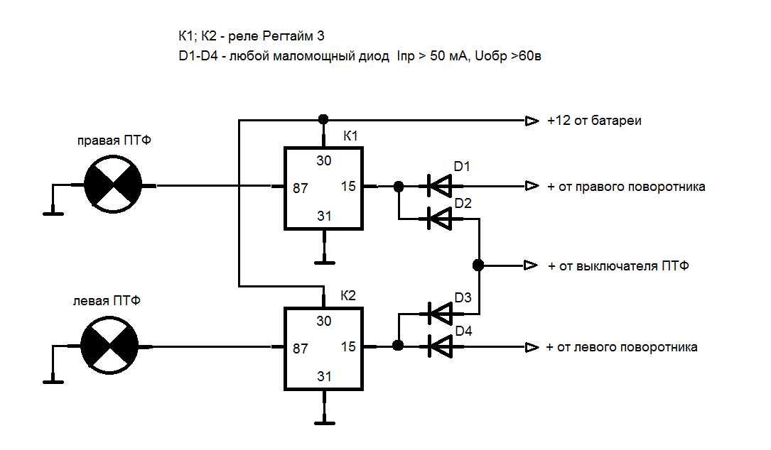
Ну вот и схемка поспела.
Реле настроить на задержку примерно 0,5 секунды. При включении выключателя противотуманок оба реле будут включены и будут гореть обе ПТФ. Если переключатель выключен и будут идти импульсы то поворотника, соответствующая ему ПТФка будет гореть. Выключаться будут с задержкой установленной при настройке реле.
Миниатюры
Нажмите на изображение для увеличения
Название: боковой свет.png
Просмотров: 2510
Размер:	22.8 Кб
ID:	42188  
сова вне форума   Вверх Ответить с цитированием
3 пользователя(ей) сказали cпасибо:
Старый 08.02.2015, 00:09   #243
сова
Член клуба
Член клуба
 
Аватар для сова
 
Имя: Юрий
Регистрация: 21.12.2013
Адрес: Новая Москва
Сообщений: 304
сова сова
По умолчанию

Цитата:
Сообщение от aca300 Посмотреть сообщение
Отлично!!! Но кое что забыл. Работа!!! Можно в личку.
Антон, там вся работа - смонтировать реле на машину. Ты слишком далеко, ни чем помочь не смогу. Если только советом.
сова вне форума   Вверх Ответить с цитированием
2 пользователя(ей) сказали cпасибо:
Старый 08.02.2015, 00:19   #244
Valera
Тюнинг
 
Аватар для Valera
 
Имя: Валерий
Регистрация: 12.12.2012
Адрес: Москва
Авто: Kia Ceed JD
Сообщений: 1,011
Valera Valera Valera Valera
По умолчанию

он в Москве...
__________________
пересвет, активация БК(и на Ф2)часов, подсветки приборки, автовключения з.дворника,установка круиза (и даже без проводки), автосвет/ДХО, коррекция пробега Ф1;2, автозапирание, регул.пауза дворников(Ф1 и Ф2), "ленивые поворотники", подогревы и другие эл. поделки ;
диагностика Clip.
а также руль и р. кпп в Кожу)))
https://vk.com/club152397142
Valera вне форума   Вверх Ответить с цитированием
2 пользователя(ей) сказали cпасибо:
Старый 08.02.2015, 01:55   #245
aca300
Местный
 
Аватар для aca300
 
Имя: Антон
Регистрация: 25.08.2013
Адрес: Родина Первого Совета (Иваново)
Авто: Лада Vesta АМТ
Сообщений: 1,901
aca300 aca300 aca300 aca300 aca300
Отправить сообщение для aca300 с помощью Skype™
По умолчанию

Цитата:
Сообщение от Valera Посмотреть сообщение
он в Москве...
Валер, я ещё тебя не замучил. Оставь пути к отступлению

---------- Сообщение добавлено в 03:55 ---------- Предыдущее сообщение размещено в 03:48 ----------

Цитата:
Сообщение от сова Посмотреть сообщение
Ну вот и схемка поспела.
Реле настроить на задержку примерно 0,5 секунды. При включении выключателя противотуманок оба реле будут включены и будут гореть обе ПТФ. Если переключатель выключен и будут идти импульсы то поворотника, соответствующая ему ПТФка будет гореть. Выключаться будут с задержкой установленной при настройке реле.
- Как настроить реле на 0.5 сек?
- "+ от выключателя ПТФ", это после подрулевого? т.е. + который приходит на штатное реле ПТФ?
__________________
Я против ксенона...
aca300 вне форума   Вверх Ответить с цитированием
Старый 08.02.2015, 05:51   #246
сова
Член клуба
Член клуба
 
Аватар для сова
 
Имя: Юрий
Регистрация: 21.12.2013
Адрес: Новая Москва
Сообщений: 304
сова сова
По умолчанию

Цитата:
Сообщение от aca300 Посмотреть сообщение
- Как настроить реле на 0.5 сек?
На нем "крутилка" есть.
Цитата:
Сообщение от aca300 Посмотреть сообщение
- "+ от выключателя ПТФ", это после подрулевого? т.е. + который приходит на штатное реле ПТФ?
Да. Еще "+ от батареи" и "массу" тоже можно оттуда взять.
А про индикацию-то включения ПТФ я забыл. Придется еще два диода добавить от выходов реле на приборку.

Последний раз редактировалось сова; 08.02.2015 в 08:02.
сова вне форума   Вверх Ответить с цитированием
2 пользователя(ей) сказали cпасибо:
Старый 08.02.2015, 11:40   #247
aca300
Местный
 
Аватар для aca300
 
Имя: Антон
Регистрация: 25.08.2013
Адрес: Родина Первого Совета (Иваново)
Авто: Лада Vesta АМТ
Сообщений: 1,901
aca300 aca300 aca300 aca300 aca300
Отправить сообщение для aca300 с помощью Skype™
По умолчанию

Цитата:
Сообщение от сова Посмотреть сообщение
Да. Еще "+ от батареи" и "массу" тоже можно оттуда взять.
А про индикацию-то включения ПТФ я забыл. Придется еще два диода добавить от выходов реле на приборку.
А зачем "+ от выключателя ПТФ" подключать? Они могут и от штатного реле включаться на постоянку.
__________________
Я против ксенона...
aca300 вне форума   Вверх Ответить с цитированием
Старый 08.02.2015, 12:48   #248
сова
Член клуба
Член клуба
 
Аватар для сова
 
Имя: Юрий
Регистрация: 21.12.2013
Адрес: Новая Москва
Сообщений: 304
сова сова
По умолчанию

Цитата:
Сообщение от aca300 Посмотреть сообщение
А зачем "+ от выключателя ПТФ" подключать? Они могут и от штатного реле включаться на постоянку.
Какой смысл оставлять штатное реле если нагрузка пойдет через вновь установленные. Т.е. Штатное реле будет просто давать сигнал на включение двух дополнительных.
сова вне форума   Вверх Ответить с цитированием
Пользователь сказал cпасибо:
Старый 08.02.2015, 12:52   #249
zigzag
Член клуба
Член клуба
 
Аватар для zigzag
 
Имя: Дмитрий
Регистрация: 16.12.2012
Адрес: Москва
Авто: дизель привеледж ESP
Сообщений: 3,064
zigzag zigzag zigzag zigzag zigzag
Отправить сообщение для zigzag с помощью ICQ
По умолчанию

Цитата:
Сообщение от сова Посмотреть сообщение
Соврал - диодов надо 4 шт.
а можно D2 и D3 совместить? т.е. один поставить
тогда не соврал)))
__________________
Я не хороший и не плохой. Я добрый в злую полосочку.
каталог
zigzag вне форума   Вверх Ответить с цитированием
Старый 08.02.2015, 12:57   #250
сова
Член клуба
Член клуба
 
Аватар для сова
 
Имя: Юрий
Регистрация: 21.12.2013
Адрес: Новая Москва
Сообщений: 304
сова сова
По умолчанию

Цитата:
Сообщение от zigzag Посмотреть сообщение
а можно D2 и D3 совместить? т.е. один поставить тогда не соврал)))
Как же один, тогда входы обоих реле окажутся объединены и включать их по отдельности не получится.
сова вне форума   Вверх Ответить с цитированием
2 пользователя(ей) сказали cпасибо:
Старый 08.02.2015, 13:02   #251
zigzag
Член клуба
Член клуба
 
Аватар для zigzag
 
Имя: Дмитрий
Регистрация: 16.12.2012
Адрес: Москва
Авто: дизель привеледж ESP
Сообщений: 3,064
zigzag zigzag zigzag zigzag zigzag
Отправить сообщение для zigzag с помощью ICQ
По умолчанию

про по отдельности забыл
__________________
Я не хороший и не плохой. Я добрый в злую полосочку.
каталог
zigzag вне форума   Вверх Ответить с цитированием
Пользователь сказал cпасибо:
Старый 08.02.2015, 16:08   #252
aca300
Местный
 
Аватар для aca300
 
Имя: Антон
Регистрация: 25.08.2013
Адрес: Родина Первого Совета (Иваново)
Авто: Лада Vesta АМТ
Сообщений: 1,901
aca300 aca300 aca300 aca300 aca300
Отправить сообщение для aca300 с помощью Skype™
По умолчанию

Цитата:
Сообщение от сова Посмотреть сообщение
Какой смысл оставлять штатное реле если нагрузка пойдет через вновь установленные. Т.е. Штатное реле будет просто давать сигнал на включение двух дополнительных.
Я имел ввиду:
исключить из схемы связку D2-D3-"+ от выключателя ПТФ".
останутся D1, D4, K1, K2 и подключения к +12, к ПТФ, к + поворотников.

Тогда К1 и К2 будут работать только в момент включения поворотников, а штатное при вкл подрулевого. Т.е. параллельно.

---------- Сообщение добавлено в 18:08 ---------- Предыдущее сообщение размещено в 18:06 ----------

Я понял, почему проще отключить штатное реле
Просто ПТФ подключены параллельно и их всё равно придётся разъединять, и тогда штатное реле всё-равно без работы.
__________________
Я против ксенона...
aca300 вне форума   Вверх Ответить с цитированием
2 пользователя(ей) сказали cпасибо:
Старый 08.02.2015, 16:30   #253
сова
Член клуба
Член клуба
 
Аватар для сова
 
Имя: Юрий
Регистрация: 21.12.2013
Адрес: Новая Москва
Сообщений: 304
сова сова
По умолчанию

Цитата:
Сообщение от aca300 Посмотреть сообщение
Просто ПТФ подключены параллельно и их всё равно придётся разъединять, и тогда штатное реле всё-равно без работы.
Точно!
сова вне форума   Вверх Ответить с цитированием
2 пользователя(ей) сказали cпасибо:
Старый 08.02.2015, 22:32   #254
dg972
Член клуба
Член клуба
 
Аватар для dg972
 
Имя: Дмитрий
Регистрация: 23.12.2012
Адрес: Москва
Авто: Privilege 4x4 2.0 МКП6. Чип АДАКТ. Коричневый орехх. 2012 гр.
Сообщений: 17,178
dg972 dg972 dg972 dg972 dg972 dg972 dg972 dg972 dg972 dg972 dg972
По умолчанию

Вопрос сове. Как сделать примитивный датчик тока? Хочу замутить индикацию перегоревшей лампы стоп-сигнала.
__________________
"во время войны нельзя говорить плохо о своих, НИКОГДА" ©

Кто понял жизнь тот больше не спешит,
смакует каждый миг и наблюдает.

Мой бортовой журнал. Новое сообщение.
....
dg972 вне форума   Вверх Ответить с цитированием
Старый 08.02.2015, 23:24   #255
Valera
Тюнинг
 
Аватар для Valera
 
Имя: Валерий
Регистрация: 12.12.2012
Адрес: Москва
Авто: Kia Ceed JD
Сообщений: 1,011
Valera Valera Valera Valera
По умолчанию

Цитата:
Сообщение от aca300 Посмотреть сообщение
Валер, я ещё тебя не замучил. Оставь пути к отступлению
нормально) быстро забывается))
__________________
пересвет, активация БК(и на Ф2)часов, подсветки приборки, автовключения з.дворника,установка круиза (и даже без проводки), автосвет/ДХО, коррекция пробега Ф1;2, автозапирание, регул.пауза дворников(Ф1 и Ф2), "ленивые поворотники", подогревы и другие эл. поделки ;
диагностика Clip.
а также руль и р. кпп в Кожу)))
https://vk.com/club152397142
Valera вне форума   Вверх Ответить с цитированием
Пользователь сказал cпасибо:
Старый 09.02.2015, 02:01   #256
сова
Член клуба
Член клуба
 
Аватар для сова
 
Имя: Юрий
Регистрация: 21.12.2013
Адрес: Новая Москва
Сообщений: 304
сова сова
По умолчанию

Цитата:
Сообщение от dg972 Посмотреть сообщение
Как сделать примитивный датчик тока? Хочу замутить индикацию перегоревшей лампы стоп-сигнала.
Дим, пара вопросов. У нас в дополнительном стоп-сигнале лампа тоже 21Вт или меньше? Куда будешь индикацию выводить?
сова вне форума   Вверх Ответить с цитированием
Старый 09.02.2015, 07:27   #257
dg972
Член клуба
Член клуба
 
Аватар для dg972
 
Имя: Дмитрий
Регистрация: 23.12.2012
Адрес: Москва
Авто: Privilege 4x4 2.0 МКП6. Чип АДАКТ. Коричневый орехх. 2012 гр.
Сообщений: 17,178
dg972 dg972 dg972 dg972 dg972 dg972 dg972 dg972 dg972 dg972 dg972
По умолчанию

В доп. СС лампа 16Ватт. Индикация, это уже второй ворос. На приборке вроде есть свободные индикаторы, можно туда. Если меня глючит, то отдельным светиком куда нибудь.
__________________
"во время войны нельзя говорить плохо о своих, НИКОГДА" ©

Кто понял жизнь тот больше не спешит,
смакует каждый миг и наблюдает.

Мой бортовой журнал. Новое сообщение.
....
dg972 вне форума   Вверх Ответить с цитированием
Старый 09.02.2015, 10:51   #258
сова
Член клуба
Член клуба
 
Аватар для сова
 
Имя: Юрий
Регистрация: 21.12.2013
Адрес: Новая Москва
Сообщений: 304
сова сова
По умолчанию

Дима, давай прикинем, общая мощность ламп при номинальном напряжении 16+21+21 = 58Вт, ток в цепи 58/14= 4,1А. если перегорит маленькая 16Вт лампа, мощность снизится до 42Вт и ток будет 42/14=3А. При снижении напряжения в бортовой сети до 10,5В ток в снизится примерно на 15%(чтобы посчитать точно надо знать ВАХ ламп) и будет равен 4,1А-15%=3,5А если все лампы целы и 3А-15%=2,6А если перегорела маленькая лампа. Отсюда следует, что датчик тока должен срабатывать по середине интервала 3,5А - 3.0А, т.е. 3,25А и обладать погрешностью при любых внешних условиях не более +- (7,5%-% отклонения номинальной мощности ламп).
Чего-то пока нет уверенности, что примитивный датчик тока справится с такой задачей, но попробовать можно.
Самый примитивный датчик тока это низкоомный резистор включенный последовательно с нагрузкой. по падению напряжения на нем можно определить ток в цепи. Позже попробую схемку нарисовать.
сова вне форума   Вверх Ответить с цитированием
Старый 09.02.2015, 11:32   #259
dg972
Член клуба
Член клуба
 
Аватар для dg972
 
Имя: Дмитрий
Регистрация: 23.12.2012
Адрес: Москва
Авто: Privilege 4x4 2.0 МКП6. Чип АДАКТ. Коричневый орехх. 2012 гр.
Сообщений: 17,178
dg972 dg972 dg972 dg972 dg972 dg972 dg972 dg972 dg972 dg972 dg972
По умолчанию

Цитата:
Сообщение от сова Посмотреть сообщение
низкоомный резистор
Вот чего мне не хотелось, так это его. А доп.СС можно и пренебречь. имхо
__________________
"во время войны нельзя говорить плохо о своих, НИКОГДА" ©

Кто понял жизнь тот больше не спешит,
смакует каждый миг и наблюдает.

Мой бортовой журнал. Новое сообщение.
....
dg972 вне форума   Вверх Ответить с цитированием
Старый 09.02.2015, 16:50   #260
сова
Член клуба
Член клуба
 
Аватар для сова
 
Имя: Юрий
Регистрация: 21.12.2013
Адрес: Новая Москва
Сообщений: 304
сова сова
По умолчанию

Цитата:
Сообщение от сова Посмотреть сообщение
Позже попробую схемку нарисовать.
Вот нарисовал. В симуляторе неплохо работает, можно попробовать.


Дим, если без резистора, то можно использовать интегральный датчик тока + компаратор, но это будет уже не примитивный.
Миниатюры
Нажмите на изображение для увеличения
Название: дт2.jpg
Просмотров: 1790
Размер:	60.1 Кб
ID:	42540  

Последний раз редактировалось сова; 13.02.2015 в 22:40.
сова вне форума   Вверх Ответить с цитированием
2 пользователя(ей) сказали cпасибо:
Ответ


Ваши права в разделе
Вы не можете создавать новые темы
Вы не можете отвечать в темах
Вы не можете прикреплять вложения
Вы не можете редактировать свои сообщения

BB коды Вкл.
Смайлы Вкл.
[IMG] код Вкл.
HTML код Выкл.

Быстрый переход


Текущее время: 07:07. Часовой пояс GMT +3.
Powered by vBulletin® Version 3.8.7
Copyright ©2000 - 2025, vBulletin Solutions, Inc. Перевод: zCarot
vB.Sponsors

Яндекс.Метрика