Вернуться на главную

Вернуться   Форум Клуба Рено Дастер / Renault Duster Club > Техническая информация Рено Дастер > Электрооборудование и оптика > Электрика

Важная информация


Ответ
 
Опции темы Поиск в этой теме Опции просмотра
Старый 11.08.2014, 22:17   #1
dg972
Член клуба
Член клуба
 
Аватар для dg972
 
Имя: Дмитрий
Регистрация: 23.12.2012
Адрес: Москва
Авто: Privilege 4x4 2.0 МКП6. Чип АДАКТ. Коричневый орехх. 2012 гр.
Сообщений: 17,178
dg972 dg972 dg972 dg972 dg972 dg972 dg972 dg972 dg972 dg972 dg972
По умолчанию Автоэлектрика - общие вопросы. Фаза-1

В этой теме пишем о неординарных решениях каких-либо проблем, касающихся электрики в Дастере и не только.

Предохранители и реле
СВЕТОВЫЕ ИНДИКАТОРЫ ПРИБОРНОЙ ПАНЕЛИ
Лампы ( фары , противотуманки, габариты )
Цвета проводов
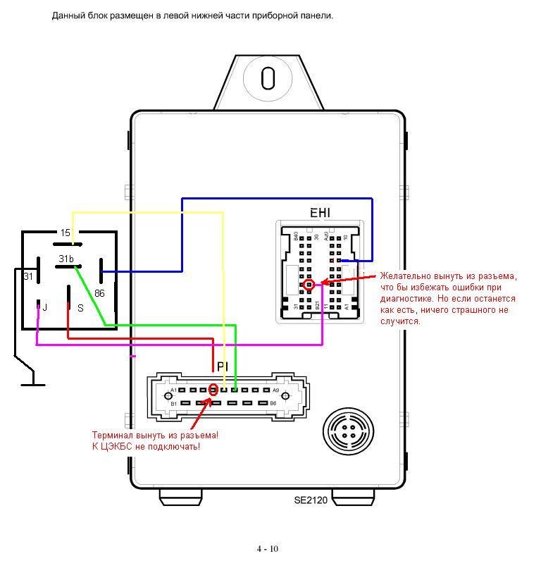
ЦЭКБС, коричневый разъём, А6-сигнал скорости авто.
Функция "corner lights" своими руками.
Контроллер перегоревшей лампы СС.
Мощность (электрическая) штатных звуковых сигналов.
Распиновка разъёма фаркопа (7 pin)
Фото разъемов приборной панели.
Зарядка гаджетов через USB
Замена задних фонарей на рестайлинговые.
Расположения проводки по салону с цветовой идентификацией проводов на стоп-сигналы.
Включение звукового сигнала.
Обзор и замена ручек отопителя для Лада Ларгус
Электросхемы
Распиновка разъемов щитка приборов Sandero Stepway и Duster Luxe
Вентилятор отопителя салона. Как снять. Видео.

Последний раз редактировалось dg972; 17.02.2021 в 12:25.
dg972 вне форума   Вверх Ответить с цитированием
6 пользователя(ей) сказали cпасибо:
Это может быть интересно
Старый 08.11.2014, 22:11   #161
aca300
Местный
 
Аватар для aca300
 
Имя: Антон
Регистрация: 25.08.2013
Адрес: Родина Первого Совета (Иваново)
Авто: Лада Vesta АМТ
Сообщений: 1,901
aca300 aca300 aca300 aca300 aca300
Отправить сообщение для aca300 с помощью Skype™
По умолчанию

ЦЭКБС где находится? Место? Дальше думаю разберусь.
__________________
Я против ксенона...
aca300 вне форума   Вверх Ответить с цитированием
Это может быть интересно
Старый 08.11.2014, 22:16   #162
Valera
Тюнинг
 
Аватар для Valera
 
Имя: Валерий
Регистрация: 12.12.2012
Адрес: Москва
Авто: Kia Ceed JD
Сообщений: 1,011
Valera Valera Valera Valera
По умолчанию

под торпедой, над левым коленом...
__________________
пересвет, активация БК(и на Ф2)часов, подсветки приборки, автовключения з.дворника,установка круиза (и даже без проводки), автосвет/ДХО, коррекция пробега Ф1;2, автозапирание, регул.пауза дворников(Ф1 и Ф2), "ленивые поворотники", подогревы и другие эл. поделки ;
диагностика Clip.
а также руль и р. кпп в Кожу)))
https://vk.com/club152397142
Valera вне форума   Вверх Ответить с цитированием
Пользователь сказал cпасибо:
Старый 08.11.2014, 22:19   #163
aca300
Местный
 
Аватар для aca300
 
Имя: Антон
Регистрация: 25.08.2013
Адрес: Родина Первого Совета (Иваново)
Авто: Лада Vesta АМТ
Сообщений: 1,901
aca300 aca300 aca300 aca300 aca300
Отправить сообщение для aca300 с помощью Skype™
По умолчанию

Цитата:
Сообщение от Valera Посмотреть сообщение
под торпедой, над левым коленом...
Он? А где коричневый раъём?
Миниатюры
Нажмите на изображение для увеличения
Название: image.jpg
Просмотров: 2257
Размер:	225.0 Кб
ID:	35587  
__________________
Я против ксенона...
aca300 вне форума   Вверх Ответить с цитированием
Старый 08.11.2014, 22:22   #164
aca300
Местный
 
Аватар для aca300
 
Имя: Антон
Регистрация: 25.08.2013
Адрес: Родина Первого Совета (Иваново)
Авто: Лада Vesta АМТ
Сообщений: 1,901
aca300 aca300 aca300 aca300 aca300
Отправить сообщение для aca300 с помощью Skype™
По умолчанию

Цитата:
Сообщение от Valera Посмотреть сообщение
цэкбс, коричневый разъём, А6-сигнал скорости авто.
А6 - под синим проводом в разъёме ЕНI. Правильно?
Миниатюры
Нажмите на изображение для увеличения
Название: image.jpg
Просмотров: 1845
Размер:	86.3 Кб
ID:	35588  
__________________
Я против ксенона...

Последний раз редактировалось aca300; 08.11.2014 в 22:49.
aca300 вне форума   Вверх Ответить с цитированием
Старый 08.11.2014, 22:48   #165
Valera
Тюнинг
 
Аватар для Valera
 
Имя: Валерий
Регистрация: 12.12.2012
Адрес: Москва
Авто: Kia Ceed JD
Сообщений: 1,011
Valera Valera Valera Valera
По умолчанию

блок цэкбс по картинкам уже нашли-гуд. в нём (если всё таки щупать его руками натурально, а не по инету) есть 2 разъёма. белый большой-который нам нафик не нужен сейчас и черный. В котором он делится на 2 половинки: коричневую и зеленую. нам нужна коричневая часть. вытащите-увидите оцифровку. глядишь и роды по инету состоятся.
__________________
пересвет, активация БК(и на Ф2)часов, подсветки приборки, автовключения з.дворника,установка круиза (и даже без проводки), автосвет/ДХО, коррекция пробега Ф1;2, автозапирание, регул.пауза дворников(Ф1 и Ф2), "ленивые поворотники", подогревы и другие эл. поделки ;
диагностика Clip.
а также руль и р. кпп в Кожу)))
https://vk.com/club152397142
Valera вне форума   Вверх Ответить с цитированием
Пользователь сказал cпасибо:
Старый 08.11.2014, 22:55   #166
aca300
Местный
 
Аватар для aca300
 
Имя: Антон
Регистрация: 25.08.2013
Адрес: Родина Первого Совета (Иваново)
Авто: Лада Vesta АМТ
Сообщений: 1,901
aca300 aca300 aca300 aca300 aca300
Отправить сообщение для aca300 с помощью Skype™
По умолчанию

Цитата:
Сообщение от Valera Посмотреть сообщение
блок цэкбс по картинкам уже нашли-гуд. в нём (если всё таки щупать его руками натурально, а не по инету) есть 2 разъёма. белый большой-который нам нафик не нужен сейчас и черный. В котором он делится на 2 половинки: коричневую и зеленую. нам нужна коричневая часть. вытащите-увидите оцифровку. глядишь и роды по инету состоятся.
Понял!!!
Поправил предыдущий пост.

---------- Сообщение добавлено в 01:55 ---------- Предыдущее сообщение размещено в 01:51 ----------

Последний вопрос. Как правильно отсоединяется разъём? Чтобы не сломать.
__________________
Я против ксенона...
aca300 вне форума   Вверх Ответить с цитированием
Старый 09.11.2014, 09:26   #167
Skipper-Влад
Супер-модератор
Член клуба
 
Аватар для Skipper-Влад
 
Имя: Владислав
Регистрация: 09.12.2012
Адрес: Ульяновск
Авто: Duster Privilege 2.0 4х4
Сообщений: 12,580
Skipper-Влад Skipper-Влад Skipper-Влад Skipper-Влад Skipper-Влад Skipper-Влад Skipper-Влад Skipper-Влад Skipper-Влад Skipper-Влад Skipper-Влад
Отправить сообщение для Skipper-Влад с помощью ICQ
По умолчанию

aca300, У меня в бортовом "Установка круиза", там и картинки и описание ...
http://duster-clubs.ru/forum/showthr...458#post109458
__________________

"С тех пор, как я стал водить машину, я стал осторожнее переходить дорогу."
"Будь внимателен на дорогах. Помни: ты явился на свет без запасных частей."
Skipper-Влад вне форума   Вверх Ответить с цитированием
Пользователь сказал cпасибо:
Старый 09.11.2014, 20:54   #168
dg972
Член клуба
Член клуба
 
Аватар для dg972
 
Имя: Дмитрий
Регистрация: 23.12.2012
Адрес: Москва
Авто: Privilege 4x4 2.0 МКП6. Чип АДАКТ. Коричневый орехх. 2012 гр.
Сообщений: 17,178
dg972 dg972 dg972 dg972 dg972 dg972 dg972 dg972 dg972 dg972 dg972
По умолчанию

"ЭлектроМааньяки!"
"Курим" http://www.12v.ru/site.xp/
Появились новинки!
__________________
"во время войны нельзя говорить плохо о своих, НИКОГДА" ©

Кто понял жизнь тот больше не спешит,
смакует каждый миг и наблюдает.

Мой бортовой журнал. Новое сообщение.
....
dg972 вне форума   Вверх Ответить с цитированием
2 пользователя(ей) сказали cпасибо:
Старый 15.11.2014, 19:09   #169
Серёга-73
Член клуба
Член клуба
 
Аватар для Серёга-73
 
Имя: Сергей
Регистрация: 08.09.2013
Адрес: Ульяновск
Авто: Luxe 2.0LPG МКПП4х4; ESP; КК; Biltema; ГБО Lovato Smart/Fast
Сообщений: 1,912
Серёга-73 Серёга-73 Серёга-73 Серёга-73 Серёга-73
По умолчанию

Цитата:
Сообщение от dg972 Посмотреть сообщение
"ЭлектроМааньяки!"
"Курим" http://www.12v.ru/site.xp/
Появились новинки!
Часто в последнее время начал замечать что Энергомаш начал всё чаще перепаковывать китайские товары с Алиэкспресса!
Серёга-73 вне форума   Вверх Ответить с цитированием
Пользователь сказал cпасибо:
Старый 15.11.2014, 19:10   #170
dg972
Член клуба
Член клуба
 
Аватар для dg972
 
Имя: Дмитрий
Регистрация: 23.12.2012
Адрес: Москва
Авто: Privilege 4x4 2.0 МКП6. Чип АДАКТ. Коричневый орехх. 2012 гр.
Сообщений: 17,178
dg972 dg972 dg972 dg972 dg972 dg972 dg972 dg972 dg972 dg972 dg972
По умолчанию

Цитата:
Сообщение от Серёга-73 Посмотреть сообщение
замечать
Мда, не исключено.
__________________
"во время войны нельзя говорить плохо о своих, НИКОГДА" ©

Кто понял жизнь тот больше не спешит,
смакует каждый миг и наблюдает.

Мой бортовой журнал. Новое сообщение.
....
dg972 вне форума   Вверх Ответить с цитированием
Старый 15.11.2014, 23:47   #171
Серёга-73
Член клуба
Член клуба
 
Аватар для Серёга-73
 
Имя: Сергей
Регистрация: 08.09.2013
Адрес: Ульяновск
Авто: Luxe 2.0LPG МКПП4х4; ESP; КК; Biltema; ГБО Lovato Smart/Fast
Сообщений: 1,912
Серёга-73 Серёга-73 Серёга-73 Серёга-73 Серёга-73
По умолчанию

Цитата:
Сообщение от dg972 Посмотреть сообщение
Мда, не исключено.
к примеру Датчик уровня жидкости горизонтальный SLM-MH21C:
http://www.12v.ru/site.xp/0500560501...052051124.html
И тот же датчик на Алиэкспрессе: http://ru.aliexpress.com/item/MiniDe...468534168.html
Найдите хотябы одно отличие!???
Ранее я думал что это делает Энергомаш... а он лишь перепаковывает... или максимум только ставит их электронику в свой корпус... так же видел на сайте Али... и релюшки по напряжению и обогреватели и прочее... прочее из их асортимента.... извините но сылки не сохранил....

---------- Сообщение добавлено в 00:47 ---------- Предыдущее сообщение размещено в 00:44 ----------

Цитата:
Сообщение от dg972 Посмотреть сообщение
"ЭлектроМааньяки!"
"Курим" http://www.12v.ru/site.xp/
Появились новинки!
И скорее всего эти новинки можно найдти на алиэкспрессе... главно правильно забить в их алиэкспрессный поисковик...
Серёга-73 вне форума   Вверх Ответить с цитированием
Пользователь сказал cпасибо:
Старый 24.11.2014, 19:42   #172
Stazm
Член клуба
Член клуба
 
Имя: Станислав
Регистрация: 19.10.2013
Адрес: Москва, ВАО
Авто: Privelege+2.0+МКПП+4х4+ESP+ДДУ и ЧИП от SVV
Сообщений: 119
Stazm
По умолчанию

Цитата:
Сообщение от YuriyVZ Посмотреть сообщение
Не..., этого точно делать не буду, т.к. скорее всего не понадобится.


Переформулирую чайниковский вопрос: "может ли заведенная машина ехать вообще без аккума?". По опыту логановских аккумов они помирают сразу и совсем, без возможности зарядить. А если где-то далеко от дома, то спасет ли пусковое устройство?
Да можно. Проверено личным опытом, правда на 960 Вольво. Но аккум играет роль стабилизатора. Без него весь свет и внутри и снаружи будет пульсировать: повысил обороты - ярче, сбросил - тускнеет.
Stazm вне форума   Вверх Ответить с цитированием
Пользователь сказал cпасибо:
Старый 25.11.2014, 18:28   #173
Rinatma
Член клуба
Член клуба
 
Аватар для Rinatma
 
Имя: Ринат
Регистрация: 16.10.2013
Адрес: Златоуст, Челябинская обл., УрФО
Авто: Платиновый Priv 2.0 4х4 МКП, ESP, Подухи.
Сообщений: 433
Rinatma Rinatma Rinatma Rinatma
По умолчанию

Сегодня получил такой прикол:
Вышел с работы, завелся, поехал.
В пути оказалось, что не работает левый поворотник. Правый исправно моргает. Т.е включаю правый - все работает. Включаю левый- и ничего.
Доехал до дома, периодически проверяя работоспособность левого. Так и не заработал. Возле дома вышел, проверил, может только в салоне нет индикации - но нет, на улице тоже ничего не моргает. Включил аварийку - все лампы моргают по обоим бортам. Поехал далее по делам. Проехав немного понял, что и левый поворотник заработал.
Никто с таким не сталкивался? Что это могло быть?
__________________
Rinatma вне форума   Вверх Ответить с цитированием
Старый 25.11.2014, 18:35   #174
Бурый медведь (Bear)
Остатки клубных закупок
Член клуба
 
Аватар для Бурый медведь (Bear)
 
Имя: Игорь
Регистрация: 16.12.2012
Адрес: Москва СВАО, Краснодар
Авто: Renault Duster Expression 1.6 4x2 +БК +ДДУ, чип, тюнинг валов от SVV
Сообщений: 7,092
Бурый медведь (Bear) Бурый медведь (Bear) Бурый медведь (Bear) Бурый медведь (Bear) Бурый медведь (Bear) Бурый медведь (Bear) Бурый медведь (Bear) Бурый медведь (Bear) Бурый медведь (Bear)
По умолчанию

Rinatma, этот глюк пока так и лечится аварийкой.
__________________
у меня можно приобрести клубную символику
3 клубные карты
4 текстовые белые наклейки, 4 чёрные, 4 белые Ф2, 17 чёрных Ф2, 41 чёрных малых, 38 duster-sprint
3 наклейки с логотипом, 2 внутренние, 19 внутренних чёрных
клубные календари 2014, 2015, 2016 отдам на память

Остатки клубных закупок
Бурый медведь (Bear) вне форума   Вверх Ответить с цитированием
Пользователь сказал cпасибо:
Старый 25.11.2014, 18:38   #175
Skipper-Влад
Супер-модератор
Член клуба
 
Аватар для Skipper-Влад
 
Имя: Владислав
Регистрация: 09.12.2012
Адрес: Ульяновск
Авто: Duster Privilege 2.0 4х4
Сообщений: 12,580
Skipper-Влад Skipper-Влад Skipper-Влад Skipper-Влад Skipper-Влад Skipper-Влад Skipper-Влад Skipper-Влад Skipper-Влад Skipper-Влад Skipper-Влад
Отправить сообщение для Skipper-Влад с помощью ICQ
По умолчанию

Есть глюк когда поворотник того или иного борта всегда горит... Этот глюк называется замыкание контактов реле в автосигнализации...
__________________

"С тех пор, как я стал водить машину, я стал осторожнее переходить дорогу."
"Будь внимателен на дорогах. Помни: ты явился на свет без запасных частей."
Skipper-Влад вне форума   Вверх Ответить с цитированием
Пользователь сказал cпасибо:
Старый 25.11.2014, 21:30   #176
dg972
Член клуба
Член клуба
 
Аватар для dg972
 
Имя: Дмитрий
Регистрация: 23.12.2012
Адрес: Москва
Авто: Privilege 4x4 2.0 МКП6. Чип АДАКТ. Коричневый орехх. 2012 гр.
Сообщений: 17,178
dg972 dg972 dg972 dg972 dg972 dg972 dg972 dg972 dg972 dg972 dg972
По умолчанию

Rinatma, друг!))) Это уже банально! ))) У меня это система: то левый не мигает, то ЦЗ двери не открывает.
__________________
"во время войны нельзя говорить плохо о своих, НИКОГДА" ©

Кто понял жизнь тот больше не спешит,
смакует каждый миг и наблюдает.

Мой бортовой журнал. Новое сообщение.
....
dg972 вне форума   Вверх Ответить с цитированием
Пользователь сказал cпасибо:
Старый 26.11.2014, 05:56   #177
Rinatma
Член клуба
Член клуба
 
Аватар для Rinatma
 
Имя: Ринат
Регистрация: 16.10.2013
Адрес: Златоуст, Челябинская обл., УрФО
Авто: Платиновый Priv 2.0 4х4 МКП, ESP, Подухи.
Сообщений: 433
Rinatma Rinatma Rinatma Rinatma
По умолчанию

Цитата:
Сообщение от dg972 Посмотреть сообщение
Rinatma, друг!))) Это уже банально! ))) У меня это система: то левый не мигает, то ЦЗ двери не открывает.
А у меня за 15 тыщ впервые.
Уж начал думать, что предохранители на Лево-Право разные.
__________________
Rinatma вне форума   Вверх Ответить с цитированием
Старый 26.11.2014, 07:32   #178
Clim
Член клуба
Член клуба
 
Аватар для Clim
 
Имя: Сергей
Регистрация: 09.12.2012
Адрес: Смоленск
Авто: Duster 1,5 dCi Ф2 (Жорик)
Сообщений: 3,388
Clim Clim Clim Clim Clim Clim Clim Clim Clim
Отправить сообщение для Clim с помощью ICQ
По умолчанию

Уже писал где-то, год назад была такая беда один раз, вылечилась не аварийкой, а простым выключением и повторным запуском движка.

Цитата:
Сообщение от dg972 Посмотреть сообщение
то ЦЗ двери не открывает
А такое бывает, когда запускаешься не дождавшись окончания проверки или банально заглох при трогании и просто запустился и дальше поехал. Нужно ключик в положение 1, цз закрыть-открыть, потом запуск и тогда все хорошо будет. Раньше напрягало, а ща уже на автомате это проделываешь и все ок.
__________________
Не бери дурного в голову и тяжёлого в руки и тогда ты проживешь долгую и счастливую жизнь



В наличии:
Клубные карты - 3 шт.
Clim вне форума   Вверх Ответить с цитированием
Пользователь сказал cпасибо:
Старый 26.11.2014, 21:20   #179
dg972
Член клуба
Член клуба
 
Аватар для dg972
 
Имя: Дмитрий
Регистрация: 23.12.2012
Адрес: Москва
Авто: Privilege 4x4 2.0 МКП6. Чип АДАКТ. Коричневый орехх. 2012 гр.
Сообщений: 17,178
dg972 dg972 dg972 dg972 dg972 dg972 dg972 dg972 dg972 dg972 dg972
По умолчанию

Цитата:
Сообщение от Rinatma Посмотреть сообщение
А у меня за 15 тыщ впервые.
Даже тема есть.
http://duster-clubs.ru/forum/showthr...EE%F0%EE%F2%E0
__________________
"во время войны нельзя говорить плохо о своих, НИКОГДА" ©

Кто понял жизнь тот больше не спешит,
смакует каждый миг и наблюдает.

Мой бортовой журнал. Новое сообщение.
....
dg972 вне форума   Вверх Ответить с цитированием
2 пользователя(ей) сказали cпасибо:
Старый 21.12.2014, 20:07   #180
Yakov163
Поклонник DUSTERa
Член клуба
 
Аватар для Yakov163
 
Имя: Яша
Регистрация: 11.12.2012
Адрес: Тольятти
Авто: Продал 26.10.2015. Рено дастер Expression 1.6 4*2 цвет серая платина
Сообщений: 1,736
Yakov163 Yakov163 Yakov163 Yakov163 Yakov163
По умолчанию

У меня такой вопрос, но на новый год на 3 дня хочется повесить гирлянды на 5ю дверь. Можно протянуть до прикуривателя? Работать будут?
__________________
Когда включаю габариты начинаю просыпаться, когда включаю ближний свет уже проснулся!
Yakov163 вне форума   Вверх Ответить с цитированием
Ответ


Ваши права в разделе
Вы не можете создавать новые темы
Вы не можете отвечать в темах
Вы не можете прикреплять вложения
Вы не можете редактировать свои сообщения

BB коды Вкл.
Смайлы Вкл.
[IMG] код Вкл.
HTML код Выкл.

Быстрый переход


Текущее время: 08:00. Часовой пояс GMT +3.
Powered by vBulletin® Version 3.8.7
Copyright ©2000 - 2026, vBulletin Solutions, Inc. Перевод: zCarot
vB.Sponsors

Яндекс.Метрика