Вернуться на главную

Вернуться   Форум Клуба Рено Дастер / Renault Duster Club > Техническая информация Рено Дастер > Электрооборудование и оптика > Электрика

Важная информация


Ответ
 
Опции темы Поиск в этой теме Опции просмотра
Старый 17.11.2023, 22:39   #1
mas123
Новичок
 
Имя: Андрей
Регистрация: 14.04.2023
Адрес: Архангельск
Авто: Рено Дастер, 1,6, 2013
Сообщений: 83
mas123
По умолчанию Не работают поворотники слева.

Здравствуйте. Перестали работать поворотники слева. Раньше периодически такая же проблема была в зимний период, когда машину заводишь с автозапуска. После перезапуска мотора снова поворотники работали. Сейчас же перезапуск мотора не помогает, аварийка также не помогает....
Сразу пришла мысль, что реле нужно найти и постукать об колено)) Но как понял у Дастеров нет реле на поворотники, тем более отдельно на левую сторону.
Где там можно покопаться? В чем причина может крыться?
mas123 вне форума   Вверх Ответить с цитированием
Это может быть интересно
Старый 18.11.2023, 00:05   #2
onebar
Местный
 
Имя: Юрий
Регистрация: 19.01.2014
Адрес: Курск
Авто: 2013 2.0 privilege 4x4
Сообщений: 682
onebar onebar
По умолчанию

Цитата:
Сообщение от mas123 Посмотреть сообщение
Здравствуйте. Перестали работать поворотники слева. Раньше периодически такая же проблема была в зимний период, когда машину заводишь с автозапуска. После перезапуска мотора снова поворотники работали. Сейчас же перезапуск мотора не помогает, аварийка также не помогает....
Сразу пришла мысль, что реле нужно найти и постукать об колено)) Но как понял у Дастеров нет реле на поворотники, тем более отдельно на левую сторону.
Где там можно покопаться? В чем причина может крыться?
Левый поворотник или правый, неважно, потом не работает, если совпадает его включение с включением поворотников с автозапуска, или просто включить аварийку, и не выключая ее-включить поворотник. Обычно перезапуск мотора помогает (выкл-вкл зажигания), если нет, снимите клемму с аккума минут на 10-15.
onebar вне форума   Вверх Ответить с цитированием
Пользователь сказал cпасибо:
Старый 18.11.2023, 00:08   #3
mas123
Новичок
 
Имя: Андрей
Регистрация: 14.04.2023
Адрес: Архангельск
Авто: Рено Дастер, 1,6, 2013
Сообщений: 83
mas123
По умолчанию

Цитата:
Сообщение от onebar Посмотреть сообщение
снимите клемму с аккума минут на 10-15.
Я вот тоже уже об этом думаю, что нужно попробовать снять клемму минут на 10. Спасибо. А аварийка и перезапуск не помогают более.
mas123 вне форума   Вверх Ответить с цитированием
Старый 18.11.2023, 07:32   #4
mas123
Новичок
 
Имя: Андрей
Регистрация: 14.04.2023
Адрес: Архангельск
Авто: Рено Дастер, 1,6, 2013
Сообщений: 83
mas123
По умолчанию

Седня проверю тогда, о результатах отпишусь.
mas123 вне форума   Вверх Ответить с цитированием
Старый 18.11.2023, 15:16   #5
mas123
Новичок
 
Имя: Андрей
Регистрация: 14.04.2023
Адрес: Архангельск
Авто: Рено Дастер, 1,6, 2013
Сообщений: 83
mas123
По умолчанию

В общем бес толку. Снимал клеммы с акб на час. Что ещё можно посмотреть? Переключатель работает, потому что иногда поворотники срабатывают - одиночная вспышка и всё.
mas123 вне форума   Вверх Ответить с цитированием
Старый 18.11.2023, 22:59   #6
onebar
Местный
 
Имя: Юрий
Регистрация: 19.01.2014
Адрес: Курск
Авто: 2013 2.0 privilege 4x4
Сообщений: 682
onebar onebar
По умолчанию

Если при включении аварийки все работают, то переключатель накрылся
onebar вне форума   Вверх Ответить с цитированием
Пользователь сказал cпасибо:
Старый 19.11.2023, 08:09   #7
YoKeL
Новичок
 
Имя: Дмитрий
Регистрация: 19.11.2023
Адрес: Красноярск
Сообщений: 1
YoKeL
По умолчанию

Похожая проблемма, только у меня вообще не работают (разве что когда сигналка постановка/снятие, но там свое реле как я понимаю). Полезу в блок ВСМ проверять ключи.
YoKeL вне форума   Вверх Ответить с цитированием
Старый 19.11.2023, 10:21   #8
onebar
Местный
 
Имя: Юрий
Регистрация: 19.01.2014
Адрес: Курск
Авто: 2013 2.0 privilege 4x4
Сообщений: 682
onebar onebar
По умолчанию

Предохранители как я понимаю, проверены? И еще-в поворотниках светодиоды случайно не стоят ? Они могут закоротить, может, защита какая есть у нас, на форде есть такое. После замены лампочки надо сбрасывать ошибку, пока не сбросишь, не горит поворотник или фара.
onebar вне форума   Вверх Ответить с цитированием
Старый 19.11.2023, 10:37   #9
mas123
Новичок
 
Имя: Андрей
Регистрация: 14.04.2023
Адрес: Архангельск
Авто: Рено Дастер, 1,6, 2013
Сообщений: 83
mas123
По умолчанию

Цитата:
Сообщение от onebar Посмотреть сообщение
Если при включении аварийки все работают, то переключатель накрылся
Да, при включении аварийки поворотники работают. Думается мне, что дело не в переключателе. Раньше эта проблема также возникала и решалась перезапуском двигателя. Что-то где-то в электронике как будто дело....
mas123 вне форума   Вверх Ответить с цитированием
Старый 19.11.2023, 11:28   #10
ambal70
Член клуба
Член клуба
 
Аватар для ambal70
 
Имя: Сергей
Регистрация: 19.12.2012
Адрес: г.Москва,м.Семеновская
Авто: Был,Дастер Authentique 4x4 1.6, теперь Дакар,дизель,109л/с.
Сообщений: 2,367
ambal70 ambal70 ambal70 ambal70 ambal70
По умолчанию

Мне кажется, дело в плохом контакте. Пройдите с тестером все разъёмы. Начните с рычага.
__________________
Был Дастер Authentique 4x4 1.6 МКП6. Проехал 100 000 км. Без нареканий.
Теперь Дакар, дизель,109 л/с.
ambal70 вне форума   Вверх Ответить с цитированием
Пользователь сказал cпасибо:
Старый 19.11.2023, 15:54   #11
mas123
Новичок
 
Имя: Андрей
Регистрация: 14.04.2023
Адрес: Архангельск
Авто: Рено Дастер, 1,6, 2013
Сообщений: 83
mas123
По умолчанию

Цитата:
Сообщение от ambal70 Посмотреть сообщение
Мне кажется, дело в плохом контакте. Пройдите с тестером все разъёмы. Начните с рычага.
А где бы электрическую схему взять? С рычага ведь не на прямую идут к поворотникам провода? Хотя если в Дастере нет реле для поворотников может и напрямую))
Заметил сегодня такую особенность - поворотник срабатывает лишь единоразово после вкл/выкл аварийки, либо после перезапуска двигателя.
mas123 вне форума   Вверх Ответить с цитированием
Пользователь сказал cпасибо:
Старый 19.11.2023, 21:05   #12
onebar
Местный
 
Имя: Юрий
Регистрация: 19.01.2014
Адрес: Курск
Авто: 2013 2.0 privilege 4x4
Сообщений: 682
onebar onebar
По умолчанию

Цитата:
Сообщение от mas123 Посмотреть сообщение
Да, при включении аварийки поворотники работают. Думается мне, что дело не в переключателе. Раньше эта проблема также возникала и решалась перезапуском двигателя. Что-то где-то в электронике как будто дело....
Тогда переключатель, его снять можно довольно просто и проверить
onebar вне форума   Вверх Ответить с цитированием
Пользователь сказал cпасибо:
Старый 19.11.2023, 22:00   #13
mas123
Новичок
 
Имя: Андрей
Регистрация: 14.04.2023
Адрес: Архангельск
Авто: Рено Дастер, 1,6, 2013
Сообщений: 83
mas123
По умолчанию

Цитата:
Сообщение от onebar Посмотреть сообщение
Тогда переключатель, его снять можно довольно просто и проверить
Проверю тогда. Если механических повреждений не обнаружу там нигде, подскажите, пожалуйста, какие провода на колодке подходящей к переключателю необходимо будет перемкнуть, чтобы проверить работу левого поворотника, чтобы понять в переключателе ли дело?

Последний раз редактировалось mas123; 19.11.2023 в 22:08.
mas123 вне форума   Вверх Ответить с цитированием
Старый 20.11.2023, 07:53   #14
Джити
Супер-модератор
Член клуба
 
Аватар для Джити
 
Имя: Тим
Регистрация: 19.12.2012
Адрес: Королёв
Авто: Duster 2.0 4x4 MT Privilege
Сообщений: 3,139
Джити Джити Джити Джити Джити Джити Джити Джити
По умолчанию

Цитата:
Сообщение от mas123 Посмотреть сообщение
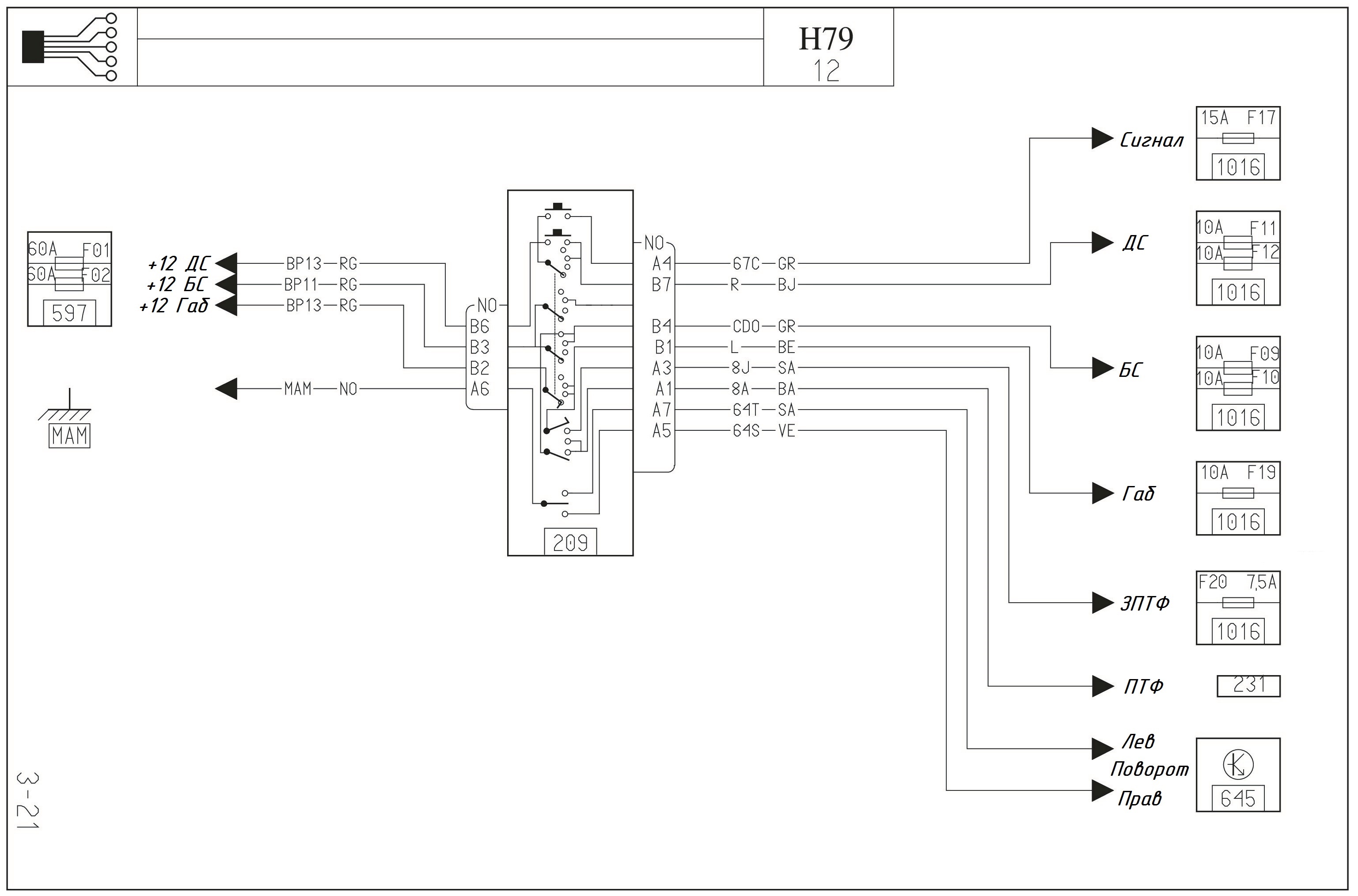
Проверю тогда. Если механических повреждений не обнаружу там нигде, подскажите, пожалуйста, какие провода на колодке подходящей к переключателю необходимо будет перемкнуть, чтобы проверить работу левого поворотника, чтобы понять в переключателе ли дело?
По схеме ниже - А7 и А6 - для левого поворотника, А5 и А6 - для правого поворотника.
Миниатюры
Нажмите на изображение для увеличения
Название: L_duster_dorest.jpg
Просмотров: 526
Размер:	437.6 Кб
ID:	95483  
__________________
Джити вне форума   Вверх Ответить с цитированием
Пользователь сказал cпасибо:
Старый 20.11.2023, 09:27   #15
mas123
Новичок
 
Имя: Андрей
Регистрация: 14.04.2023
Адрес: Архангельск
Авто: Рено Дастер, 1,6, 2013
Сообщений: 83
mas123
По умолчанию

Цитата:
Сообщение от Джити Посмотреть сообщение
По схеме ниже - А7 и А6 - для левого поворотника, А5 и А6 - для правого поворотника.
Визуально каких-либо дефектов нет.
Миниатюры
Нажмите на изображение для увеличения
Название: 1700461392211.jpg
Просмотров: 386
Размер:	2.65 Мб
ID:	95484  
mas123 вне форума   Вверх Ответить с цитированием
Старый 20.11.2023, 09:31   #16
mas123
Новичок
 
Имя: Андрей
Регистрация: 14.04.2023
Адрес: Архангельск
Авто: Рено Дастер, 1,6, 2013
Сообщений: 83
mas123
По умолчанию

Цитата:
Сообщение от Джити Посмотреть сообщение
По схеме ниже - А7 и А6 - для левого поворотника, А5 и А6 - для правого поворотника.
Я правильно понимаю, что перемкнуть необходимо вот эти два провода?
Хотя.....NO - это черный, SA -розовый.
Черный есть, а розового нет в колодке.
Миниатюры
Нажмите на изображение для увеличения
Название: 1700461392204.jpg
Просмотров: 369
Размер:	2.48 Мб
ID:	95485   Нажмите на изображение для увеличения
Название: 1700461392197.jpg
Просмотров: 336
Размер:	2.64 Мб
ID:	95486  

Последний раз редактировалось mas123; 20.11.2023 в 09:39.
mas123 вне форума   Вверх Ответить с цитированием
Старый 20.11.2023, 13:28   #17
ambal70
Член клуба
Член клуба
 
Аватар для ambal70
 
Имя: Сергей
Регистрация: 19.12.2012
Адрес: г.Москва,м.Семеновская
Авто: Был,Дастер Authentique 4x4 1.6, теперь Дакар,дизель,109л/с.
Сообщений: 2,367
ambal70 ambal70 ambal70 ambal70 ambal70
По умолчанию

Пробуйте замыкать через тестер или лампу.
__________________
Был Дастер Authentique 4x4 1.6 МКП6. Проехал 100 000 км. Без нареканий.
Теперь Дакар, дизель,109 л/с.
ambal70 вне форума   Вверх Ответить с цитированием
Пользователь сказал cпасибо:
Старый 20.11.2023, 13:35   #18
Джити
Супер-модератор
Член клуба
 
Аватар для Джити
 
Имя: Тим
Регистрация: 19.12.2012
Адрес: Королёв
Авто: Duster 2.0 4x4 MT Privilege
Сообщений: 3,139
Джити Джити Джити Джити Джити Джити Джити Джити
По умолчанию

Цитата:
Сообщение от mas123 Посмотреть сообщение
Я правильно понимаю, что перемкнуть необходимо вот эти два провода?
Вот:
Миниатюры
Нажмите на изображение для увеличения
Название: 1700461392211.jpg
Просмотров: 2748
Размер:	791.2 Кб
ID:	95487  
__________________
Джити вне форума   Вверх Ответить с цитированием
3 пользователя(ей) сказали cпасибо:
Старый 20.11.2023, 17:38   #19
mas123
Новичок
 
Имя: Андрей
Регистрация: 14.04.2023
Адрес: Архангельск
Авто: Рено Дастер, 1,6, 2013
Сообщений: 83
mas123
По умолчанию

Цитата:
Сообщение от Джити Посмотреть сообщение
Вот:
Перемкнул А7 и А6 и поворотник мигнул 1 раз и всё, снял перемычку и снова поставил, поворотник не сработал. Снова убрал перемычку и вкл/выкл аварийку, снова поставил перемычку и поворотник снова мигнул 1 раз. В общем всё то же самое что и с переключателем.
Что ещё можно глянуть?
mas123 вне форума   Вверх Ответить с цитированием
Старый 20.11.2023, 18:15   #20
ambal70
Член клуба
Член клуба
 
Аватар для ambal70
 
Имя: Сергей
Регистрация: 19.12.2012
Адрес: г.Москва,м.Семеновская
Авто: Был,Дастер Authentique 4x4 1.6, теперь Дакар,дизель,109л/с.
Сообщений: 2,367
ambal70 ambal70 ambal70 ambal70 ambal70
По умолчанию

Сейчас покапал эту тему в интернете. Как запчасть"реле поворотов Рено Дастер" существует и есть в продаже. Но вот где находится информации нет. Если управляется через блок, то за чем продают реле?
А так, данная неисправность похожа на неисправность реле.
__________________
Был Дастер Authentique 4x4 1.6 МКП6. Проехал 100 000 км. Без нареканий.
Теперь Дакар, дизель,109 л/с.
ambal70 вне форума   Вверх Ответить с цитированием
2 пользователя(ей) сказали cпасибо:
Ответ


Ваши права в разделе
Вы не можете создавать новые темы
Вы не можете отвечать в темах
Вы не можете прикреплять вложения
Вы не можете редактировать свои сообщения

BB коды Вкл.
Смайлы Вкл.
[IMG] код Вкл.
HTML код Выкл.

Быстрый переход


Текущее время: 22:37. Часовой пояс GMT +3.
Powered by vBulletin® Version 3.8.7
Copyright ©2000 - 2026, vBulletin Solutions, Inc. Перевод: zCarot
vB.Sponsors

Яндекс.Метрика