Вернуться на главную

Вернуться   Форум Клуба Рено Дастер / Renault Duster Club > Техническая информация Рено Дастер > Электрооборудование и оптика > Оптика

Важная информация


Ответ
 
Опции темы Поиск в этой теме Опции просмотра
Старый 18.12.2012, 17:49   #1
МЕДВЕЖ
Супер-модератор
Член клуба
 
Аватар для МЕДВЕЖ
 
Имя: Андрей
Регистрация: 14.12.2012
Адрес: РОССИЯ
Авто: Renault Duster Privilege 2,0 4х4-ТАРЗАН.
Сообщений: 7,468
МЕДВЕЖ МЕДВЕЖ МЕДВЕЖ МЕДВЕЖ МЕДВЕЖ МЕДВЕЖ МЕДВЕЖ МЕДВЕЖ МЕДВЕЖ МЕДВЕЖ МЕДВЕЖ
По умолчанию ДХО

Все про ходовые огни. Опыт установки своими руками. Цены ит.д.

ПДД пункт 19.5.
ГОСТ Р 41.87-99 (Правила ЕЭК ООН N 87) Единообразные предписания, касающиеся официального утверждения дневных ходовых огней механических транспортных средств.
ГОСТ Р 41.48-2004 Глава ДХО
Из ПТФ -> ДХО своими силами.
Мощность ДХО.
Установка DRL на Дастер. Эл.схема подключения. от ник Управдом http://tavsar.com/day_running_lights_Duster.html

Свободные места под реле в блоке предохранителей под капотом
__________________
Мужчину должны украшать три вещи: порядочность, характер и поступки, а не дешевые понты, завышенная самооценка и длинный язык.

КОПИЛКА ССЫЛОК В ПОМОЩЬ

Последний раз редактировалось dg972; 12.08.2015 в 20:14.
МЕДВЕЖ вне форума   Вверх Ответить с цитированием
3 пользователя(ей) сказали cпасибо:
Это может быть интересно
Старый 04.04.2015, 11:54   #301
Управдом
Новичок
 
Аватар для Управдом
 
Имя: Александр
Регистрация: 19.12.2012
Адрес: Саратов
Авто: Renault Duster 4x4 1.5 Diesel МКП6 / Nissan Leaf ZE0
Сообщений: 63
Управдом
По умолчанию

Александр, Выскажу своё AFAIK по этой теме:
Ставить можно и не только нарву.
Из плюсов низкое потребление, из минусов - шанс купить подделку 99%.
Сейчас DRL фары клепают все кому не лень и спихивают на наш отсталый рынок, пользуясь неразберихой и несогласованностью между ГОСТами, ПДД, и законом.
Штрафовать? Скорее всего пока не будут, пока очередной волной показушной борьбы "с чем нибудь" не объявят борьбу с ГОСТ или ПДД.

Я как отмечал это ранее выбрал вариант "дальний в пол-накала"
Езжу на разных машинах с того времени на самостоятельно разработанных и собранных контроллерах с 2010 года.

За всё время только раз Гаец вяло поинтересовался что как то у меня на ВАЗ 2105 "не так всё горит", но после упоминания ГОСТа, ПДД и прочих тонкостей, которые я вожу распечатав со своих страниц потерял всякий интерес.
Так же легко проходил техосмотры в ГАИ.

Кроме того, я проводил сравнительный анализ видимости "левого ДХО" с моими фарами с включёным дальним на 30% мощности:
и с ближним


Т.е. я не тупо сфоткал как некоторые, в тёмном гараже с 2-х метров свой пепелац и выложил фотки "гляньте патсаны как это уменя всё круто филипс за ХХХХ рублей", а не один день потратил на анализ происходящего на дорогах, видимости встречной машины на скоростях разъезда превышающих 200км/час, и последствия не вовремя замеченной встречной машины без огней.

P.S. повторюсь немного: Технический регламент по установке ДХО предназначен для тех, КТО ИМЕЕТ ПРАВО ИХ УСТАНАВЛИВАТЬ на машины, с ЗАВОДА У КОТОРЫХ ПРЕДУСМОТРЕНА ВОЗМОЖНОСТЬ УСТАНОВКИ ХОДОВЫХ ОГНЕЙ (есть вариант комплектации).
ЭТО К ОТЕЧЕСТВЕННЫМ МАШИНАМ НЕ ОТНОСИТСЯ! ОНИ С ЗАВОДА ВЫПУЩЕНЫ БЕЗ ВОЗМОЖНОСТИ КОМПЛЕКТАЦИИ ДХО!
Всякого рода светодиодики, полоски и реснички - это тюнинг, не имеющий к ДХО никакого отношения.
И, самое главное - ИЗМЕНЕНИЕ В КОНСТРУКЦИЮ АВТОМОБИЛЯ вносить запрещено! То есть, установка дополнительных фар, и т.д. ЗАПРЕЩЕНА, если такая комплектация не одобрена (предусмотрена) заводом-изготовителем.
при реализации предложенного мною варианта - изменений в конструкцию не внесено - ВСЕ ДАТЧИКИ И ИСТОЧНИКИ СВЕТА - ШТАТНЫЕ.
А что касается волшебной коробочки, то за изменение проводки, ничего не сказано... Как и по подключению (например) разных магнитол, телевизоров... укладка проводов колонок, замена блока предохранителей на новую модель. Это вопрос спорный, в законодательстве не отражен. Но конструкцию автомобиля мы точно не меняем.
ВСЯ ШТАТНАЯ ПРОВОДКА и ВНЕШНИЕ СВЕТОВЫЕ ПРИБОРЫ - НА МЕСТЕ.
__________________
Подпись с ссылками на личные страницы на личном сайте по доработке Дастера удалена по просьбе администрации.

Мой выбор ДХО: дальний на 30% от номинальной яркости!
Управдом вне форума   Вверх Ответить с цитированием
4 пользователя(ей) сказали cпасибо:
Это может быть интересно
Старый 05.04.2015, 15:10   #302
dekers
Новичок
 
Имя: Виктор
Регистрация: 29.09.2013
Адрес: Казахстан г.Актау
Авто: привележ 4х4
Сообщений: 23
dekers
По умолчанию

я себе поставил орлиный глаз, идеально подходят на любое авто и светят очень ярко, низкая стоимость

---------- Сообщение добавлено в 16:08 ---------- Предыдущее сообщение размещено в 15:57 ----------



---------- Сообщение добавлено в 16:10 ---------- Предыдущее сообщение размещено в 16:08 ----------

dekers вне форума   Вверх Ответить с цитированием
2 пользователя(ей) сказали cпасибо:
Старый 06.04.2015, 00:34   #303
dg972
Член клуба
Член клуба
 
Аватар для dg972
 
Имя: Дмитрий
Регистрация: 23.12.2012
Адрес: Москва
Авто: Privilege 4x4 2.0 МКП6. Чип АДАКТ. Коричневый орехх. 2012 гр.
Сообщений: 17,178
dg972 dg972 dg972 dg972 dg972 dg972 dg972 dg972 dg972 dg972 dg972
По умолчанию

Управдом, где, в какой бумаге написано, что ДС имеет право светиться на 30-40% в качестве ДХО?

dekers, ну на фоне всего происшедшего, это просто улыбнуло!
__________________
"во время войны нельзя говорить плохо о своих, НИКОГДА" ©

Кто понял жизнь тот больше не спешит,
смакует каждый миг и наблюдает.

Мой бортовой журнал. Новое сообщение.
....
dg972 вне форума   Вверх Ответить с цитированием
Старый 06.04.2015, 08:06   #304
dekers
Новичок
 
Имя: Виктор
Регистрация: 29.09.2013
Адрес: Казахстан г.Актау
Авто: привележ 4х4
Сообщений: 23
dekers
По умолчанию

dg972, а чем улыбнуло то
dekers вне форума   Вверх Ответить с цитированием
Старый 06.04.2015, 18:48   #305
Управдом
Новичок
 
Аватар для Управдом
 
Имя: Александр
Регистрация: 19.12.2012
Адрес: Саратов
Авто: Renault Duster 4x4 1.5 Diesel МКП6 / Nissan Leaf ZE0
Сообщений: 63
Управдом
По умолчанию

dg972, Расчёт: (есть у меня на сайте)
Световой поток по ГОСТ 2023.1-88 для дальнего света (при использовании лампочек H4) = 1650лм.
Световой поток для ДХО (DRL) = 500лм (400…800кд)
Отсюда, световой поток фар дальнего света, включённых в качестве DRL, должен составлять 30,3% от номинального.

Световой поток вычисляется по формуле:

Подставляем известные значения в формулу:

и находим требуемое напряжение:


P.S. На практике же, картина немного другая: т.к. лампочку мы используем с отражателем с разным состоянием отражающей поверхности, правильнее всего оперировать "сила света" конкретной фары. А вот тут получается, что для каждой фары и автомобиля придётся настраивать индивидуально.
__________________
Подпись с ссылками на личные страницы на личном сайте по доработке Дастера удалена по просьбе администрации.

Мой выбор ДХО: дальний на 30% от номинальной яркости!
Управдом вне форума   Вверх Ответить с цитированием
Пользователь сказал cпасибо:
Старый 06.04.2015, 18:53   #306
dg972
Член клуба
Член клуба
 
Аватар для dg972
 
Имя: Дмитрий
Регистрация: 23.12.2012
Адрес: Москва
Авто: Privilege 4x4 2.0 МКП6. Чип АДАКТ. Коричневый орехх. 2012 гр.
Сообщений: 17,178
dg972 dg972 dg972 dg972 dg972 dg972 dg972 dg972 dg972 dg972 dg972
По умолчанию

Цитата:
Сообщение от Управдом Посмотреть сообщение
dg972, Расчёт: (есть у меня на сайте)
Я не про расчет, я про ПДД и регламент. Можно ли официально получить заветную диагностическую карту с таким ДХО? На посту товарисч в погонах не скажет, "А чой-то Вы днем с дальним?"
__________________
"во время войны нельзя говорить плохо о своих, НИКОГДА" ©

Кто понял жизнь тот больше не спешит,
смакует каждый миг и наблюдает.

Мой бортовой журнал. Новое сообщение.
....
dg972 вне форума   Вверх Ответить с цитированием
Старый 06.04.2015, 21:53   #307
aca300
Местный
 
Аватар для aca300
 
Имя: Антон
Регистрация: 25.08.2013
Адрес: Родина Первого Совета (Иваново)
Авто: Лада Vesta АМТ
Сообщений: 1,901
aca300 aca300 aca300 aca300 aca300
Отправить сообщение для aca300 с помощью Skype™
По умолчанию

Цитата:
Сообщение от dg972 Посмотреть сообщение
Я не про расчет, я про ПДД и регламент. Можно ли официально получить заветную диагностическую карту с таким ДХО? На посту товарисч в погонах не скажет, "А чой-то Вы днем с дальним?"
а товарисч может и не знать, что у меня там штатно стоит лампа Н15, как во многих иномарках, а объяснять ему не обязан. Это только на ТО можно такие вопросы задавать и проверять.
__________________
Я против ксенона...
aca300 вне форума   Вверх Ответить с цитированием
Старый 06.04.2015, 22:16   #308
maslovyu
Администратор
Член клуба
 
Аватар для maslovyu
 
Регистрация: 05.01.2013
Адрес: Москва
Авто: Privilege 1.5 4х4
Сообщений: 20,021
maslovyu maslovyu maslovyu maslovyu maslovyu maslovyu maslovyu maslovyu maslovyu maslovyu maslovyu
По умолчанию

Цитата:
Сообщение от dg972 Посмотреть сообщение
Управдом, где, в какой бумаге написано, что ДС имеет право светиться на 30-40% в качестве ДХО!
А где написано, что не может ? Т.е. не запрещено. Значит разрешено. Или такое тут не канает?
__________________
У меня можно приобрести клубную символику: Карты - в наличии; Рамки под номера: 11
Текстовые наклейки (белые/черные, маленькие/большие); Наклейки с логотипом (внешние и внутренние)
Есть в наличии: Мухобойки и ветровики; брызговики Дастер-Гард (передние - 1шт (Ф1/Ф2) и задние - 1шт (Ф1); щитки - 0шт; спойлер на зеркала - 0шт)
maslovyu вне форума   Вверх Ответить с цитированием
Пользователь сказал cпасибо:
Старый 06.04.2015, 22:40   #309
ser bond
Завсегдатай
 
Имя: Сергей
Регистрация: 21.08.2014
Адрес: Воронежская область
Авто: Дастер 1.6, 4-2,+чип RSW
Сообщений: 173
ser bond
По умолчанию

Управдом,я то же выбрал для себя DRL,и не жалею,самый дешевый вариант и самый удобный(вечно забывал свет выключать,спасибо зуммер напоминал)
Не далее как вчера,был остановлен работниками ДПС(для обнюхаться),я остановился,открыл окно полностью,приветливо по скалился,инспектор, не обнаружив запаха,взглянул на приборку и увидел синий огонек дальнего,просто попросил переключиться на ближний,что я и сделал.
__________________
Таково мое мнение,и я его разделяю.
ser bond вне форума   Вверх Ответить с цитированием
2 пользователя(ей) сказали cпасибо:
Старый 13.04.2015, 09:46   #310
Skipper-Влад
Супер-модератор
Член клуба
 
Аватар для Skipper-Влад
 
Имя: Владислав
Регистрация: 09.12.2012
Адрес: Ульяновск
Авто: Duster Privilege 2.0 4х4
Сообщений: 12,580
Skipper-Влад Skipper-Влад Skipper-Влад Skipper-Влад Skipper-Влад Skipper-Влад Skipper-Влад Skipper-Влад Skipper-Влад Skipper-Влад Skipper-Влад
Отправить сообщение для Skipper-Влад с помощью ICQ
По умолчанию

Интересная статейка на Драйве http://www.drive2.ru/b/1867418/ про комбинированные лампочки (ДХО+поворотник)
__________________

"С тех пор, как я стал водить машину, я стал осторожнее переходить дорогу."
"Будь внимателен на дорогах. Помни: ты явился на свет без запасных частей."
Skipper-Влад вне форума   Вверх Ответить с цитированием
5 пользователя(ей) сказали cпасибо:
Старый 13.04.2015, 19:59   #311
9000
Завсегдатай
 
Аватар для 9000
 
Имя: 9000
Регистрация: 07.09.2014
Адрес: Нижний Новгород
Авто: 1.6 4х4, рестайл 4х4 АКПП
Сообщений: 165
9000
По умолчанию

фуфло эти лампочки, посмотри пару предыдущих страниц. dg972 на собственном опыте проверил

Последний раз редактировалось Ky6uk; 13.04.2015 в 21:19.
9000 вне форума   Вверх Ответить с цитированием
Старый 13.04.2015, 20:05   #312
jimmik
.
 
Имя: Rifat
Регистрация: 29.12.2014
Адрес: Moscow
Авто: 2,0 4вд есп. белый
Сообщений: 1,681
jimmik jimmik jimmik jimmik
По умолчанию

Заморачивался со схемами подключения, думал, что с чем включать, а всего лишь набрал в яндексе габаритные огни или дневные ходовые огни и в википендии все прекрасно описано, что можно в России, что в других странах и что с чем включать.
Даже ссылки есть на регламенты.
jimmik вне форума   Вверх Ответить с цитированием
Старый 20.04.2015, 10:02   #313
Управдом
Новичок
 
Аватар для Управдом
 
Имя: Александр
Регистрация: 19.12.2012
Адрес: Саратов
Авто: Renault Duster 4x4 1.5 Diesel МКП6 / Nissan Leaf ZE0
Сообщений: 63
Управдом
По умолчанию

dekers Нашёл статейку в интернете, очень актуальная, с автором полностью солидарен:

"... Ходовые огни обозначают ваше транспортное средство на дороге светлое время суток. По регламенту угол свечения должен составлять 30 градусов, который состоит из 10 градусов над горизонталью и 20 градусов ниже. Светящаяся площадь ходовых огней должна быть не менее 40 квадратных сантиметров, это правило помогает избежать использования не эффективных точечных источников света. Такие огни должны быть хорошо заметны с расстояния 50-70 метров, в том числе и в солнечную погоду. В отличие от фар ближнего и дальнего света, дневные огни имеют меньший угол свечения, их основная задача получить эффект фонарика, которым светят в глаза в большого расстояния.

Многие после установки ДХО делают фотографии автомобиля с 3-5 метров, восторгаются их яркостью, и зачастую делают это в темное время суток. Затем они это нахваливают и рекомендуют другим. Таким образом, они допускают множество ошибок, что приводит к необъективной оценке установленных световых приборов. Человек забывает, что эти огни предназначены для эксплуатации днём, и что тестировать их ночью бессмысленно. В большинстве отзывов пишут: ночью светят ярко, неплохо слепят, невозможно смотреть с 3 метров, оценивают все на глаз, да и просто не могут отличить по яркости одноваттный светодиод от трехваттного... "
__________________
Подпись с ссылками на личные страницы на личном сайте по доработке Дастера удалена по просьбе администрации.

Мой выбор ДХО: дальний на 30% от номинальной яркости!
Управдом вне форума   Вверх Ответить с цитированием
Старый 25.05.2015, 11:40   #314
DoktorDron
Новичок
 
Имя: Андрей
Регистрация: 08.11.2014
Адрес: Москва
Сообщений: 3
DoktorDron
По умолчанию

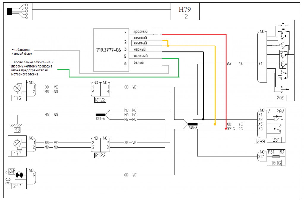
Наконец-то решился и благодаря дельным советам "Совы" сделал из ПТФ - ДХО (без потери функции ПТФ). После долгих "доставаний" Юры, заказл себе вот это: http://www.12v.ru/site.xp/0500530491...052054124.html
Благодаря всё тому-же Юре (Сове) (дай Бог ему здоровья) - появилась вот такая схема подключения:
http://duster-clubs.ru/forum/picture...pictureid=3820
Всё делается в подкапотном пространстве, очень удобно. Я умудрился всё впихнуть в блок реле.
Теперь ПТФ включаются вместе с зажиганием, на время работы стартера отключаются, при включении габаритов отключаются, а так же есть возможность принудительного отключения (например если приходится долго стоять с заведённым двигателем, а свет при этом не нужен). Короче - я очень доволен, именно то, что я хотел, а главное - никакого "колхоза".
Цена вопроса:424.30 руб. и пол часа возни.
Ещё раз СПАСИБО за отзывчивость Сове.
DoktorDron вне форума   Вверх Ответить с цитированием
5 пользователя(ей) сказали cпасибо:
Старый 25.05.2015, 11:55   #315
Олег
У истоков...
Член клуба
 
Аватар для Олег
 
Имя: РУССКИЙ
Регистрация: 08.12.2012
Адрес: Лермонтов
Авто: Аутлендер, 2.4 ультимейт светлый салон
Сообщений: 11,334
Олег Олег Олег Олег Олег Олег Олег Олег Олег Олег Олег
По умолчанию

Напоминаю всем, что ДХО не предусмотренные заводом изготовителем, являются нарушением, что может повлечь неприятности, особенно , если попадется ретивый гибддшник...
Олег вне форума   Вверх Ответить с цитированием
Пользователь сказал cпасибо:
Старый 25.05.2015, 16:39   #316
Серёга-73
Член клуба
Член клуба
 
Аватар для Серёга-73
 
Имя: Сергей
Регистрация: 09.09.2013
Адрес: Ульяновск
Авто: Luxe 2.0LPG МКПП4х4; ESP; КК; Biltema; ГБО Lovato Smart/Fast
Сообщений: 1,912
Серёга-73 Серёга-73 Серёга-73 Серёга-73 Серёга-73
По умолчанию

Цитата:
Сообщение от Олег Посмотреть сообщение
Напоминаю всем, что ДХО не предусмотренные заводом изготовителем, являются нарушением, что может повлечь неприятности, особенно , если попадется ретивый гибддшник...
это кто Вам сказал!?
Что касается противотуманных фар, то пункт 19.4 претерпел незначительные изменения:
Цитата:
п.19.4.ПДД
Противотуманные фары могут использоваться:
в условиях недостаточной видимости с ближним или дальним светом фар;
в темное время суток на неосвещенных участках дорог совместно с ближним или дальним светом фар:
вместо ближнего света фар в соответствии с пунктом 19.5 Правил.*
* (в ред. Постановления Правительства РФ от 10.05.2010 N 316)
Цитата:
п.19.5.ПДД
В светлое время суток на всех движущихся транспортных средствах с целью их обозначения должны включаться фары ближнего света или дневные ходовые огни.(п. 19.5 в ред. Постановления Правительства РФ от 10.05.2010 N 316)
На основании п п.19.5 и п.19.4 использование ПТФ в качестве ДХО разрешено!
Серёга-73 вне форума   Вверх Ответить с цитированием
Пользователь сказал cпасибо:
Старый 25.05.2015, 17:57   #317
Rene Buaron
Местный
 
Регистрация: 10.02.2014
Адрес: Москва
Авто: Дастер 2.0 АТ Привиледж
Сообщений: 2,088
Rene Buaron Rene Buaron
По умолчанию

Цитата:
Сообщение от DoktorDron Посмотреть сообщение
Короче - я очень доволен, именно то, что я хотел, а главное - никакого "колхоза".
было бы познавательно увидеть на фото, "как оно светит для окружающих: с пользой "?
__________________
P-R-N-D и.т.д...


На Дастере АТ:с 03.2012 по 09.2018-го.
Вместо:Тойота РАВ-4: ТD2.2(340н/м), 150"бугаёв"; Авэдэ;6ст.акпп;"Престиж";ч0рный;салон беж; "Эбершпрехер"с gsm с завода;сент.2018г.в.

Продам от прошлого "своего мопеда" Дастера:
-задние альтернативные чОрные фонари "от Elia"(как на фото в подписи, выше);
- декоративную крышку для F4R (фаза1)

"Жё, Антуан, жё..."(с))
Rene Buaron вне форума   Вверх Ответить с цитированием
Пользователь сказал cпасибо:
Старый 25.05.2015, 19:27   #318
Олег
У истоков...
Член клуба
 
Аватар для Олег
 
Имя: РУССКИЙ
Регистрация: 08.12.2012
Адрес: Лермонтов
Авто: Аутлендер, 2.4 ультимейт светлый салон
Сообщений: 11,334
Олег Олег Олег Олег Олег Олег Олег Олег Олег Олег Олег
По умолчанию

Цитата:
Сообщение от Серёга-73 Посмотреть сообщение
это кто Вам сказал!?
Техрегламент читайте, и спорить не буду, я свою правоту НИКОГДА ни кому не доказываю....я , так сказать, озвучил аксиому....и если Вы пытливый человек, то найдете почему...и на будущее, если Вы проанализируете все мои информационные посты с момента основания этого форума, то поймете, что я выкладываю ТОЛЬКО проверенную инфу.
Олег вне форума   Вверх Ответить с цитированием
Старый 25.05.2015, 19:29   #319
Олег
У истоков...
Член клуба
 
Аватар для Олег
 
Имя: РУССКИЙ
Регистрация: 08.12.2012
Адрес: Лермонтов
Авто: Аутлендер, 2.4 ультимейт светлый салон
Сообщений: 11,334
Олег Олег Олег Олег Олег Олег Олег Олег Олег Олег Олег
По умолчанию

Цитата:
Сообщение от Серёга-73 Посмотреть сообщение
использование ПТФ в качестве ДХО разрешено!
Не вижу, чтобы так и написано было, написано, что ПТФ могут использоваться наравне с ближним светом, но я и не говорил обратного...я лишь сказал
Цитата:
Сообщение от Олег Посмотреть сообщение
что ДХО не предусмотренные заводом изготовителем
Цитата:
Сообщение от Олег Посмотреть сообщение
, являются нарушением
Чувствуете разницу???? Расшифровываю, ДХО дополнительно установленные и непредусмотренные заводом на данной модели в принципе...

Последний раз редактировалось Олег; 25.05.2015 в 19:38.
Олег вне форума   Вверх Ответить с цитированием
Старый 25.05.2015, 19:54   #320
Nick_2141
Член клуба
Член клуба
 
Аватар для Nick_2141
 
Имя: Антон
Регистрация: 22.04.2013
Адрес: Ульяновск
Авто: logan
Сообщений: 407
Nick_2141 Nick_2141 Nick_2141 Nick_2141
По умолчанию

Цитата:
Сообщение от Олег Посмотреть сообщение
Напоминаю всем, что ДХО не предусмотренные заводом изготовителем, являются нарушением, что может повлечь неприятности, особенно , если попадется ретивый гибддшник...
Цитата:
Сообщение от Серёга-73 Посмотреть сообщение
это кто Вам сказал!?
ПДД:
Цитата:
Перечень неисправностей и условий, при которых запрещается эксплуатация транспортных средств
....
3. Внешние световые приборы
3.1. Количество, тип, цвет, расположение и режим работы внешних световых приборов не соответствуют требованиям конструкции транспортного средства.
КоАП:
Цитата:
Статья 12.5. Управление транспортным средством при наличии неисправностей или условий, при которых эксплуатация транспортных средств запрещена
...................
3. Управление транспортным средством, на передней части которого установлены световые приборы с огнями красного цвета или световозвращающие приспособления красного цвета, а равно световые приборы, цвет огней и режим работы которых не соответствуют требованиям Основных положений по допуску транспортных средств к эксплуатации и обязанностей должностных лиц по обеспечению безопасности дорожного движения, - влечет лишение права управления транспортными средствами на срок от шести месяцев до одного года с конфискацией указанных приборов и приспособлений........
Nick_2141 вне форума   Вверх Ответить с цитированием
2 пользователя(ей) сказали cпасибо:
Ответ


Ваши права в разделе
Вы не можете создавать новые темы
Вы не можете отвечать в темах
Вы не можете прикреплять вложения
Вы не можете редактировать свои сообщения

BB коды Вкл.
Смайлы Вкл.
[IMG] код Вкл.
HTML код Выкл.

Быстрый переход


Текущее время: 20:30. Часовой пояс GMT +3.
Powered by vBulletin® Version 3.8.7
Copyright ©2000 - 2026, vBulletin Solutions, Inc. Перевод: zCarot
vB.Sponsors

Яндекс.Метрика