Вернуться на главную

Вернуться   Форум Клуба Рено Дастер / Renault Duster Club > Техническая информация Рено Дастер > Электрооборудование и оптика > Электрика

Важная информация


Ответ
 
Опции темы Поиск в этой теме Опции просмотра
Старый 11.08.2014, 23:17   #1
dg972
Член клуба
Член клуба
 
Аватар для dg972
 
Имя: Дмитрий
Регистрация: 23.12.2012
Адрес: Москва
Авто: Privilege 4x4 2.0 МКП6. Чип АДАКТ. Коричневый орехх. 2012 гр.
Сообщений: 17,178
dg972 dg972 dg972 dg972 dg972 dg972 dg972 dg972 dg972 dg972 dg972
По умолчанию Автоэлектрика - общие вопросы. Фаза-1

В этой теме пишем о неординарных решениях каких-либо проблем, касающихся электрики в Дастере и не только.

Предохранители и реле
СВЕТОВЫЕ ИНДИКАТОРЫ ПРИБОРНОЙ ПАНЕЛИ
Лампы ( фары , противотуманки, габариты )
Цвета проводов
ЦЭКБС, коричневый разъём, А6-сигнал скорости авто.
Функция "corner lights" своими руками.
Контроллер перегоревшей лампы СС.
Мощность (электрическая) штатных звуковых сигналов.
Распиновка разъёма фаркопа (7 pin)
Фото разъемов приборной панели.
Зарядка гаджетов через USB
Замена задних фонарей на рестайлинговые.
Расположения проводки по салону с цветовой идентификацией проводов на стоп-сигналы.
Включение звукового сигнала.
Обзор и замена ручек отопителя для Лада Ларгус
Электросхемы
Распиновка разъемов щитка приборов Sandero Stepway и Duster Luxe
Вентилятор отопителя салона. Как снять. Видео.

Последний раз редактировалось dg972; 17.02.2021 в 13:25.
dg972 вне форума   Вверх Ответить с цитированием
6 пользователя(ей) сказали cпасибо:
Это может быть интересно
Старый 28.06.2015, 23:49   #341
dg972
Член клуба
Член клуба
 
Аватар для dg972
 
Имя: Дмитрий
Регистрация: 23.12.2012
Адрес: Москва
Авто: Privilege 4x4 2.0 МКП6. Чип АДАКТ. Коричневый орехх. 2012 гр.
Сообщений: 17,178
dg972 dg972 dg972 dg972 dg972 dg972 dg972 dg972 dg972 dg972 dg972
По умолчанию

Цитата:
Сообщение от Alexandr011 Посмотреть сообщение
F24(5A)-Цепь контроля усилителя рулевого управления.- предохранитель установлен, но нет электроусилителя руля.
Снял его и поехал. Разницы не заметил. Лишняя деталь на бензинках! )))
Интересно, сколько еще таких предохранителей у меня в машине?
__________________
"во время войны нельзя говорить плохо о своих, НИКОГДА" ©

Кто понял жизнь тот больше не спешит,
смакует каждый миг и наблюдает.

Мой бортовой журнал. Новое сообщение.
....
dg972 вне форума   Вверх Ответить с цитированием
Пользователь сказал cпасибо:
Это может быть интересно
Старый 29.06.2015, 12:03   #342
Alexandr011
Новичок
 
Имя: Alexandr
Регистрация: 14.11.2014
Адрес: Москва
Сообщений: 9
Alexandr011
По умолчанию

Контроллер типа РХО от svetorele.ru Схемы на сайте. Подключение программа 8 "Скандинавский свет"
Alexandr011 вне форума   Вверх Ответить с цитированием
Старый 29.06.2015, 21:27   #343
Abeev1
Член клуба
Член клуба
 
Аватар для Abeev1
 
Имя: Антон
Регистрация: 14.09.2014
Адрес: СПБ. Славянка, Шушары, Пушкин
Авто: Пешкарус
Сообщений: 952
Abeev1 Abeev1 Abeev1
По умолчанию

Цитата:
Сообщение от Alexandr011 Посмотреть сообщение
Контроллер типа РХО от svetorele.ru Схемы на сайте. Подключение программа 8 "Скандинавский свет"
К этому предохранителю подключаться не стоит. Не потянет он (надо верить и проводка рассчитана на 5А) . Через устройство действительно идет 10 А. В Дастере нет реле включения фар. Поэтому тяните провода с АКБ (как написано в инструкции). Или с замка зажигания.
__________________
Грех предаваться унынию, когда есть другие грехи...

Представитель SVV. 89643235072. Диагностика Renault.
Abeev1 вне форума   Вверх Ответить с цитированием
Пользователь сказал cпасибо:
Старый 03.07.2015, 12:00   #344
Strusto
Член клуба
Член клуба
 
Аватар для Strusto
 
Имя: Владислав
Регистрация: 11.12.2012
Адрес: Мск
Авто: Механика 2-х литровая 12-го года
Сообщений: 8,350
Strusto Strusto Strusto Strusto Strusto Strusto Strusto Strusto Strusto Strusto Strusto
По умолчанию

Цитата:
Сообщение от Strusto Посмотреть сообщение




По моим книжкам:

Муфта-Серый и Зеленый
Топливный модуль
Насос-Черный и Серый(Коричневый на фото?)
Датчик-Белый и Бежевый(Оранжевый на фото?)



Дим, а твоя версия?
Дим, ты мне так и не ответил, видел этот пост?
__________________
Найти своих и успокоиться
Грустная музыка лучше выпивки

Собрание путешествий
Strusto вне форума   Вверх Ответить с цитированием
Старый 03.07.2015, 12:04   #345
YuriyVZ
Администратор
Член клуба
 
Аватар для YuriyVZ
 
Регистрация: 07.12.2012
Адрес: Санкт-Петербург
Авто: Duster 1.5 dci Тореадор + ADACT
Сообщений: 20,559
YuriyVZ YuriyVZ YuriyVZ YuriyVZ YuriyVZ YuriyVZ YuriyVZ YuriyVZ YuriyVZ YuriyVZ YuriyVZ
По умолчанию

Цитата:
Сообщение от Strusto Посмотреть сообщение
Муфта-Серый и Зеленый
К зеленому ДУТ Мультитроникса подключал - работает.
YuriyVZ вне форума   Вверх Ответить с цитированием
Пользователь сказал cпасибо:
Старый 03.07.2015, 13:41   #346
dg972
Член клуба
Член клуба
 
Аватар для dg972
 
Имя: Дмитрий
Регистрация: 23.12.2012
Адрес: Москва
Авто: Privilege 4x4 2.0 МКП6. Чип АДАКТ. Коричневый орехх. 2012 гр.
Сообщений: 17,178
dg972 dg972 dg972 dg972 dg972 dg972 dg972 dg972 dg972 dg972 dg972
По умолчанию

Цитата:
Сообщение от YuriyVZ Посмотреть сообщение
К зеленому ДУТ Мультитроникса подключал - работает.

Муфта-Серый и Зеленый и мне непонятно как ДУТ может работать от ШИМ муфты...
__________________
"во время войны нельзя говорить плохо о своих, НИКОГДА" ©

Кто понял жизнь тот больше не спешит,
смакует каждый миг и наблюдает.

Мой бортовой журнал. Новое сообщение.
....
dg972 вне форума   Вверх Ответить с цитированием
Старый 03.07.2015, 15:06   #347
YuriyVZ
Администратор
Член клуба
 
Аватар для YuriyVZ
 
Регистрация: 07.12.2012
Адрес: Санкт-Петербург
Авто: Duster 1.5 dci Тореадор + ADACT
Сообщений: 20,559
YuriyVZ YuriyVZ YuriyVZ YuriyVZ YuriyVZ YuriyVZ YuriyVZ YuriyVZ YuriyVZ YuriyVZ YuriyVZ
По умолчанию

Цитата:
Сообщение от dg972 Посмотреть сообщение
Муфта-Серый и Зеленый и мне непонятно как ДУТ может работать от ШИМ муфты...
Может я чего не понял. Это то, что находится под задним сидением?
Цитата:
Сообщение от Strusto Посмотреть сообщение
По схеме к топливному модулю подходят 4 провода, но в жгуте их 6. Или два из них идут дальше на муфту? Если кто копал тему
А по цветам провода еще не идентифицировали, кто чем рулит, два толстых на насос?
Если, да. То везде в инструкциях к Мультитроникс и в отзывах на установку - зеленый - это ДУТ. Да и провод у Мультитроникса специально зеленый сделан, ну и как написал выше - работает.
YuriyVZ вне форума   Вверх Ответить с цитированием
Старый 03.07.2015, 20:33   #348
dg972
Член клуба
Член клуба
 
Аватар для dg972
 
Имя: Дмитрий
Регистрация: 23.12.2012
Адрес: Москва
Авто: Privilege 4x4 2.0 МКП6. Чип АДАКТ. Коричневый орехх. 2012 гр.
Сообщений: 17,178
dg972 dg972 dg972 dg972 dg972 dg972 dg972 dg972 dg972 dg972 dg972
По умолчанию

Цитата:
Сообщение от YuriyVZ Посмотреть сообщение
Может я чего не понял. Это то, что находится под задним сидением?
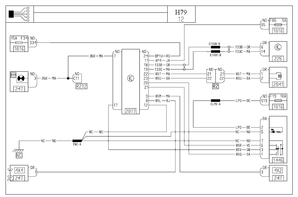
Думаю, что да!
Цитата:
Сообщение от YuriyVZ Посмотреть сообщение
зеленый - это ДУТ


Позиция 2041 - Электромагнитный клапан полного привода.
Миниатюры
Нажмите на изображение для увеличения
Название: Система полного привода.jpg
Просмотров: 2057
Размер:	123.2 Кб
ID:	49369  
Вложения
Тип файла: pdf Описание схем 3 .pdf (1.57 Мб, 1035 просмотров)
__________________
"во время войны нельзя говорить плохо о своих, НИКОГДА" ©

Кто понял жизнь тот больше не спешит,
смакует каждый миг и наблюдает.

Мой бортовой журнал. Новое сообщение.
....
dg972 вне форума   Вверх Ответить с цитированием
Старый 03.07.2015, 22:10   #349
сова
Член клуба
Член клуба
 
Аватар для сова
 
Имя: Юрий
Регистрация: 21.12.2013
Адрес: Новая Москва
Сообщений: 304
сова сова
По умолчанию

Дим, актуальность всех этих схем для российского Дастера, лично у меня, вызывает большие сомнения. Особенно касается расцветки. Вот есть еще одна схема, здесь на муфту идут белый и коричневый.
Миниатюры
Нажмите на изображение для увеличения
Название: 4х4.png
Просмотров: 3026
Размер:	45.0 Кб
ID:	49372  
сова вне форума   Вверх Ответить с цитированием
2 пользователя(ей) сказали cпасибо:
Старый 03.07.2015, 23:49   #350
Strusto
Член клуба
Член клуба
 
Аватар для Strusto
 
Имя: Владислав
Регистрация: 11.12.2012
Адрес: Мск
Авто: Механика 2-х литровая 12-го года
Сообщений: 8,350
Strusto Strusto Strusto Strusto Strusto Strusto Strusto Strusto Strusto Strusto Strusto
По умолчанию

Ребят, ну хоть толстые провода на насос? А то их прокалывать неохота
__________________
Найти своих и успокоиться
Грустная музыка лучше выпивки

Собрание путешествий
Strusto вне форума   Вверх Ответить с цитированием
Старый 04.07.2015, 00:14   #351
dg972
Член клуба
Член клуба
 
Аватар для dg972
 
Имя: Дмитрий
Регистрация: 23.12.2012
Адрес: Москва
Авто: Privilege 4x4 2.0 МКП6. Чип АДАКТ. Коричневый орехх. 2012 гр.
Сообщений: 17,178
dg972 dg972 dg972 dg972 dg972 dg972 dg972 dg972 dg972 dg972 dg972
По умолчанию

Цитата:
Сообщение от сова Посмотреть сообщение
белый и коричневый.
Визуально сечение белого меньше коричневого. По идее они должны быть одинаковые.
У нас сечение черного и коричневого одинаковое и больше остальных. Скорей всего они идут на бензонасос.
__________________
"во время войны нельзя говорить плохо о своих, НИКОГДА" ©

Кто понял жизнь тот больше не спешит,
смакует каждый миг и наблюдает.

Мой бортовой журнал. Новое сообщение.
....
dg972 вне форума   Вверх Ответить с цитированием
2 пользователя(ей) сказали cпасибо:
Старый 04.07.2015, 01:22   #352
сова
Член клуба
Член клуба
 
Аватар для сова
 
Имя: Юрий
Регистрация: 21.12.2013
Адрес: Новая Москва
Сообщений: 304
сова сова
По умолчанию

Цитата:
Сообщение от dg972 Посмотреть сообщение
Визуально сечение белого меньше коричневого. По идее они должны быть одинаковые.
У нас сечение черного и коричневого одинаковое и больше остальных. Скорей всего они идут на бензонасос.
Согласен. Я про то, что цвета могут отличаться от тех , которые указаны на схемах.
сова вне форума   Вверх Ответить с цитированием
Пользователь сказал cпасибо:
Старый 06.07.2015, 22:56   #353
aca300
Местный
 
Аватар для aca300
 
Имя: Антон
Регистрация: 25.08.2013
Адрес: Родина Первого Совета (Иваново)
Авто: Лада Vesta АМТ
Сообщений: 1,901
aca300 aca300 aca300 aca300 aca300
Отправить сообщение для aca300 с помощью Skype™
По умолчанию Где купить в МСК?

Нужна помощь. Где купить такую фишку в Москве? Нужно ответная часть от разъёма. Лампа W21W.
Миниатюры
Нажмите на изображение для увеличения
Название: image.jpg
Просмотров: 1418
Размер:	411.8 Кб
ID:	49457  
__________________
Я против ксенона...
aca300 вне форума   Вверх Ответить с цитированием
Старый 06.07.2015, 23:02   #354
dg972
Член клуба
Член клуба
 
Аватар для dg972
 
Имя: Дмитрий
Регистрация: 23.12.2012
Адрес: Москва
Авто: Privilege 4x4 2.0 МКП6. Чип АДАКТ. Коричневый орехх. 2012 гр.
Сообщений: 17,178
dg972 dg972 dg972 dg972 dg972 dg972 dg972 dg972 dg972 dg972 dg972
По умолчанию

Это откуда такое чудо?
__________________
"во время войны нельзя говорить плохо о своих, НИКОГДА" ©

Кто понял жизнь тот больше не спешит,
смакует каждый миг и наблюдает.

Мой бортовой журнал. Новое сообщение.
....
dg972 вне форума   Вверх Ответить с цитированием
Старый 06.07.2015, 23:09   #355
aca300
Местный
 
Аватар для aca300
 
Имя: Антон
Регистрация: 25.08.2013
Адрес: Родина Первого Совета (Иваново)
Авто: Лада Vesta АМТ
Сообщений: 1,901
aca300 aca300 aca300 aca300 aca300
Отправить сообщение для aca300 с помощью Skype™
По умолчанию

Цитата:
Сообщение от dg972 Посмотреть сообщение
Это откуда такое чудо?
Это от заднего ПТФ Ниссан Мурано. Нужна ответная фишка. Не очень охота колхозить на ВАЗовскую.
__________________
Я против ксенона...
aca300 вне форума   Вверх Ответить с цитированием
Старый 06.07.2015, 23:12   #356
dg972
Член клуба
Член клуба
 
Аватар для dg972
 
Имя: Дмитрий
Регистрация: 23.12.2012
Адрес: Москва
Авто: Privilege 4x4 2.0 МКП6. Чип АДАКТ. Коричневый орехх. 2012 гр.
Сообщений: 17,178
dg972 dg972 dg972 dg972 dg972 dg972 dg972 dg972 dg972 dg972 dg972
По умолчанию

Антон, имхо, то же самое как и у нас с колодками. Только вместе со жгутом проводки.
__________________
"во время войны нельзя говорить плохо о своих, НИКОГДА" ©

Кто понял жизнь тот больше не спешит,
смакует каждый миг и наблюдает.

Мой бортовой журнал. Новое сообщение.
....
dg972 вне форума   Вверх Ответить с цитированием
Пользователь сказал cпасибо:
Старый 06.07.2015, 23:32   #357
aca300
Местный
 
Аватар для aca300
 
Имя: Антон
Регистрация: 25.08.2013
Адрес: Родина Первого Совета (Иваново)
Авто: Лада Vesta АМТ
Сообщений: 1,901
aca300 aca300 aca300 aca300 aca300
Отправить сообщение для aca300 с помощью Skype™
По умолчанию

Цитата:
Сообщение от dg972 Посмотреть сообщение
Антон, имхо, то же самое как и у нас с колодками. Только вместе со жгутом проводки.
Не понял. Только разбор?
__________________
Я против ксенона...
aca300 вне форума   Вверх Ответить с цитированием
Старый 06.07.2015, 23:32   #358
dg972
Член клуба
Член клуба
 
Аватар для dg972
 
Имя: Дмитрий
Регистрация: 23.12.2012
Адрес: Москва
Авто: Privilege 4x4 2.0 МКП6. Чип АДАКТ. Коричневый орехх. 2012 гр.
Сообщений: 17,178
dg972 dg972 dg972 dg972 dg972 dg972 dg972 dg972 dg972 dg972 dg972
По умолчанию

Угу.
__________________
"во время войны нельзя говорить плохо о своих, НИКОГДА" ©

Кто понял жизнь тот больше не спешит,
смакует каждый миг и наблюдает.

Мой бортовой журнал. Новое сообщение.
....
dg972 вне форума   Вверх Ответить с цитированием
Старый 08.07.2015, 00:24   #359
dg972
Член клуба
Член клуба
 
Аватар для dg972
 
Имя: Дмитрий
Регистрация: 23.12.2012
Адрес: Москва
Авто: Privilege 4x4 2.0 МКП6. Чип АДАКТ. Коричневый орехх. 2012 гр.
Сообщений: 17,178
dg972 dg972 dg972 dg972 dg972 dg972 dg972 dg972 dg972 dg972 dg972
По умолчанию СВЕТОВЫЕ ИНДИКАТОРЫ на приборке

Из нового мауала...













Фотки можно скачать, распечатать и положить в карман сидушки.
Миниатюры
Нажмите на изображение для увеличения
Название: СВЕТОВЫЕ ИНДИКАТОРЫ 1.jpg
Просмотров: 5364
Размер:	221.2 Кб
ID:	49503   Нажмите на изображение для увеличения
Название: СВЕТОВЫЕ ИНДИКАТОРЫ 2.jpg
Просмотров: 3302
Размер:	254.1 Кб
ID:	49504   Нажмите на изображение для увеличения
Название: СВЕТОВЫЕ ИНДИКАТОРЫ 3.jpg
Просмотров: 2733
Размер:	177.0 Кб
ID:	49505   Нажмите на изображение для увеличения
Название: СВЕТОВЫЕ ИНДИКАТОРЫ 4.jpg
Просмотров: 2546
Размер:	102.5 Кб
ID:	49506   Нажмите на изображение для увеличения
Название: СВЕТОВЫЕ ИНДИКАТОРЫ 5.jpg
Просмотров: 3190
Размер:	127.7 Кб
ID:	49507  

Нажмите на изображение для увеличения
Название: СВЕТОВЫЕ ИНДИКАТОРЫ 6.jpg
Просмотров: 2927
Размер:	121.8 Кб
ID:	49508  
__________________
"во время войны нельзя говорить плохо о своих, НИКОГДА" ©

Кто понял жизнь тот больше не спешит,
смакует каждый миг и наблюдает.

Мой бортовой журнал. Новое сообщение.
....
dg972 вне форума   Вверх Ответить с цитированием
3 пользователя(ей) сказали cпасибо:
Старый 11.07.2015, 14:01   #360
aca300
Местный
 
Аватар для aca300
 
Имя: Антон
Регистрация: 25.08.2013
Адрес: Родина Первого Совета (Иваново)
Авто: Лада Vesta АМТ
Сообщений: 1,901
aca300 aca300 aca300 aca300 aca300
Отправить сообщение для aca300 с помощью Skype™
По умолчанию

Помогите ссылкой. Никак не могу найти распиновку по цветам проводов задних фонарей. Левый нашёл, а правый никак.
Посмотрел на колодку проводки, не понял, как она открывается?
__________________
Я против ксенона...
aca300 вне форума   Вверх Ответить с цитированием
Ответ


Ваши права в разделе
Вы не можете создавать новые темы
Вы не можете отвечать в темах
Вы не можете прикреплять вложения
Вы не можете редактировать свои сообщения

BB коды Вкл.
Смайлы Вкл.
[IMG] код Вкл.
HTML код Выкл.

Быстрый переход


Текущее время: 06:22. Часовой пояс GMT +3.
Powered by vBulletin® Version 3.8.7
Copyright ©2000 - 2026, vBulletin Solutions, Inc. Перевод: zCarot
vB.Sponsors

Яндекс.Метрика