Вернуться на главную
Старый 08.01.2016, 22:05   #41
Clim
Член клуба
Член клуба
 
Аватар для Clim
 
Имя: Сергей
Регистрация: 09.12.2012
Адрес: Смоленск
Авто: Duster 1,5 dCi Ф2 (Жорик)
Сообщений: 3,388
Clim Clim Clim Clim Clim Clim Clim Clim Clim
Отправить сообщение для Clim с помощью ICQ
По умолчанию

Цитата:
Сообщение от YuriyVZ Посмотреть сообщение
1. Нетбук (зарядник только от 220)
2. Фото и видео зарядники - 3 штуки (только от 220).
3. Зарядники для телефонов и планшетов (1 только от 220, остальные 220 и USB)
4. Автохолодильник (от 220 и 12 В)
5. Несколько раз использовал паяльник на 220.
1-3 А не пробовал прикупить зарядники от 12В. Типа дома от 220, в машине от12
4. так он потому и авто, что от12 работает
5. Пипец, кто отменил паяльник на 12 в.

Мы преодолеваем или стремимся?
__________________
Не бери дурного в голову и тяжёлого в руки и тогда ты проживешь долгую и счастливую жизнь



В наличии:
Клубные карты - 3 шт.
Clim вне форума   Вверх Ответить с цитированием
Это может быть интересно
Старый 08.01.2016, 22:11   #42
Clim
Член клуба
Член клуба
 
Аватар для Clim
 
Имя: Сергей
Регистрация: 09.12.2012
Адрес: Смоленск
Авто: Duster 1,5 dCi Ф2 (Жорик)
Сообщений: 3,388
Clim Clim Clim Clim Clim Clim Clim Clim Clim
Отправить сообщение для Clim с помощью ICQ
По умолчанию

Цитата:
Сообщение от YuriyVZ Посмотреть сообщение
В общем, если говорить о получении именно 220, то инвертер оптимален, но удобнее было бы его встроить куда-нибудь в панель и вывести розетку на 220 (с выключателем).
Два вон тех 7ач, с которых начали тему не о чем в параллель, в спичечном коробке схема на 19в и пусть сосет твой нетбук неделю
__________________
Не бери дурного в голову и тяжёлого в руки и тогда ты проживешь долгую и счастливую жизнь



В наличии:
Клубные карты - 3 шт.
Clim вне форума   Вверх Ответить с цитированием
Старый 08.01.2016, 22:21   #43
Jora
Местный
 
Аватар для Jora
 
Имя: _
Регистрация: 10.04.2013
Адрес: Тамбов
Авто: Privilege 1.6 4x4 ESP май 2013 круиз-контроль чип-тюнинг от Paulus
Сообщений: 2,502
Jora Jora Jora Jora
По умолчанию

Цитата:
Сообщение от YuriyVZ Посмотреть сообщение
1. Нетбук (зарядник только от 220)
2. Фото и видео зарядники - 3 штуки (только от 220).
3. Зарядники для телефонов и планшетов (1 только от 220, остальные 220 и USB)
4. Автохолодильник (от 220 и 12 В)
5. Несколько раз использовал паяльник на 220.
Это всё маломощные потребители, им хватит самого простого инвертора (100 ватт с троекратным запасом), имхо если что-то серьёзное колхозить то надо вначале ставить второй аккумулятор в авто
Jora вне форума   Вверх Ответить с цитированием
2 пользователя(ей) сказали cпасибо:
Старый 08.01.2016, 22:26   #44
Clim
Член клуба
Член клуба
 
Аватар для Clim
 
Имя: Сергей
Регистрация: 09.12.2012
Адрес: Смоленск
Авто: Duster 1,5 dCi Ф2 (Жорик)
Сообщений: 3,388
Clim Clim Clim Clim Clim Clim Clim Clim Clim
Отправить сообщение для Clim с помощью ICQ
По умолчанию

Цитата:
Сообщение от Jora Посмотреть сообщение
ставить второй аккумулятор в авто
В багажник и схему согласования для заряда-разряда, а то у генератора башню сорвет от лишней емкости.
Зачем 220?
__________________
Не бери дурного в голову и тяжёлого в руки и тогда ты проживешь долгую и счастливую жизнь



В наличии:
Клубные карты - 3 шт.
Clim вне форума   Вверх Ответить с цитированием
Старый 09.01.2016, 01:12   #45
YuriyVZ
Администратор
Член клуба
 
Аватар для YuriyVZ
 
Регистрация: 07.12.2012
Адрес: Санкт-Петербург
Авто: Duster 1.5 dci Тореадор + ADACT
Сообщений: 20,559
YuriyVZ YuriyVZ YuriyVZ YuriyVZ YuriyVZ YuriyVZ YuriyVZ YuriyVZ YuriyVZ YuriyVZ YuriyVZ
По умолчанию

Цитата:
Сообщение от Clim Посмотреть сообщение
1-3 А не пробовал прикупить зарядники от 12В. Типа дома от 220, в машине от12
Учитывая, что каждая стоит около 2 тыс, а то и больше, нет особого желания.

Цитата:
Сообщение от Clim Посмотреть сообщение
5. Пипец, кто отменил паяльник на 12 в.
Ну, да ради двух использований за 10 лет мне новый паяльник покупать.
В плюс четырем зарядникам, итого под 10 тыс. А потом еще что-то на 220 появится...

Цитата:
Сообщение от Clim Посмотреть сообщение
4. так он потому и авто, что от12 работает
Ну, в общем, да в теме про 220 он лишний, он скорее к теме об источнике питания.


Цитата:
Сообщение от Jora Посмотреть сообщение
то всё маломощные потребители, им хватит самого простого инвертора (100 ватт с троекратным запасом)
Нетбук - 80 Вт, автохолодильник - 48 Вт (показания домашнего ИБП), ну и нетбук иногда отрубает инвертер на 100 Вт.

Цитата:
Сообщение от Clim Посмотреть сообщение
Два вон тех 7ач, с которых начали тему не о чем в параллель, в спичечном коробке схема на 19в и пусть сосет твой нетбук неделю
Про неделю не понял, он 40 АЧ за полдня съедает.

Цитата:
Сообщение от Jora Посмотреть сообщение
имхо если что-то серьёзное колхозить то надо вначале ставить второй аккумулятор в авто
Тут нужно разделять источник и способ получения 220.

Меня озвученное выше решение вполне устраивает, разве что сменить инвертер на чуть более мощный (200-300 Вт) и удобный, с нормальной розеткой, либо просто к этому пока пилот прикручу.

В общем, идеальный вариант некая коробка с розетками на 12 и 220, аккумуляторами на 40-50Ач с нормальным температурным режимом, герметичные и подзарядкой также от 12 и 220.
Но стоить это будет около 20 тыс. (свой пускатель купил за 12 если не ошибаюсь).
Тогда и не только в машине пригодилось бы!
YuriyVZ вне форума   Вверх Ответить с цитированием
Старый 09.01.2016, 16:41   #46
Айнис
Новичок
 
Регистрация: 03.10.2013
Адрес: Янаул Башкирия
Авто: Дастер 2.0 привеледж 4+4
Сообщений: 20
Айнис
По умолчанию

Не думал,что эта тема привлечет столько внимания. По теме: на заимке в домике освещение 220 вольт питается от дизельного генератора. Холодным зимним вечером надоело пинать его кик стартер,не заводится паразит и все, когда он нужен. Вот и спас ибп. Из багажника вытаскиваю комповский фильтр в 5 розеток из выхода ибп,удлинитель в эти розетки,другой конец в розетку в домике. Там три лампочки по 100 ватт. Друзьями водочки-закусочки, двоюродной женушкой тити-мити-занимает 2-3 часа. Ибп пипикает в багажнике,приносит пользу,он вырубаться будет при снижении напряжения ниже 12 вольт.ибо программирован беречь свой аккум в 7 а/ч,а тут прицепили ему 70 а/ч.Пока не отключался ни разу,пищалку пока отключать не буду,что бы не забыть про него после гужбана. По приезду в гараж на ибп включаю 220 вольт, заряжает до утра нежно и прилежно,сначала постоянно,потом циклическим зарядом,что хорошо аккуму,после отключается.Это не автозарядник,который заставляет кипеть электролит.Пока служит,спасибо ему. А заумные инверторы приборы покупать денег нема,кризис однако.
Айнис вне форума   Вверх Ответить с цитированием
Старый 10.01.2016, 08:53   #47
quq
Завсегдатай
 
Имя: quq
Регистрация: 06.07.2015
Адрес: Екатеринбург
Авто: Expression 2015, 2.0 4х4 МКПП ESP
Сообщений: 139
quq
По умолчанию

Цитата:
Сообщение от Clim Посмотреть сообщение
а то у генератора башню сорвет от лишней емкости.
Эт вряд ли.
Цитата:
Сообщение от YuriyVZ Посмотреть сообщение
аккумуляторами ... герметичные
смысл? да и полностью герметичных (свинцовых) не бывает. В все равно АКБ жидкий и не герметичный.
Цитата:
Сообщение от Айнис Посмотреть сообщение
в гараж на ибп включаю 220 вольт, заряжает до утра нежно и прилежно, сначала постоянно, потом циклическим зарядом, что хорошо аккуму, после отключается. Это не автозарядник ...
Хороший ИБП, модель?, а то большинство ИБП рассчитаны на гелевые Ак. и соответственно могут поднимать U заряда в конце до 15 V., и приходится подливать дистиллят.
__________________
Все доступные пакеты, кроме литья и пепельницы. Я не нытик а критикун.

Последний раз редактировалось quq; 10.01.2016 в 08:54.
quq вне форума   Вверх Ответить с цитированием
Старый 10.01.2016, 10:58   #48
jimmik
.
 
Имя: Rifat
Регистрация: 29.12.2014
Адрес: Moscow
Авто: 2,0 4вд есп. белый
Сообщений: 1,681
jimmik jimmik jimmik jimmik
По умолчанию

Купил себе как-то преобразователь 12 на 220, для того чтобы настраивать гбо, через системник и жк телевизор 10 дюймов в качестве монитора. Поясню, у меня гбо российское и нужен ком порт, не на всех ноутбуках он был. Сейчас уже есть халявный ноутбук, но во всех машинах лежат ибп и через прикуриватель подключаю.
Преобразователь (инвертор) перекочевал на микроавтобус.
И вот почему он нужен! Пусть редко но метко. Один раз заклинил замок на гараже-пенале, болгарка и замок спилен. А так где искать 220 , ножовкой не подлезть.
Второй раз, отключили электричество на даче, но срочно нужна была вода, тоже немного попыхтел инвертор и дом с водой. И третий раз, но не пригодился, у мужика на дороге, оторвало глушитель. Я ему предложил помощь по быстрому отрезать болгаркой. Но он решил сам его покурочить в стороны и вроде оторвал.
Инвертор у меня 1200вт(пик 2000вт), плюс есть блок из трех дросселей(мощных), которые из меандра делают практически синусоиду. Т.е запитать 500-700вт кондиционер не проблема. И обмотки компрессора греться не будут вообще.
jimmik вне форума   Вверх Ответить с цитированием
Старый 10.01.2016, 15:33   #49
YuriyVZ
Администратор
Член клуба
 
Аватар для YuriyVZ
 
Регистрация: 07.12.2012
Адрес: Санкт-Петербург
Авто: Duster 1.5 dci Тореадор + ADACT
Сообщений: 20,559
YuriyVZ YuriyVZ YuriyVZ YuriyVZ YuriyVZ YuriyVZ YuriyVZ YuriyVZ YuriyVZ YuriyVZ YuriyVZ
По умолчанию

Цитата:
Сообщение от quq Посмотреть сообщение
смысл? да и полностью герметичных (свинцовых) не бывает.
Чтобы дома спокойно заряжать. Написано "Герметичная кислотно-свинцовая ", по форме примерно такие как в ИБП, т.е. герметичная, но диапазон рабочих температур -20 - +40.
YuriyVZ вне форума   Вверх Ответить с цитированием
Старый 10.01.2016, 19:56   #50
Айнис
Новичок
 
Регистрация: 03.10.2013
Адрес: Янаул Башкирия
Авто: Дастер 2.0 привеледж 4+4
Сообщений: 20
Айнис
По умолчанию

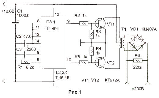
Для сравнения:1.схема преобразователя 2. схема ибп 3. схема ДС-АС преобразователя 12-220вольт. 4.устройство платы ибп. Преобразователь Car400- 400ватт стоит 3520 руб. Мне ибп достался бесплатно,что бы зря не пылился,поиспользую,посмотрю,сколько выдержит,он 2006 года выпуска,списан,свое в конторе отработал уже.
Миниатюры
Нажмите на изображение для увеличения
Название: 2603_1 схема преобразователя.gif
Просмотров: 1416
Размер:	13.2 Кб
ID:	56471   Нажмите на изображение для увеличения
Название: ippon_charger_large.gif
Просмотров: 977
Размер:	45.6 Кб
ID:	56472   Нажмите на изображение для увеличения
Название: ДС-АС преобразователь 12-220.jpg
Просмотров: 927
Размер:	83.9 Кб
ID:	56473   Нажмите на изображение для увеличения
Название: ippon_charger.jpg
Просмотров: 932
Размер:	61.1 Кб
ID:	56474  
Айнис вне форума   Вверх Ответить с цитированием
Старый 10.01.2016, 21:09   #51
dg972
Член клуба
Член клуба
 
Аватар для dg972
 
Имя: Дмитрий
Регистрация: 23.12.2012
Адрес: Москва
Авто: Privilege 4x4 2.0 МКП6. Чип АДАКТ. Коричневый орехх. 2012 гр.
Сообщений: 17,178
dg972 dg972 dg972 dg972 dg972 dg972 dg972 dg972 dg972 dg972 dg972
По умолчанию

Вопросы...
У них у всех меандр на выходе?
У них у всех, в обеих дырках в розетке индикатор светиться?
Никто не пробовал на землю фаза пробивает? Сильно чувствуется?
Заземляющий контакт розетки соединен с корпусом машины?
Никто под напряжение не попадал? Есть разница по ощущениям между синусоидой и меандром?

Ну просто любопытно...
__________________
"во время войны нельзя говорить плохо о своих, НИКОГДА" ©

Кто понял жизнь тот больше не спешит,
смакует каждый миг и наблюдает.

Мой бортовой журнал. Новое сообщение.
....
dg972 вне форума   Вверх Ответить с цитированием
Старый 10.01.2016, 21:54   #52
сова
Член клуба
Член клуба
 
Аватар для сова
 
Имя: Юрий
Регистрация: 21.12.2013
Адрес: Новая Москва
Сообщений: 304
сова сова
По умолчанию

Цитата:
Сообщение от dg972 Посмотреть сообщение
У них у всех меандр на выходе?



Цитата:
Сообщение от dg972 Посмотреть сообщение
У них у всех, в обеих дырках в розетке индикатор светиться?
За все не скажу, но логично предположить что на всех.
Цитата:
Сообщение от dg972 Посмотреть сообщение
Никто не пробовал на землю фаза пробивает? Сильно чувствуется?
Ток на землю будет но очень незначительный (из IT переходим в TN).
Цитата:
Сообщение от dg972 Посмотреть сообщение
Заземляющий контакт розетки соединен с корпусом машины?
ИМХО, в правильном инверторе должен быть соединен, при первом замыкании на землю, система станет TN, при втором должна отработать защита.
Цитата:
Сообщение от dg972 Посмотреть сообщение
Никто под напряжение не попадал? Есть разница по ощущениям между синусоидой и меандром?
Слава Богу, не доводилось.
сова вне форума   Вверх Ответить с цитированием
2 пользователя(ей) сказали cпасибо:
Старый 10.01.2016, 22:21   #53
dg972
Член клуба
Член клуба
 
Аватар для dg972
 
Имя: Дмитрий
Регистрация: 23.12.2012
Адрес: Москва
Авто: Privilege 4x4 2.0 МКП6. Чип АДАКТ. Коричневый орехх. 2012 гр.
Сообщений: 17,178
dg972 dg972 dg972 dg972 dg972 dg972 dg972 dg972 dg972 dg972 dg972
По умолчанию

Какая антиресная картинка... Этож кто, Меандр? Первый раз такое вижу...

Я к такому меандру привык:

__________________
"во время войны нельзя говорить плохо о своих, НИКОГДА" ©

Кто понял жизнь тот больше не спешит,
смакует каждый миг и наблюдает.

Мой бортовой журнал. Новое сообщение.
....
dg972 вне форума   Вверх Ответить с цитированием
Старый 10.01.2016, 22:35   #54
сова
Член клуба
Член клуба
 
Аватар для сова
 
Имя: Юрий
Регистрация: 21.12.2013
Адрес: Новая Москва
Сообщений: 304
сова сова
По умолчанию

Дим, обрати внимание на конструкцию трансформатора.

А ключи работают в таком порядке
сова вне форума   Вверх Ответить с цитированием
Старый 10.01.2016, 22:41   #55
dg972
Член клуба
Член клуба
 
Аватар для dg972
 
Имя: Дмитрий
Регистрация: 23.12.2012
Адрес: Москва
Авто: Privilege 4x4 2.0 МКП6. Чип АДАКТ. Коричневый орехх. 2012 гр.
Сообщений: 17,178
dg972 dg972 dg972 dg972 dg972 dg972 dg972 dg972 dg972 dg972 dg972
По умолчанию

Пока не понял, откуда там плечо на нулевом уровне? И почему средняя точка транса на +12В, а не на корпус подключена?
__________________
"во время войны нельзя говорить плохо о своих, НИКОГДА" ©

Кто понял жизнь тот больше не спешит,
смакует каждый миг и наблюдает.

Мой бортовой журнал. Новое сообщение.
....
dg972 вне форума   Вверх Ответить с цитированием
Старый 10.01.2016, 22:48   #56
сова
Член клуба
Член клуба
 
Аватар для сова
 
Имя: Юрий
Регистрация: 21.12.2013
Адрес: Новая Москва
Сообщений: 304
сова сова
По умолчанию

Цитата:
Сообщение от dg972 Посмотреть сообщение
Пока не понял, откуда там плечо на нулевом уровне? И почему средняя точка транса на +12В, а не на корпус подключена?
Ключи поочередно замыкают каждую половину обмотки на "-", когда открыт один ключ - на выходе положительный импульс, когда второй - отрицательный, в момент когда оба ключа закрыты на выходе "0".
сова вне форума   Вверх Ответить с цитированием
2 пользователя(ей) сказали cпасибо:
Старый 10.01.2016, 22:59   #57
YuriyVZ
Администратор
Член клуба
 
Аватар для YuriyVZ
 
Регистрация: 07.12.2012
Адрес: Санкт-Петербург
Авто: Duster 1.5 dci Тореадор + ADACT
Сообщений: 20,559
YuriyVZ YuriyVZ YuriyVZ YuriyVZ YuriyVZ YuriyVZ YuriyVZ YuriyVZ YuriyVZ YuriyVZ YuriyVZ
По умолчанию

Цитата:
Сообщение от dg972 Посмотреть сообщение
У них у всех меандр на выходе?
На некоторых пишут, что синусоида, но они от 15 тыс. стоят, даже на 300 Вт.
YuriyVZ вне форума   Вверх Ответить с цитированием
Пользователь сказал cпасибо:
Старый 10.01.2016, 23:12   #58
dg972
Член клуба
Член клуба
 
Аватар для dg972
 
Имя: Дмитрий
Регистрация: 23.12.2012
Адрес: Москва
Авто: Privilege 4x4 2.0 МКП6. Чип АДАКТ. Коричневый орехх. 2012 гр.
Сообщений: 17,178
dg972 dg972 dg972 dg972 dg972 dg972 dg972 dg972 dg972 dg972 dg972
По умолчанию





Первая фотка - выход после выпрямителя.
Второе изображение - на базах транзисторов?
__________________
"во время войны нельзя говорить плохо о своих, НИКОГДА" ©

Кто понял жизнь тот больше не спешит,
смакует каждый миг и наблюдает.

Мой бортовой журнал. Новое сообщение.
....
dg972 вне форума   Вверх Ответить с цитированием
Старый 10.01.2016, 23:32   #59
сова
Член клуба
Член клуба
 
Аватар для сова
 
Имя: Юрий
Регистрация: 21.12.2013
Адрес: Новая Москва
Сообщений: 304
сова сова
По умолчанию

Цитата:
Сообщение от dg972 Посмотреть сообщение
Первая фотка - выход после выпрямителя. Второе изображение - на базах транзисторов?
Картинку не удачную выбрал, нет там выпрямителя, не нужен он.
Первая - на вторичной обмотки трансформатора.
Вторая - да, на базах.
Такую форму напряжения имеют большинство автомобильных инверторов. Для кратковременного бытового применения этого вполне достаточно.
Для компьютерных ИБП форма вообще не важна, там везде импульсные блоки питания. Главное, чтобы действующее значение было 220В.
Чистый синус нужен если планируется долговременно использовать индуктивную нагрузку, электродвигатели газоразрядные лампы, трансформаторы.
сова вне форума   Вверх Ответить с цитированием
2 пользователя(ей) сказали cпасибо:
Старый 11.01.2016, 03:53   #60
Серёга-73
Член клуба
Член клуба
 
Аватар для Серёга-73
 
Имя: Сергей
Регистрация: 09.09.2013
Адрес: Ульяновск
Авто: Luxe 2.0LPG МКПП4х4; ESP; КК; Biltema; ГБО Lovato Smart/Fast
Сообщений: 1,912
Серёга-73 Серёга-73 Серёга-73 Серёга-73 Серёга-73
По умолчанию

сова, а если к ИБП подключить дрель, болгарку (для разового применения), водяной насос (на минут 5) потянет?
Серёга-73 вне форума   Вверх Ответить с цитированием
Ответ

Опции темы Поиск в этой теме
Поиск в этой теме:

Расширенный поиск
Опции просмотра

Ваши права в разделе
Вы не можете создавать новые темы
Вы не можете отвечать в темах
Вы не можете прикреплять вложения
Вы не можете редактировать свои сообщения

BB коды Вкл.
Смайлы Вкл.
[IMG] код Вкл.
HTML код Выкл.

Быстрый переход


Текущее время: 04:54. Часовой пояс GMT +3.
Powered by vBulletin® Version 3.8.7
Copyright ©2000 - 2026, vBulletin Solutions, Inc. Перевод: zCarot
vB.Sponsors

Яндекс.Метрика