Вернуться на главную

Вернуться   Форум Клуба Рено Дастер / Renault Duster Club > Коммерческие разделы > Предложения от членов клуба

Важная информация


Ответ
 
Опции темы Поиск в этой теме Опции просмотра
Старый 25.11.2014, 20:50   #1
сова
Член клуба
Член клуба
 
Аватар для сова
 
Имя: Юрий
Регистрация: 21.12.2013
Адрес: Новая Москва
Сообщений: 304
сова сова
По умолчанию Контроллер стеклоочистителей

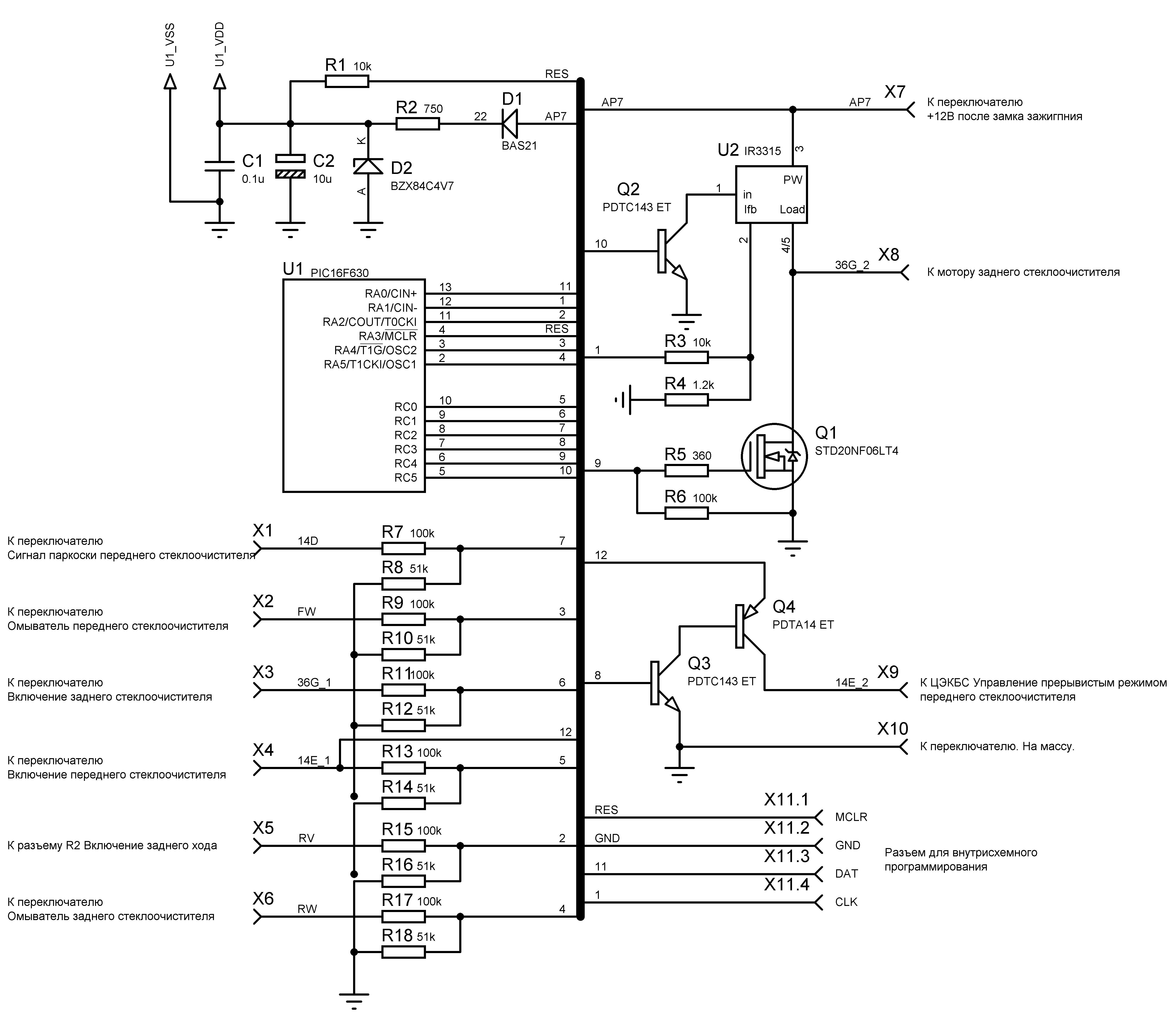
Контроллер управления стеклоочистителями
С подачи и при активном участии наших товарищей dg972 и gagarin74 был создан вот такой контроллер. Не смотря на то, что сам я изначально скептически относился к этой идее, результат меня порадовал. Огромное спасибо всем кто принял участие в этом проекте!
Вот, что получилось.

Особенности.
• Регулировка паузы переднего стеклоочистителя от 0,5 до 60 секунд.
• Регулировка паузы заднего стеклоочистителя от 0,5 до 120 секунд.
Полуавтоматический режим для заднего стеклоочистителя.
Очистка заднего стекла при включении заднего хода (только для полуавтоматического режима)
• Возможность программирования основных параметров.
Управление передним стеклоочистителем.
Нажмите здесь, чтобы увидеть весь текст
После включения зажигания, так же если стеклоочиститель был выключен на время более установленной максимальной паузы (по умолчанию 60 сек.) устанавливается стандартная пауза, по умолчанию равная 5 секундам.
Для увеличения паузы необходимо выключить стеклоочиститель и выдержав необходимое время включить его снова. Теперь длительность паузы будет равна времени от последнего взмаха щеток до момента включения прерывистого режима.
Для уменьшения паузы необходимо выключить и сразу включить стеклоочиститель. В этом случае новая пауза, также будет равна времени от последнего взмаха щеток до момента включения. Кроме того, для уменьшения паузы можно перевести переключатель в положение непрерывной работы и в течении первого взмаха щеток вернуть в прерывистый режим. Если непрерывный режим был включен более чем на один взмах, пауза не изменится. Включение омывателя также не изменяет длительность паузы.

Управление задним стеклоочистителем.
Нажмите здесь, чтобы увидеть весь текст
Для заднего стеклоочистителя предусмотрено два режима работы.
1. Полуавтоматический режим (установлен по умолчанию)
В этом режиме задний стеклоочиститель будет делать один взмах при первом включении* и далее на каждый, по умолчанию 10-й, взмах переднего стеклоочистителя, при условии, что переключатель заднего выключен.
Если при первом включении* переднего стеклоочистителя, в течении первого взмаха щеток он будет выключен, то работа заднего стеклоочистителя будет отложена до более длительного включения переднего стеклоочистителя.
При включении заднего хода, если включен передний стеклоочиститель, щетка заднего стеклоочистителя сделает несколько взмахов (по умолчанию 2) и далее будет делать по одному взмаху на каждый взмах переднего.
Если переключатель заднего стеклоочистителя включен, то щетка будет двигаться непрерывно.
При ручном включении заднего стеклоочистителя и включении омывателя заднего стекла отсчет взмахов переднего стеклоочистителя начинается сначала.
Включение омывателя лобового стекла (не зависимо от того, сколько взмахов сделает щетка 1 или 3) учитывается как один взмах при условии, что передний стеклоочиститель включен в любом режиме. В противном случае включение омывателя не влияет на работу заднего стеклоочистителя.
* - первое включение, это включение непосредственно после включения зажигания или по истечении времени максимальной паузы.
2. Режим регулировки паузы.
В этом режиме регулировка паузы происходит аналогично регулировке переднего стеклоочистителя. Включение при движении задним ходом не происходит.
В обоих режимах предусмотрена задержка движения щетки заднего стеклоочистителя при включении омывателя.

Дополнительно
Нажмите здесь, чтобы увидеть весь текст
Если при включении зажигания, по какой-либо причине, оказался включен один или оба стеклоочистителя, то щетки не начнут движения пока их переключатели не будут выключены вручную. Это не относится к непрерывному режиму переднего стеклоочистителя.
Перевести задний стеклоочиститель из полуавтоматического режима в режим регулируемой паузы и обратно можно во время движения, четырехкратным включением-выключением переключателя заднего стеклоочистителя в течении 2х секунд.


Цена контроллера на данный момент 1900 руб.
Оплата возможна на Киви или карту Сбербанка.
Доставка в регионы возможна только почтой России.
Миниатюры
Нажмите на изображение для увеличения
Название: Схема.jpg
Просмотров: 3388
Размер:	1,005.4 Кб
ID:	37061   Нажмите на изображение для увеличения
Название: Подключение Контролера.jpg
Просмотров: 2789
Размер:	143.7 Кб
ID:	54176  
Вложения
Тип файла: zip прошивка.zip (2.5 Кб, 2198 просмотров)
Тип файла: zip Фотогайд Подключение_контроллера_стеклоочистителей_1.zip (2.78 Мб, 2281 просмотров)
Тип файла: zip Контроллер управления стеклоочистителем Руководство.zip (96.6 Кб, 2213 просмотров)

Последний раз редактировалось сова; 07.11.2015 в 18:02.
сова вне форума   Вверх Ответить с цитированием
15 пользователя(ей) сказали cпасибо:
Это может быть интересно
Старый 12.05.2015, 19:00   #41
сова
Член клуба
Член клуба
 
Аватар для сова
 
Имя: Юрий
Регистрация: 21.12.2013
Адрес: Новая Москва
Сообщений: 304
сова сова
По умолчанию

Цитата:
Сообщение от dg972 Посмотреть сообщение
Юр, такой хаос будет в работе лобового очистителя... Мама - негорюй...
Почему? Часть контроллера которая отвечает за передний стеклоочиститель, просто не подключаем. Передний полностью под управление ДД или как там оно сейчас подключено. А задний под управление контроллера работает независимо или следит за передним. Как-то так...
сова вне форума   Вверх Ответить с цитированием
Пользователь сказал cпасибо:
Это может быть интересно
Старый 12.05.2015, 19:46   #42
potepev
Новичок
 
Имя: женя
Регистрация: 08.04.2013
Адрес: сыктывкар
Авто: привеледж
Сообщений: 11
potepev
По умолчанию

Спасибо Юра!Хотелось услышать ваше мнение.
potepev вне форума   Вверх Ответить с цитированием
Старый 11.06.2015, 16:59   #43
СергейС13
Новичок
 
Имя: Сергей
Регистрация: 06.06.2014
Адрес: Мордовия
Сообщений: 15
СергейС13
По умолчанию

Получил и смонтировал контроллер и удлинитель. Только положительные эмоции, всем рекомендую. Контроллер это действительно контроллер, а не регулятор паузы стеклоочистителей. Задний стеклоочиститель теперь принимает непосредственное и своевременное участие в движении. Спасибо разработчику.
СергейС13 вне форума   Вверх Ответить с цитированием
3 пользователя(ей) сказали cпасибо:
Старый 26.07.2015, 22:06   #44
andrey_
Член клуба
Член клуба
 
Аватар для andrey_
 
Имя: Андрей
Регистрация: 24.12.2013
Адрес: Москва САО
Авто: Renault Kaptur 2.0, 4x4, АКПП Style
Сообщений: 1,725
andrey_ andrey_ andrey_ andrey_ andrey_ andrey_ andrey_
По умолчанию

Встретился сегодня с Дмитрием (dg972), забрал контроллер стеклоочистителя. Огромное спасибо Юрию (сова)! Теперь осталось выбрать время и вживить этот чудо девайс!
__________________
andrey_ вне форума   Вверх Ответить с цитированием
2 пользователя(ей) сказали cпасибо:
Старый 30.07.2015, 17:10   #45
Timmon
Член клуба
Член клуба
 
Аватар для Timmon
 
Имя: Дмитрий
Регистрация: 11.04.2013
Адрес: Тула
Авто: ARKANA 1.3 ТСа 4WD
Сообщений: 710
Timmon Timmon Timmon Timmon Timmon
По умолчанию

Спасибо большое этим людям dg972, сова, и ещё тем кто принимал в разработке и идее таких дивайсов . На летнем спринте встретился с ребятами и с Юрой который предоставил и установил быстро и аккуратно контролер стеклоочистителей , очень полезная и нужная вещь , всё работает на ура .Спасибо большое.
__________________



Владение русской орфографией - это как владение кунг-фу, настоящие мастера не применяют его без необходимости.
Timmon вне форума   Вверх Ответить с цитированием
2 пользователя(ей) сказали cпасибо:
Старый 10.10.2015, 17:19   #46
vepsar
Новичок
 
Имя: Олег
Регистрация: 30.03.2015
Адрес: Карелия
Сообщений: 8
vepsar
По умолчанию

На рейстал подойдет?
vepsar вне форума   Вверх Ответить с цитированием
Старый 10.10.2015, 18:25   #47
сова
Член клуба
Член клуба
 
Аватар для сова
 
Имя: Юрий
Регистрация: 21.12.2013
Адрес: Новая Москва
Сообщений: 304
сова сова
По умолчанию

Цитата:
Сообщение от vepsar Посмотреть сообщение
На рейстал подойдет?
Нет.
сова вне форума   Вверх Ответить с цитированием
Старый 11.10.2015, 18:11   #48
dg972
Член клуба
Член клуба
 
Аватар для dg972
 
Имя: Дмитрий
Регистрация: 23.12.2012
Адрес: Москва
Авто: Privilege 4x4 2.0 МКП6. Чип АДАКТ. Коричневый орехх. 2012 гр.
Сообщений: 17,178
dg972 dg972 dg972 dg972 dg972 dg972 dg972 dg972 dg972 dg972 dg972
По умолчанию

Почему?
__________________
"во время войны нельзя говорить плохо о своих, НИКОГДА" ©

Кто понял жизнь тот больше не спешит,
смакует каждый миг и наблюдает.

Мой бортовой журнал. Новое сообщение.
....
dg972 вне форума   Вверх Ответить с цитированием
Старый 11.10.2015, 22:52   #49
сова
Член клуба
Член клуба
 
Аватар для сова
 
Имя: Юрий
Регистрация: 21.12.2013
Адрес: Новая Москва
Сообщений: 304
сова сова
По умолчанию

Цитата:
Сообщение от dg972 Посмотреть сообщение
Почему?
Мотор заднего стеклоочистителя другой, управляется через ЦЭКБС, который кстати тоже сильно изменился. Покупать контроллер только ради переднего стеклоочистителя бессмысленно, ибо дорого. Электрика на рестайле изменилась практически вся. Схема стеклоочистителей теперь выглядит примерно так.
Миниатюры
Нажмите на изображение для увеличения
Название: 0086_A3-page-001.jpg
Просмотров: 2626
Размер:	831.0 Кб
ID:	52916  

Последний раз редактировалось сова; 11.10.2015 в 23:03.
сова вне форума   Вверх Ответить с цитированием
Пользователь сказал cпасибо:
Старый 11.10.2015, 23:14   #50
dg972
Член клуба
Член клуба
 
Аватар для dg972
 
Имя: Дмитрий
Регистрация: 23.12.2012
Адрес: Москва
Авто: Privilege 4x4 2.0 МКП6. Чип АДАКТ. Коричневый орехх. 2012 гр.
Сообщений: 17,178
dg972 dg972 dg972 dg972 dg972 dg972 dg972 dg972 dg972 dg972 dg972
По умолчанию

Юр, а можно на форум схемки рестайла выложить?
__________________
"во время войны нельзя говорить плохо о своих, НИКОГДА" ©

Кто понял жизнь тот больше не спешит,
смакует каждый миг и наблюдает.

Мой бортовой журнал. Новое сообщение.
....
dg972 вне форума   Вверх Ответить с цитированием
Старый 11.10.2015, 23:15   #51
vepsar
Новичок
 
Имя: Олег
Регистрация: 30.03.2015
Адрес: Карелия
Сообщений: 8
vepsar
По умолчанию

На передние точно пойдет? Задним практически не пользуюсь, тем более алгоритм такой, при включении задней передачи, автоматически включается с паузой задний очиститель, если включен передний. А регулировки не хватает именно переднего.
vepsar вне форума   Вверх Ответить с цитированием
Старый 11.10.2015, 23:31   #52
сова
Член клуба
Член клуба
 
Аватар для сова
 
Имя: Юрий
Регистрация: 21.12.2013
Адрес: Новая Москва
Сообщений: 304
сова сова
По умолчанию

Цитата:
Сообщение от dg972 Посмотреть сообщение
Юр, а можно на форум схемки рестайла выложить?
Позже, у меня пока не весь комплект. Я пока не уверен что это российский Дастер, а не бразильский или европейский.Да и выложить их тут, ИМХО, будет нарушением авторских прав. Лучше ссылку, но и в этом случае лавочку могут прикрыть.

Цитата:
Сообщение от vepsar Посмотреть сообщение
На передние точно пойдет? Задним практически не пользуюсь, тем более алгоритм такой, при включении задней передачи, автоматически включается с паузой задний очиститель, если включен передний. А регулировки не хватает именно переднего.
Зачем Вам платить 2000, только за передний, за 300р. поставьте вот такую штуку и будет Вам счастье.
сова вне форума   Вверх Ответить с цитированием
3 пользователя(ей) сказали cпасибо:
Старый 26.10.2015, 18:39   #53
Подводник
Член клуба
Член клуба
 
Аватар для Подводник
 
Имя: Артем
Регистрация: 01.11.2013
Адрес: Севастополь/Москва
Авто: Privilege 2.0 4x4+ESP
Сообщений: 8,756
Подводник Подводник Подводник Подводник Подводник Подводник Подводник Подводник Подводник Подводник Подводник
По умолчанию

Сегодня дождик и я решил запрограммировать контроллер согласно своим предпочтениям. Настроил задний дворник на максимальное кол-во движений переднего (20). Полноценно, я конечно не успел насладится работой дворников. Раньше как-то игнорировал все время работу задней щетки, скорей всего из-за её неудобства (режима постоянного включения).
Думаю, что в ближайшее время я пойму стоит ли отключить задний дворник или оставить его редкие срабатывания.
Отдельное СПАСИБО Юрию, за установку контролера.

Спустя неделю понял и ощутил, что "Удлинитель сигнала поворота" -вещь очень полезная, при движении на дальние расстояния. Как я раньше жил без этого?
В общем удобств прибавилось, автомобиль начинает радовать мелочами.
Подводник вне форума   Вверх Ответить с цитированием
5 пользователя(ей) сказали cпасибо:
Старый 21.12.2015, 16:46   #54
dg972
Член клуба
Член клуба
 
Аватар для dg972
 
Имя: Дмитрий
Регистрация: 23.12.2012
Адрес: Москва
Авто: Privilege 4x4 2.0 МКП6. Чип АДАКТ. Коричневый орехх. 2012 гр.
Сообщений: 17,178
dg972 dg972 dg972 dg972 dg972 dg972 dg972 dg972 dg972 dg972 dg972
По умолчанию

Привет, Юр. На новый Дастер контроллер не дорабатывал?
__________________
"во время войны нельзя говорить плохо о своих, НИКОГДА" ©

Кто понял жизнь тот больше не спешит,
смакует каждый миг и наблюдает.

Мой бортовой журнал. Новое сообщение.
....
dg972 вне форума   Вверх Ответить с цитированием
Старый 21.12.2015, 18:23   #55
сова
Член клуба
Член клуба
 
Аватар для сова
 
Имя: Юрий
Регистрация: 21.12.2013
Адрес: Новая Москва
Сообщений: 304
сова сова
По умолчанию

Цитата:
Сообщение от dg972 Посмотреть сообщение
Привет, Юр. На новый Дастер контроллер не дорабатывал?
Нет пока. Текучка замучила, совсем нет времени.
сова вне форума   Вверх Ответить с цитированием
Пользователь сказал cпасибо:
Старый 07.01.2016, 13:07   #56
сова
Член клуба
Член клуба
 
Аватар для сова
 
Имя: Юрий
Регистрация: 21.12.2013
Адрес: Новая Москва
Сообщений: 304
сова сова
По умолчанию

На днях установили контроллер на Сандеро.
Подключение к подрулевому переключателю такое же, ка в Дастере, отличаются только цвета проводов. Как и предполагал ранее, если в машине отсутствует связь между омавателем и щетками (нет провода от контакта А4 в подрулевом, до контакта А7 ЦЭКБС), то красный тонкий провод контроллера подключать не нужно. Алгоритм работы не меняется.
Возникла проблема при поиске провода на лампы заднего хода. В разъеме R2 (под водительским порогом) его не оказалось. Прокалывать все провода в пучке, чтобы найти нужный - это не наш метод, поэтому подключение заднего хода отложили на потом. Изучая более подробно схемы, становится понятно почему не нашли этот провод с первого раза. Оказывается в Сандеро разъемов с именем R2 может быть аж 2 штуки, один под порогом, а второй чуть дальше в сторону задней части салона.

Последний раз редактировалось сова; 07.01.2016 в 14:55.
сова вне форума   Вверх Ответить с цитированием
Пользователь сказал cпасибо:
Старый 26.01.2016, 14:33   #57
Alexandr011
Новичок
 
Имя: Alexandr
Регистрация: 14.11.2014
Адрес: Москва
Сообщений: 9
Alexandr011
По умолчанию

Ребята подскажите ,а есть вариант подключения реле около заднего стеклоочистителя, просто чтобы махало с интервалом в 5-7 секунд? Просто подключить в разрыв штатных проводов на 5 двери.

Последний раз редактировалось Alexandr011; 26.01.2016 в 14:35.
Alexandr011 вне форума   Вверх Ответить с цитированием
Старый 26.01.2016, 14:42   #58
dg972
Член клуба
Член клуба
 
Аватар для dg972
 
Имя: Дмитрий
Регистрация: 23.12.2012
Адрес: Москва
Авто: Privilege 4x4 2.0 МКП6. Чип АДАКТ. Коричневый орехх. 2012 гр.
Сообщений: 17,178
dg972 dg972 dg972 dg972 dg972 dg972 dg972 dg972 dg972 dg972 dg972
По умолчанию

Цитата:
Сообщение от Alexandr011 Посмотреть сообщение
Ребята подскажите ,а есть вариант подключения реле около заднего стеклоочистителя, просто чтобы махало с интервалом в 5-7 секунд? Просто подключить в разрыв штатных проводов на 5 двери.
http://duster-clubs.ru/forum/showthread.php?t=1815

У меня, кстати, реле валяются где-то.
__________________
"во время войны нельзя говорить плохо о своих, НИКОГДА" ©

Кто понял жизнь тот больше не спешит,
смакует каждый миг и наблюдает.

Мой бортовой журнал. Новое сообщение.
....
dg972 вне форума   Вверх Ответить с цитированием
Старый 26.01.2016, 15:04   #59
Дайвер
Член клуба
Член клуба
 
Аватар для Дайвер
 
Имя: Алексей
Регистрация: 16.01.2014
Адрес: Обнинск
Авто: 1.6V 4X4WD Бегемот
Сообщений: 548
Дайвер Дайвер Дайвер
По умолчанию

dg972, я помню мне кто-то обещал подогнать!!
Дайвер вне форума   Вверх Ответить с цитированием
Старый 26.01.2016, 15:50   #60
dg972
Член клуба
Член клуба
 
Аватар для dg972
 
Имя: Дмитрий
Регистрация: 23.12.2012
Адрес: Москва
Авто: Privilege 4x4 2.0 МКП6. Чип АДАКТ. Коричневый орехх. 2012 гр.
Сообщений: 17,178
dg972 dg972 dg972 dg972 dg972 dg972 dg972 dg972 dg972 dg972 dg972
По умолчанию

Цитата:
Сообщение от Дайвер Посмотреть сообщение
я помню
Нифига ты не помнишь!
Я же тебе такой уже поставил!
__________________
"во время войны нельзя говорить плохо о своих, НИКОГДА" ©

Кто понял жизнь тот больше не спешит,
смакует каждый миг и наблюдает.

Мой бортовой журнал. Новое сообщение.
....
dg972 вне форума   Вверх Ответить с цитированием
Ответ


Ваши права в разделе
Вы не можете создавать новые темы
Вы не можете отвечать в темах
Вы не можете прикреплять вложения
Вы не можете редактировать свои сообщения

BB коды Вкл.
Смайлы Вкл.
[IMG] код Вкл.
HTML код Выкл.

Быстрый переход


Текущее время: 00:34. Часовой пояс GMT +3.
Powered by vBulletin® Version 3.8.7
Copyright ©2000 - 2026, vBulletin Solutions, Inc. Перевод: zCarot
vB.Sponsors

Яндекс.Метрика