Вернуться на главную

Вернуться   Форум Клуба Рено Дастер / Renault Duster Club > Техническая информация Рено Дастер > Тюнинг

Важная информация


Ответ
 
Опции темы Поиск в этой теме Опции просмотра
Старый 26.04.2017, 17:30   #1
jimmik
.
 
Имя: Rifat
Регистрация: 29.12.2014
Адрес: Moscow
Авто: 2,0 4вд есп. белый
Сообщений: 1,681
jimmik jimmik jimmik jimmik
По умолчанию Как сделать передние тормоза дастер 2л лучше.

Представляю на общее обсуждение свой вариант, на который навел меня Александр (Регас). Его проставки от инфинити, они же от ниссан мурано и рено колеос и навели меня на улучшение тормозов нашего дастера.
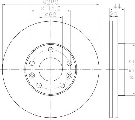
Во первых передний тормозной диск практически в один в один с нашим дастеровским двухлитровым. Но диаметр его больше, вместо 280мм целых 320мм. Все посадочные и прочие размеры совпадают, кроме двух не принципиальных. Общей толщины на 2мм и внутреннего, который тоже не критичен. Далее если посмотреть на кулак дастера и инфинити-мурано, то возможно совпадают отверстия под крепление тормозного суппорта. Причем суппорт от Мурано двух поршневой. Здесь надо мерить точно и в этом загвоздка, так как точных данных я не нашел нигде.
Теперь, если этот размер окажется одинаковым, то приобретаем все суппорта на разборе(новые стоят нереальных денег), покупаем новые тормозные диски и колодки и колеса 17-18 радиуса.
Прилагаю немного фоток для ознакомления и ссылки на размеры торм.дисков дастер и инфинити-мурано.
Размеры диска дастер: http://whatszap.ru/autoparts/renault...t111505;s10132
Размеры диска инфинити: http://whatszap.ru/autoparts/infinit...t111505;s10132
Любой тюнинг требует затрат, но хорошие тормоза для дастера не помешают
Миниатюры
Нажмите на изображение для увеличения
Название: кулак дастер.jpg
Просмотров: 2082
Размер:	194.5 Кб
ID:	70625   Нажмите на изображение для увеличения
Название: кулак мурано.jpg
Просмотров: 2002
Размер:	93.0 Кб
ID:	70626   Нажмите на изображение для увеличения
Название: ступица дастер..jpg
Просмотров: 1902
Размер:	40.9 Кб
ID:	70627   Нажмите на изображение для увеличения
Название: ступица мурано.jpg
Просмотров: 1872
Размер:	63.2 Кб
ID:	70628   Нажмите на изображение для увеличения
Название: дастер2л.jpg
Просмотров: 1823
Размер:	22.5 Кб
ID:	70629  

Нажмите на изображение для увеличения
Название: инфинити-мурано.jpg
Просмотров: 1824
Размер:	19.9 Кб
ID:	70630  

Последний раз редактировалось jimmik; 26.04.2017 в 17:32.
jimmik вне форума   Вверх Ответить с цитированием
4 пользователя(ей) сказали cпасибо:
Это может быть интересно
Старый 26.04.2017, 17:46   #2
More
Супер-модератор
Член клуба
 
Аватар для More
 
Имя: Андрей
Регистрация: 14.12.2012
Адрес: В дебрях Смоленщины
Авто: НИВА Travel '22 "Барышня крестьянка" & ВАЗ-21061 '94 "Шура"
Сообщений: 33,254
More More More More More More More More More More More
По умолчанию

Цитата:
Сообщение от jimmik Посмотреть сообщение
Любой тюнинг требует затрат, но хорошие тормоза для дастера не помешают
Тут главное, цена вопроса. Потому что на Дастер есть готовые хорошие тормоза EBC, но они стоят денег.
__________________
За базаром не следит, говорит не правильно, шатает скрепы.(с)
Знание русского языка это не возможность, а привилегия.(с)
More вне форума   Вверх Ответить с цитированием
2 пользователя(ей) сказали cпасибо:
Старый 26.04.2017, 18:10   #3
aGt
Местный
 
Аватар для aGt
 
Имя: Александр
Регистрация: 19.12.2012
Адрес: Западная Сибирь, Кемерово
Авто: 2,0/4х4/ Платина
Сообщений: 873
aGt aGt aGt
По умолчанию

Я не специалист,но почему упор делается на перед?Ведь существуют и останутся задние барабаны.И потом,работа контуров как то все таки согласуется...Чтобы хватали равномерно."Клевать" не будет?
А про улучшение...было видео,у турбодастера с дисковыми на задней оси...Такой вариант скорее более правильней.
__________________
aGt вне форума   Вверх Ответить с цитированием
Пользователь сказал cпасибо:
Старый 08.10.2017, 09:28   #4
Tatiana
Член клуба
Член клуба
 
Имя: Tatiana
Регистрация: 17.06.2015
Адрес: Москва-Химки
Авто: Ф2 Luxe 1.5 dCi + ESP
Сообщений: 403
Tatiana Tatiana Tatiana Tatiana Tatiana Tatiana
Отправить сообщение для Tatiana с помощью ICQ
По умолчанию

Цитата:
Сообщение от aGt Посмотреть сообщение
Я не специалист,но почему упор делается на перед?Ведь существуют и останутся задние барабаны.И потом,работа контуров как то все таки согласуется...Чтобы хватали равномерно."Клевать" не будет?
А про улучшение...было видео,у турбодастера с дисковыми на задней оси...Такой вариант скорее более правильней.
Потому что передние тормоза должны быть сильнее, чем задние, в противном случае возникает крутящий момент, т.е. задницу заносит.
Tatiana вне форума   Вверх Ответить с цитированием
Старый 26.04.2017, 18:30   #5
jimmik
.
 
Имя: Rifat
Регистрация: 29.12.2014
Адрес: Moscow
Авто: 2,0 4вд есп. белый
Сообщений: 1,681
jimmik jimmik jimmik jimmik
По умолчанию

Цитата:
Сообщение от More Посмотреть сообщение
Тут главное, цена вопроса
Суппорта на разборе по 4т.руб. Рем. комплекты резинок суппортов на экзисте по 200-300руб.
По поводу задних, я думаю лишние это и уже значительная переделка конструкции. И у нас не турбо дастеры, а передних тормозов иногда не хватает, если идешь гружённый. Причем как раз наладить слаженность работы задних тормозов намного сложнее чем передних.
Миниатюры
Нажмите на изображение для увеличения
Название: цена  дисков мурано.jpg
Просмотров: 1676
Размер:	453.8 Кб
ID:	70631   Нажмите на изображение для увеличения
Название: цена колодок мурано.jpg
Просмотров: 1666
Размер:	461.8 Кб
ID:	70632  
jimmik вне форума   Вверх Ответить с цитированием
Пользователь сказал cпасибо:
Старый 26.04.2017, 18:45   #6
More
Супер-модератор
Член клуба
 
Аватар для More
 
Имя: Андрей
Регистрация: 14.12.2012
Адрес: В дебрях Смоленщины
Авто: НИВА Travel '22 "Барышня крестьянка" & ВАЗ-21061 '94 "Шура"
Сообщений: 33,254
More More More More More More More More More More More
По умолчанию

Цитата:
Сообщение от jimmik Посмотреть сообщение
Суппорта на разборе по 4т.руб.
Плюс на диски ещё 6т.р., если TRW брать.
__________________
За базаром не следит, говорит не правильно, шатает скрепы.(с)
Знание русского языка это не возможность, а привилегия.(с)

Последний раз редактировалось More; 26.04.2017 в 18:47.
More вне форума   Вверх Ответить с цитированием
Старый 04.05.2017, 23:40   #7
Regas
.
 
Имя: Александр
Регистрация: 24.08.2013
Адрес: Москва-Троицк
Авто: 2 4х4 lux pre M6FWD Quaife, RWD no slip loker, DRIVENGE. Все включено Колеос 2,5 CVT 4x4 люк RWD
Сообщений: 627
Regas Regas Regas
По умолчанию

Цитата:
Сообщение от jimmik Посмотреть сообщение
Суппорта на разборе по 4т.руб. Рем. комплекты резинок суппортов на экзисте по 200-300руб.
По поводу задних, я думаю лишние это и уже значительная переделка конструкции. И у нас не турбо дастеры, а передних тормозов иногда не хватает, если идешь гружённый. Причем как раз наладить слаженность работы задних тормозов намного сложнее чем передних.
Полностью с тобой согласен, нахватает передних стоковых тормозов.
Заменить на хороший бренд не проблема.
Найти бюджетный вариант из комплектующих это вариант.
Супорта последних версий Инфинити Fx, хороший и дорогой вариант надо мерить.
Супорта Ниссана не лучший вариант, забивается грязь в пазах скобы и колодки подвисают.
Приходится чистить пазы скобы ещё в половину до замены, сами супорта эффективны,но не самые лучшие, чаще требуется чистка и резиновые чехлы летят как на зубилах.

Если крепёж к скобе подойдёт то как вариант и размеры.
http://www.jbt-brakes.ru/node/1888
на авито поискать, вот один из вариантов если за 4шт то можно вскинутся, найти только передние.

https://m.avito.ru/moskva/zapchasti_...g_m_1152844624
Миниатюры
Нажмите на изображение для увеличения
Название: IMG_4942.JPG
Просмотров: 1703
Размер:	39.3 Кб
ID:	70789  

Последний раз редактировалось Regas; 05.05.2017 в 13:38.
Regas вне форума   Вверх Ответить с цитированием
Пользователь сказал cпасибо:
Старый 26.04.2017, 18:52   #8
jimmik
.
 
Имя: Rifat
Регистрация: 29.12.2014
Адрес: Moscow
Авто: 2,0 4вд есп. белый
Сообщений: 1,681
jimmik jimmik jimmik jimmik
По умолчанию

Я бы брембо взял, немного дешевле. Но это всё-равно дешевле чем покупать"готовые хорошие тормоза EBC" и в дальнейшем при эксплуатации.
Но пока это разговоры, надо мерить крепление суппорта. Регас бы помог замерить на Колеосе. Но сейчас у него уже нет его.
jimmik вне форума   Вверх Ответить с цитированием
Старый 26.04.2017, 18:58   #9
More
Супер-модератор
Член клуба
 
Аватар для More
 
Имя: Андрей
Регистрация: 14.12.2012
Адрес: В дебрях Смоленщины
Авто: НИВА Travel '22 "Барышня крестьянка" & ВАЗ-21061 '94 "Шура"
Сообщений: 33,254
More More More More More More More More More More More
По умолчанию

Брембо это шлак китайский, не стоит деньги тратить. Насчёт дешевле, EBC Ultimate диски + колодки обойдётся в 13т.р., и ничего мудрить не надо, всё в штатном размере. Разница не так чтоб очень...

А торможение на EBC на голову выше стока дастеровского, я пробовал.




Если хочется чтоб прям вообще колом, можно тогда взять колодки Green Stuff, за 4т.р. комплект. Но это уже для того чтобы регулярно серьёзно гонять. А так и колодок Ultimate хватит за глаза.
__________________
За базаром не следит, говорит не правильно, шатает скрепы.(с)
Знание русского языка это не возможность, а привилегия.(с)

Последний раз редактировалось More; 26.04.2017 в 19:01.
More вне форума   Вверх Ответить с цитированием
Старый 26.04.2017, 19:04   #10
jimmik
.
 
Имя: Rifat
Регистрация: 29.12.2014
Адрес: Moscow
Авто: 2,0 4вд есп. белый
Сообщений: 1,681
jimmik jimmik jimmik jimmik
По умолчанию

Цитата:
Сообщение от More Посмотреть сообщение
Насчёт дешевле, EBC Ultimate диски
В целом кроме тормозов, я хотел донести, что кто хочет ставить увеличенные колеса, можно использовать такой вариант, дабы пустоты в дисках смотрелись более законченно.
А в этом комплекте есть суппорта? Ведь много зависит от них.
jimmik вне форума   Вверх Ответить с цитированием
Старый 26.04.2017, 19:06   #11
More
Супер-модератор
Член клуба
 
Аватар для More
 
Имя: Андрей
Регистрация: 14.12.2012
Адрес: В дебрях Смоленщины
Авто: НИВА Travel '22 "Барышня крестьянка" & ВАЗ-21061 '94 "Шура"
Сообщений: 33,254
More More More More More More More More More More More
По умолчанию

Там только диски и колодки. Но эффект - будь здоров.
Если же хочется заполнить пустоту в больших колёсах, то тогда да, вариант с увеличенными дисками интереснее.
__________________
За базаром не следит, говорит не правильно, шатает скрепы.(с)
Знание русского языка это не возможность, а привилегия.(с)
More вне форума   Вверх Ответить с цитированием
2 пользователя(ей) сказали cпасибо:
Старый 24.05.2017, 11:55   #12
jimmik
.
 
Имя: Rifat
Регистрация: 29.12.2014
Адрес: Moscow
Авто: 2,0 4вд есп. белый
Сообщений: 1,681
jimmik jimmik jimmik jimmik
По умолчанию

"Наш супорт около 90мм от посадочного места, к диску.
Если все подойдёт, то только болты придется Заказывать, у нас 12х1,25-32, там дырка 14.
Расстояние между отверстиями?, вроде как схоже, но можно попробовать одеть втулку, и в принципе на наших, тормозных дисках, суппорт финика будет сидеть, площадь колодок и диска как у нас.
К нашему диску еще могут понадобиться старые колодки, для проставок сняв с них тормозной покрытие, компенсировать 4мм толщину диска."
Это не мои замеры, а помощь Регаса.
Миниатюры
Нажмите на изображение для увеличения
Название: 8agce8s-960.jpg
Просмотров: 1842
Размер:	96.8 Кб
ID:	71153   Нажмите на изображение для увеличения
Название: 9dgce8s-960.jpg
Просмотров: 1737
Размер:	90.7 Кб
ID:	71154   Нажмите на изображение для увеличения
Название: dgce8s-960.jpg
Просмотров: 1780
Размер:	92.9 Кб
ID:	71155  
jimmik вне форума   Вверх Ответить с цитированием
Старый 08.10.2017, 01:05   #13
cvet21
Новичок
 
Имя: Сергей
Регистрация: 29.04.2014
Адрес: Балашиха
Сообщений: 2
cvet21
По умолчанию

комрады, так кто-нибудь сделал увеличенные тормоза на ДАстер?от ниссана какого-нить привинтить? или от мегана может быть?
cvet21 вне форума   Вверх Ответить с цитированием
Старый 09.10.2017, 12:41   #14
zigzag
Член клуба
Член клуба
 
Аватар для zigzag
 
Имя: Дмитрий
Регистрация: 16.12.2012
Адрес: Москва
Авто: дизель привеледж ESP
Сообщений: 3,063
zigzag zigzag zigzag zigzag zigzag
Отправить сообщение для zigzag с помощью ICQ
По умолчанию

Цитата:
Сообщение от cvet21 Посмотреть сообщение
комрады, так кто-нибудь сделал увеличенные тормоза на ДАстер?от ниссана какого-нить привинтить? или от мегана может быть?
от clio RC подходят.
был один комплект у клубного сервиса.
__________________
Я не хороший и не плохой. Я добрый в злую полосочку.
каталог
zigzag вне форума   Вверх Ответить с цитированием
Старый 08.10.2017, 10:24   #15
Евгений73
Завсегдатай
 
Имя: Евгений
Регистрация: 26.09.2014
Авто: Рено Дастер, привеледж, 2.0 МКПП
Сообщений: 155
Евгений73
По умолчанию

С тормозами действительно нужно что то делать, довелось на досуге поездить на рио, при первом нажатие на педаль лбом чуть не разбил лобовое, на дастере после корейца будто вообще их нет.

Последний раз редактировалось Евгений73; 08.10.2017 в 10:26.
Евгений73 вне форума   Вверх Ответить с цитированием
Старый 08.10.2017, 10:38   #16
Эхо
Местный
 
Аватар для Эхо
 
Имя: Алексей
Регистрация: 08.01.2016
Адрес: ЗаМКАДск
Авто: 2.0, 4WD, МКПП
Сообщений: 347
Эхо
По умолчанию

Левой ногой на тормоз жми, получишь тот же эффект.
Эхо вне форума   Вверх Ответить с цитированием
Пользователь сказал cпасибо:
Ответ


Ваши права в разделе
Вы не можете создавать новые темы
Вы не можете отвечать в темах
Вы не можете прикреплять вложения
Вы не можете редактировать свои сообщения

BB коды Вкл.
Смайлы Вкл.
[IMG] код Вкл.
HTML код Выкл.

Быстрый переход


Текущее время: 03:49. Часовой пояс GMT +3.
Powered by vBulletin® Version 3.8.7
Copyright ©2000 - 2025, vBulletin Solutions, Inc. Перевод: zCarot
vB.Sponsors

Яндекс.Метрика