Вернуться на главную

Вернуться   Форум Клуба Рено Дастер / Renault Duster Club > Техническая информация Рено Дастер > Электрооборудование и оптика > Электрика

Важная информация


Ответ
 
Опции темы Поиск в этой теме Опции просмотра
Старый 31.08.2018, 20:19   #1
Костян55
Новичок
 
Аватар для Костян55
 
Имя: Константин
Регистрация: 24.06.2018
Адрес: омск
Авто: Renault Duster 2.0 4х4 AT 2015 г. + ГБО OMVL
Сообщений: 55
Костян55
По умолчанию Доводчик 4х стеклоподъёмников на рестайлинговый Дастер

Устанавливаю себе доводчик на 4 стекла Mongoose CWM-4.
Столкнулся с проблемой подключения к импульсной кнопке водительского подъёмника, остальные 3 подключил-работают.
Подскажите как правильно подключить?





ЭСП на передние двери.pdf
Миниатюры
Нажмите на изображение для увеличения
Название: ЭСП рестайл передние двери.jpg
Просмотров: 9153
Размер:	138.4 Кб
ID:	80107   Нажмите на изображение для увеличения
Название: PhotoEditor_201892419195832.jpg
Просмотров: 2460
Размер:	183.9 Кб
ID:	80111   Нажмите на изображение для увеличения
Название: IMG_20180919_173352_1 (1).jpg
Просмотров: 2505
Размер:	1.60 Мб
ID:	80112  

Последний раз редактировалось Костян55; 25.09.2018 в 19:33.
Костян55 вне форума   Вверх Ответить с цитированием
Это может быть интересно
Старый 31.08.2018, 21:23   #2
HR64d
Новичок
 
Имя: Nikolay
Регистрация: 22.07.2018
Адрес: Moscow
Авто: Daster Dakar 1,5dci 2018
Сообщений: 60
HR64d
По умолчанию

Цитата:
Сообщение от Костян55 Посмотреть сообщение
Устанавливаю себе доводчик на 4 стекла Mongoose CWM-4.
Столкнулся с проблемой подключения к импульсной кнопке водительского подъёмника, остальные 3 подключил-работают.
Подскажите как правильно подключить?
Устанавливаете себе самостоятельно или с помощью специалистов?
Есть аналогичная тема на форуме
http://duster-clubs.ru/forum/showthr...397#post535397

Последний раз редактировалось HR64d; 31.08.2018 в 21:27.
HR64d вне форума   Вверх Ответить с цитированием
Старый 31.08.2018, 21:33   #3
Костян55
Новичок
 
Аватар для Костян55
 
Имя: Константин
Регистрация: 24.06.2018
Адрес: омск
Авто: Renault Duster 2.0 4х4 AT 2015 г. + ГБО OMVL
Сообщений: 55
Костян55
По умолчанию

Цитата:
Сообщение от HR64d Посмотреть сообщение
Устанавливаете себе самостоятельно или с помощью специалистов?
Есть аналогичная тема на форуме
http://duster-clubs.ru/forum/showthr...397#post535397
там нет полезной информации,...вот сижу устанавливаю сам
Костян55 вне форума   Вверх Ответить с цитированием
Старый 31.08.2018, 21:44   #4
HR64d
Новичок
 
Имя: Nikolay
Регистрация: 22.07.2018
Адрес: Moscow
Авто: Daster Dakar 1,5dci 2018
Сообщений: 60
HR64d
По умолчанию

Цитата:
Сообщение от Костян55 Посмотреть сообщение
там нет полезной информации,...вот сижу устанавливаю сам
Ждем результатов и полезной информации.
HR64d вне форума   Вверх Ответить с цитированием
Старый 01.09.2018, 07:12   #5
HR64d
Новичок
 
Имя: Nikolay
Регистрация: 22.07.2018
Адрес: Moscow
Авто: Daster Dakar 1,5dci 2018
Сообщений: 60
HR64d
По умолчанию

http://forum.chiptuner.ru/showthread.php?t=85327

Смотрим даты сообщений, условно через месяц человек нашел техническое решение.

02.08.2016, 19:21 #8
alfard
Посетитель

"""да с функцией автомат, там контроллер управления двигателем стеклоподьемника встроен, на разьем приходит питание, два провода от кнопок управления, и один похоже от ЭБУ идет. Самое большое чего я добился, подключив доводчик к проводу на подьем и на провод от ЭБУ подал минус, стеклоподьемник начал закрыватся, но на сантиметров 15 и останавливается."""

30.08.2016, 17:57 #12
alfard
Посетитель

Аватар для alfard

Регистрация: 31.07.2016
Адрес: Кустанай
Сообщений: 4
По умолчанию Re: Renault Duster 2 доводчик стекол
Наконец то получилось с доводчиком, работает как я хотел, функцию автомат сохранил. Пришлось доводчик Pandora DWM502 переделать немного. При постановке на охрану закрывает все стекла и при отключении зажигания все кнопки работают и водительское с функцией автомат.

От себя:
Лично мне автомат закрывания/открывания стекла от кнопки на двери не нужен.
Мне проще не отвлекаться на игру с кнопкой(автоматом ) туда/сюда для подбора необходимого зазора, а регулировать зазор по времени нажатия кнопки.

Последний раз редактировалось HR64d; 01.09.2018 в 07:31.
HR64d вне форума   Вверх Ответить с цитированием
Старый 01.09.2018, 10:28   #6
11vasya
Местный
 
Имя: вася
Регистрация: 03.02.2016
Адрес: беларусь
Авто: акпп, новый привеледж, 2015
Сообщений: 1,296
11vasya 11vasya 11vasya 11vasya 11vasya
По умолчанию

Цитата:
Сообщение от HR64d Посмотреть сообщение
Мне проще не отвлекаться на игру с кнопкой(автоматом ) туда/сюда для подбора необходимого зазора, а регулировать зазор по времени нажатия кнопки.
так ведь наличие автомата не отменяет возможности управлять в "ручном" режиме. у кнопки есть два положения- первый "клик" ручной режим, второй "клик" ( если жмёте-тяните дальше) -автомат. кнопка даже по усилию отличается от простой. легко проверяется на заглушенном авто.

Последний раз редактировалось 11vasya; 01.09.2018 в 10:29.
11vasya вне форума   Вверх Ответить с цитированием
Старый 01.09.2018, 13:59   #7
Костян55
Новичок
 
Аватар для Костян55
 
Имя: Константин
Регистрация: 24.06.2018
Адрес: омск
Авто: Renault Duster 2.0 4х4 AT 2015 г. + ГБО OMVL
Сообщений: 55
Костян55
По умолчанию

Цитата:
Сообщение от HR64d Посмотреть сообщение
http://forum.chiptuner.ru/showthread.php?t=85327

Наконец то получилось с доводчиком, работает как я хотел, функцию автомат сохранил. Пришлось доводчик Pandora DWM502 переделать немного. При постановке на охрану закрывает все стекла и при отключении зажигания все кнопки работают и водительское с функцией автомат.
Ну и где этот мастер, на форуме его больше не было после его хвастовства
Костян55 вне форума   Вверх Ответить с цитированием
Старый 01.09.2018, 15:04   #8
HR64d
Новичок
 
Имя: Nikolay
Регистрация: 22.07.2018
Адрес: Moscow
Авто: Daster Dakar 1,5dci 2018
Сообщений: 60
HR64d
По умолчанию

Цитата:
Сообщение от 11vasya Посмотреть сообщение
так ведь наличие автомата не отменяет возможности управлять в "ручном" режиме. у кнопки есть два положения- первый "клик" ручной режим, второй "клик" ( если жмёте-тяните дальше) -автомат. кнопка даже по усилию отличается от простой. легко проверяется на заглушенном авто.
Да, эти два положения на стоянке поймать можно, на ходу при малейшей тряске мне сложно, все время промахиваюсь.

---------- Сообщение добавлено в 02:04 PM ---------- Предыдущее сообщение размещено в 02:01 PM ----------

Цитата:
Сообщение от Костян55 Посмотреть сообщение
Ну и где этот мастер, на форуме его больше не было после его хвастовства
Проблему с налета не решить, но направление понятно, если не удается получить готовое решение.

Последний раз редактировалось HR64d; 01.09.2018 в 19:45.
HR64d вне форума   Вверх Ответить с цитированием
Старый 01.09.2018, 23:52   #9
сова
Член клуба
Член клуба
 
Аватар для сова
 
Имя: Юрий
Регистрация: 21.12.2013
Адрес: Новая Москва
Сообщений: 304
сова сова
По умолчанию

Цитата:
Сообщение от Костян55 Посмотреть сообщение
Устанавливаю себе доводчик на 4 стекла Mongoose CWM-4. Столкнулся с проблемой подключения к импульсной кнопке водительского подъёмника, остальные 3 подключил-работают. Подскажите как правильно подключить?
На водительское стекло доводчик не нужен, там уже все встроено в привод. Достаточно подать короткий отрицательный импульс на вход управления привода, примерно такой же, как вы подаете на доводчик от сигнализации (или откуда Вы его там берете).
сова вне форума   Вверх Ответить с цитированием
Старый 02.09.2018, 07:28   #10
Костян55
Новичок
 
Аватар для Костян55
 
Имя: Константин
Регистрация: 24.06.2018
Адрес: омск
Авто: Renault Duster 2.0 4х4 AT 2015 г. + ГБО OMVL
Сообщений: 55
Костян55
По умолчанию

Цитата:
Сообщение от сова Посмотреть сообщение
На водительское стекло доводчик не нужен, там уже все встроено в привод. Достаточно подать короткий отрицательный импульс на вход управления привода, примерно такой же, как вы подаете на доводчик от сигнализации (или откуда Вы его там берете).
Ну допустим импульс от сигнашки подам на белый тонкий провод(он поднимает стеклоподъёмник)..
нарушится последовательность у доводчика будет подниматься одно стекло по импульсу от сигнашки и второе по - от блока доводчика.....
Но есть и проблема, на водительской двери питание стеклоподъёмника как то завязано на открытие двери, т е. пока сидишь в машине после того как вытащил ключи из зажигание все работает, только открыл дверь и все! нет питания на мотор, а остальные все рабоьают

---------- Сообщение добавлено в 10:28 ---------- Предыдущее сообщение размещено в 10:27 ----------

Цитата:
Сообщение от сова Посмотреть сообщение
На водительское стекло доводчик не нужен, там уже все встроено в привод. Достаточно подать короткий отрицательный импульс на вход управления привода, примерно такой же, как вы подаете на доводчик от сигнализации (или откуда Вы его там берете).
Ну допустим импульс от сигнашки подам на белый тонкий провод(он поднимает стеклоподъёмник)..
нарушится последовательность у доводчика будет подниматься одно стекло по импульсу от сигнашки и второе по - от блока доводчика.....
Но есть и проблема, на водительской двери питание стеклоподъёмника как то завязано на открытие двери, т е. пока сидишь в машине после того как вытащил ключи из зажигание все работает, только открыл дверь и все! нет питания на мотор, а остальные все работают
Костян55 вне форума   Вверх Ответить с цитированием
Старый 07.09.2018, 07:22   #11
HR64d
Новичок
 
Имя: Nikolay
Регистрация: 22.07.2018
Адрес: Moscow
Авто: Daster Dakar 1,5dci 2018
Сообщений: 60
HR64d
По умолчанию

Цитата:
Сообщение от Костян55 Посмотреть сообщение
]



Ну допустим импульс от сигнашки подам на белый тонкий провод(он поднимает стеклоподъёмник)..
нарушится последовательность у доводчика будет подниматься одно стекло по импульсу от сигнашки и второе по - от блока доводчика.....
Но есть и проблема, на водительской двери питание стеклоподъёмника как то завязано на открытие двери, т е. пока сидишь в машине после того как вытащил ключи из зажигание все работает, только открыл дверь и все! нет питания на мотор, а остальные все работают

И чем дело закончилось?
HR64d вне форума   Вверх Ответить с цитированием
Старый 08.09.2018, 21:17   #12
Костян55
Новичок
 
Аватар для Костян55
 
Имя: Константин
Регистрация: 24.06.2018
Адрес: омск
Авто: Renault Duster 2.0 4х4 AT 2015 г. + ГБО OMVL
Сообщений: 55
Костян55
По умолчанию

Цитата:
Сообщение от HR64d Посмотреть сообщение
И чем дело закончилось?
пока ни чем, работает только 3 доводчика
Костян55 вне форума   Вверх Ответить с цитированием
Старый 11.09.2018, 16:36   #13
HR64d
Новичок
 
Имя: Nikolay
Регистрация: 22.07.2018
Адрес: Moscow
Авто: Daster Dakar 1,5dci 2018
Сообщений: 60
HR64d
По умолчанию

Цитата:
Сообщение от Костян55 Посмотреть сообщение
пока ни чем, работает только 3 доводчика
Печально.

"Воля и труд человека дивные дива творят"
Н. А. Некрасов.
Придется мне решать этот вопрос самостоятельно или с помощью форумчан.
Усложняется для меня проблема тем, что на моем автомобиле только два передних электро, надо докупать и устанавливать еще два задних.
Просили найти эл. схему на рестайл, начинаю поиск.
HR64d вне форума   Вверх Ответить с цитированием
Старый 12.09.2018, 01:57   #14
HR64d
Новичок
 
Имя: Nikolay
Регистрация: 22.07.2018
Адрес: Moscow
Авто: Daster Dakar 1,5dci 2018
Сообщений: 60
HR64d
По умолчанию

Цитата:
Сообщение от сова Посмотреть сообщение
На водительское стекло доводчик не нужен, там уже все встроено в привод. Достаточно подать короткий отрицательный импульс на вход управления привода, примерно такой же, как вы подаете на доводчик от сигнализации (или откуда Вы его там берете).
Уважаемый Юрий!
Судя по вашим постам вы хорошо разбираетесь в электронике.
Если в электрике я что то понимаю, то в электронике - полный ноль.
Смею только предположить:
Короткого импульса хватает только на поднятие водительского стекла на 10-15 см., на чем все и подрываются.
Задача продлить длительность импульса до полного закрытия стекла или до отключения по току перегрузки при упоре, в нашем случае, при закрытии.
HR64d вне форума   Вверх Ответить с цитированием
Старый 13.09.2018, 20:56   #15
Костян55
Новичок
 
Аватар для Костян55
 
Имя: Константин
Регистрация: 24.06.2018
Адрес: омск
Авто: Renault Duster 2.0 4х4 AT 2015 г. + ГБО OMVL
Сообщений: 55
Костян55
По умолчанию

нужно снять мотор водительского стеклоподъемника и в обход его блока управления подключится напрямую к мотору на "-" проводами от доводчика в разрыв и возможно подать постоянный + на мотор

Последний раз редактировалось Костян55; 13.09.2018 в 21:01.
Костян55 вне форума   Вверх Ответить с цитированием
Старый 13.09.2018, 22:08   #16
сова
Член клуба
Член клуба
 
Аватар для сова
 
Имя: Юрий
Регистрация: 21.12.2013
Адрес: Новая Москва
Сообщений: 304
сова сова
По умолчанию

Цитата:
Сообщение от HR64d Посмотреть сообщение
Смею только предположить: Короткого импульса хватает только на поднятие водительского стекла на 10-15 см., на чем все и подрываются. Задача продлить длительность импульса до полного закрытия стекла или до отключения по току перегрузки при упоре, в нашем случае, при закрытии.
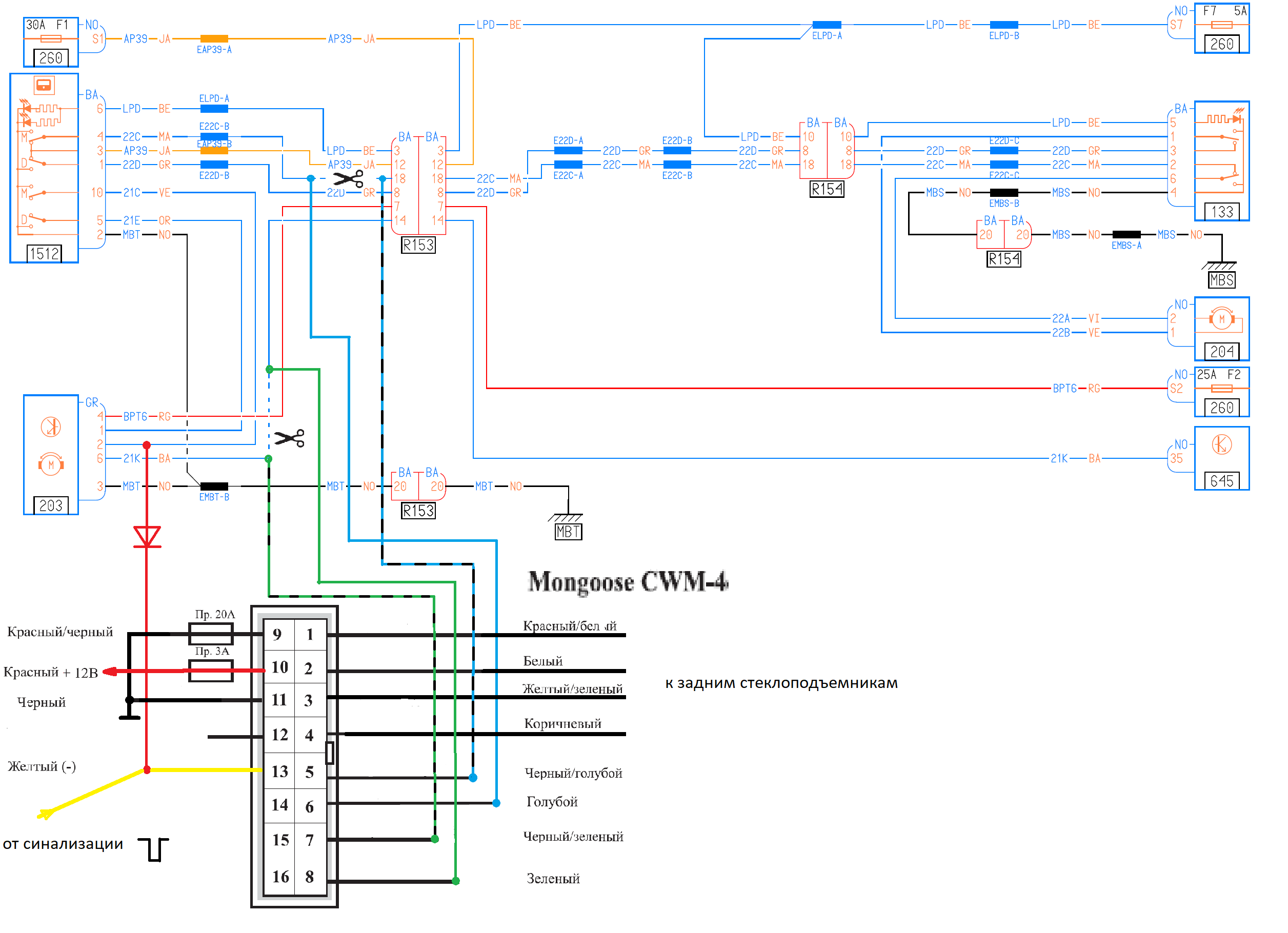
Я не разбирал рестайл, не знаю что там внутри, судить могу только по буржуйским схемам. Так что мои соображения такие:
Скорее наоборот из-за длинного импульса стекло поднимается на 10-15см. Потому что короткое нажатие на кнопку закрывает стекло до упора, а длинное останавливает после отпускания. Кроме того можно перекоммутировать цепь контроля тока мотора через силовые контакты доводчика. Остается только организовать питание водительского стеклоподъемника при выключенном зажигании. Как я вижу по схеме оно идет через реле управляемое ЦЭКБС
Миниатюры
Нажмите на изображение для увеличения
Название: cwm-4.png
Просмотров: 6766
Размер:	198.3 Кб
ID:	79883  
сова вне форума   Вверх Ответить с цитированием
Пользователь сказал cпасибо:
Старый 13.09.2018, 22:35   #17
HR64d
Новичок
 
Имя: Nikolay
Регистрация: 22.07.2018
Адрес: Moscow
Авто: Daster Dakar 1,5dci 2018
Сообщений: 60
HR64d
По умолчанию

Спасибо за ответ!
Я не силен в электронике.
С практической точки зрения могу предоставить свой автомобиль для экспериментов.
Комплектация моего автомобиля(заводская) с только двумя передними эл. стеклоподъемниками.
В интернете пишут, что проводка в водительской двери с фишками под 4 кнопки. Сам обивку еще не вскрывал и точно пока сказать не могу.
Хотел установить и задние(в идеале), пока видятся Форвард.
В интернете пишут те, кто уже устанавливал себе, что сандеровские совпадают с дастеровскими.
Подскажите какой доводчик на 4 стекла(модель и фирму) купить из тех, которые вам известны по начинке и лучше подойдут под поставленную задачу .
Отрицательный результат меня совершенно не пугает, думаю, что положительное техническое решение только вопрос потраченного времени.

P.S. Режим автоподъема при обычной эксплуатации мне не нужен.

Последний раз редактировалось HR64d; 13.09.2018 в 23:02.
HR64d вне форума   Вверх Ответить с цитированием
Старый 14.09.2018, 11:07   #18
HR64d
Новичок
 
Имя: Nikolay
Регистрация: 22.07.2018
Адрес: Moscow
Авто: Daster Dakar 1,5dci 2018
Сообщений: 60
HR64d
По умолчанию

Юрий!
К утру дошла ваша мысль(идея).
Штатный электронный блок автодоводчика водительского стекла срабатывает при коротком нажатии кнопки.
Дополнительный доводчик на 4 стекла должен имитировать по времени это короткое нажатие именно для водительского стекла.

Становится понятна суть переделки нештатного(дополнительного) доводчика для выдачи команды на штатный блок управления мотором водительского стекла

Путем изменений в схеме управления водительским стеклом(одним из четырех) подобрать временной интервал(укоротить) и подключаться тогда к штатному автодоводчику, а он завершит(совершит) полное закрытие стекла в своем штатном режиме.

Последний раз редактировалось HR64d; 14.09.2018 в 11:26.
HR64d вне форума   Вверх Ответить с цитированием
Старый 14.09.2018, 12:39   #19
сова
Член клуба
Член клуба
 
Аватар для сова
 
Имя: Юрий
Регистрация: 21.12.2013
Адрес: Новая Москва
Сообщений: 304
сова сова
По умолчанию

Цитата:
Сообщение от HR64d Посмотреть сообщение
Юрий!
К утру дошла ваша мысль(идея).
Штатный электронный блок автодоводчика водительского стекла срабатывает при коротком нажатии кнопки.
Дополнительный доводчик на 4 стекла должен имитировать по времени это короткое нажатие именно для водительского стекла.

Становится понятна суть переделки нештатного(дополнительного) доводчика для выдачи команды на штатный блок управления мотором водительского стекла

Путем изменений в схеме управления водительским стеклом(одним из четырех) подобрать временной интервал(укоротить) и подключаться тогда к штатному автодоводчику, а он завершит(совершит) полное закрытие стекла в своем штатном режиме.
Все не так.
От сигнализации подаем импульс на доводчик. Через диод этот же импульс поступает кнопку водительского стеклоподъемника. Доводчик срабатывает, отключая минус мотора от ЦЭКБС и соединяет его с массой через свое внутреннее реле. Остановка происходит от доводчика, а не от ЦЭКБС.

Тут многое зависит от алгоритма работы привода и ЦЭКБС, надо пробовать.



А вообще самый простой вариант выкинуть эту дурацкую кнопку и поставить доводчики с функцией "One touch"
сова вне форума   Вверх Ответить с цитированием
Пользователь сказал cпасибо:
Старый 14.09.2018, 13:37   #20
dg972
Член клуба
Член клуба
 
Аватар для dg972
 
Имя: Дмитрий
Регистрация: 23.12.2012
Адрес: Москва
Авто: Privilege 4x4 2.0 МКП6. Чип АДАКТ. Коричневый орехх. 2012 гр.
Сообщений: 17,178
dg972 dg972 dg972 dg972 dg972 dg972 dg972 dg972 dg972 dg972 dg972
По умолчанию

Цитата:
Сообщение от сова Посмотреть сообщение
От сигнализации подаем импульс на доводчик. Через диод этот же импульс поступает кнопку водительского стеклоподъемника.
Транзистор в сигналке не вылетит? Импульс то, от от доп. канала?
__________________
"во время войны нельзя говорить плохо о своих, НИКОГДА" ©

Кто понял жизнь тот больше не спешит,
смакует каждый миг и наблюдает.

Мой бортовой журнал. Новое сообщение.
....

Последний раз редактировалось dg972; 14.09.2018 в 13:40.
dg972 вне форума   Вверх Ответить с цитированием
Пользователь сказал cпасибо:
Ответ


Ваши права в разделе
Вы не можете создавать новые темы
Вы не можете отвечать в темах
Вы не можете прикреплять вложения
Вы не можете редактировать свои сообщения

BB коды Вкл.
Смайлы Вкл.
[IMG] код Вкл.
HTML код Выкл.

Быстрый переход


Текущее время: 14:58. Часовой пояс GMT +3.
Powered by vBulletin® Version 3.8.7
Copyright ©2000 - 2025, vBulletin Solutions, Inc. Перевод: zCarot
vB.Sponsors

Яндекс.Метрика