Вернуться на главную

Вернуться   Форум Клуба Рено Дастер / Renault Duster Club > Техническая информация Рено Дастер > Электрооборудование и оптика > Охранные системы

Важная информация


Ответ
 
Опции темы Поиск в этой теме Опции просмотра
Старый 14.01.2013, 19:14   #1
Ky6uk
Совет клуба
 
Аватар для Ky6uk
 
Имя: Игорь
Регистрация: 08.12.2012
Адрес: г.Москва
Авто: GAC GS8 2024г
Сообщений: 9,950
Ky6uk Ky6uk Ky6uk Ky6uk Ky6uk Ky6uk Ky6uk Ky6uk Ky6uk Ky6uk Ky6uk
По умолчанию Всё о сигнализациях

Всё о сигнализациях в этой теме.
Хорошее объявление в Меге. Автор Nick2141( Логан-клуб)



У кого еще Шерхан????
Цитата:
Сообщение от Avtoinstall Посмотреть сообщение
Не ставте шархан. Уже много раз писалось что по соотношению цена\качество идеальный выбор или Старлайн или Пандора.
Не обязательно ставить сигналку у дилера. Вы можете установить сигналку у любого установщика у которого есть сертификат соответствия, в этом случае проблем с гарантией на авто не возникнет.
__________________
АВТОСЕРВИС RENAULT и не только...
https://logan-garage-msk.ru/
ул. 3-е Почтовое отделение, д.98Ас2 / 2 этаж /
Заезд с ул.Маршала Полубоярова
----------------
+7 985 912 68 06 +7 929 536 26 00

Последний раз редактировалось dg972; 10.11.2015 в 12:47.
Ky6uk вне форума   Вверх Ответить с цитированием
Это может быть интересно
Старый 13.10.2015, 00:54   #481
dg972
Член клуба
Член клуба
 
Аватар для dg972
 
Имя: Дмитрий
Регистрация: 23.12.2012
Адрес: Москва
Авто: Privilege 4x4 2.0 МКП6. Чип АДАКТ. Коричневый орехх. 2012 гр.
Сообщений: 17,178
dg972 dg972 dg972 dg972 dg972 dg972 dg972 dg972 dg972 dg972 dg972
По умолчанию

Цитата:
Сообщение от сова Посмотреть сообщение
Чтобы и печка работала надо два - однозначно.
Третий за два! )))

Цитата:
Сообщение от сова Посмотреть сообщение
Я бы еще подумал о блокировке стартера, рано или поздно забудешь и включишь стартер на работающем двигателе.
Неа.))) На Ниве ни разу не было. Воспитание автосервиса в молодости... )))

Цитата:
Сообщение от сова Посмотреть сообщение
Дим, а как будешь включать поддержку зажигания и как глушить?
Включать - доп. каналом, Глушить - ............ при личной встречи скажу. )
Цитата:
Сообщение от Abeev1 Посмотреть сообщение
Хто его знает.
Цитата:
Сообщение от Tchistiakov Посмотреть сообщение
Фатального точно ничего не произойдёт.
Цитата:
Сообщение от сова Посмотреть сообщение
Лучше не стОит, ошибки будут, а вот на сколько фатальные неизвестно.
Угу. Вывод сделан. Зажигание без старта включал. Все живы.

Спасибо всем. Вывод сделан: два реле и не заводить без приборного.

__________________
"во время войны нельзя говорить плохо о своих, НИКОГДА" ©

Кто понял жизнь тот больше не спешит,
смакует каждый миг и наблюдает.

Мой бортовой журнал. Новое сообщение.
....
dg972 вне форума   Вверх Ответить с цитированием
Это может быть интересно
Старый 13.10.2015, 16:11   #482
Tchistiakov
Партнер клуба
 
Аватар для Tchistiakov
 
Имя: Анатолий
Регистрация: 19.04.2013
Адрес: Ленинград
Авто: Hyundai Sonata
Сообщений: 156
Tchistiakov
По умолчанию

Цитата:
Сообщение от dg972 Посмотреть сообщение
Вывод сделан: два реле
Дело Ваше но реле хватит одного )))
Tchistiakov вне форума   Вверх Ответить с цитированием
Старый 13.10.2015, 16:56   #483
сова
Член клуба
Член клуба
 
Аватар для сова
 
Имя: Юрий
Регистрация: 21.12.2013
Адрес: Новая Москва
Сообщений: 304
сова сова
По умолчанию

Цитата:
Сообщение от Tchistiakov Посмотреть сообщение
Дело Ваше но реле хватит одного )))
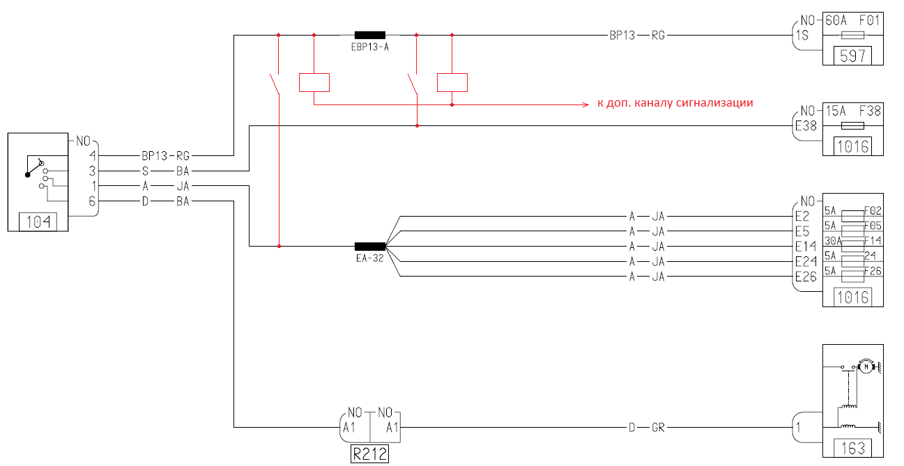
Не понимаю, каким образом можно запитать две цепи с помощью одного реле. Хотя наверное можно, если перектнуть управляющий провод реле 233 (вентилятор печки) с шины АСС (S у французов) на шину IGN (А), но тогда печка в первом положении ключа работать не будет и при прокрутке стартером не будет отключаться.
Миниатюры
Нажмите на изображение для увеличения
Название: 321.png
Просмотров: 2128
Размер:	32.4 Кб
ID:	52952  
сова вне форума   Вверх Ответить с цитированием
Пользователь сказал cпасибо:
Старый 13.10.2015, 18:00   #484
Valera
Тюнинг
 
Аватар для Valera
 
Имя: Валерий
Регистрация: 12.12.2012
Адрес: Москва
Авто: Kia Ceed JD
Сообщений: 1,011
Valera Valera Valera Valera
По умолчанию

Цитата:
Сообщение от dg972 Посмотреть сообщение
Скажите, если я Дастер (дорестайленговый) заведу без приборного щитка, я никаких фатальных ошибок не словлю?
заведешь и покатаешься. только недолго- акб сядет. ошибка запишется, но не критично. ты ж недалеко от меня живешь))
__________________
пересвет, активация БК(и на Ф2)часов, подсветки приборки, автовключения з.дворника,установка круиза (и даже без проводки), автосвет/ДХО, коррекция пробега Ф1;2, автозапирание, регул.пауза дворников(Ф1 и Ф2), "ленивые поворотники", подогревы и другие эл. поделки ;
диагностика Clip.
а также руль и р. кпп в Кожу)))
https://vk.com/club152397142
Valera вне форума   Вверх Ответить с цитированием
2 пользователя(ей) сказали cпасибо:
Старый 13.10.2015, 18:35   #485
dg972
Член клуба
Член клуба
 
Аватар для dg972
 
Имя: Дмитрий
Регистрация: 23.12.2012
Адрес: Москва
Авто: Privilege 4x4 2.0 МКП6. Чип АДАКТ. Коричневый орехх. 2012 гр.
Сообщений: 17,178
dg972 dg972 dg972 dg972 dg972 dg972 dg972 dg972 dg972 dg972 dg972
По умолчанию

Валер, блок полного привода ковырял?
__________________
"во время войны нельзя говорить плохо о своих, НИКОГДА" ©

Кто понял жизнь тот больше не спешит,
смакует каждый миг и наблюдает.

Мой бортовой журнал. Новое сообщение.
....
dg972 вне форума   Вверх Ответить с цитированием
Старый 13.10.2015, 19:02   #486
Valera
Тюнинг
 
Аватар для Valera
 
Имя: Валерий
Регистрация: 12.12.2012
Адрес: Москва
Авто: Kia Ceed JD
Сообщений: 1,011
Valera Valera Valera Valera
По умолчанию

нет, а с ним то что?
__________________
пересвет, активация БК(и на Ф2)часов, подсветки приборки, автовключения з.дворника,установка круиза (и даже без проводки), автосвет/ДХО, коррекция пробега Ф1;2, автозапирание, регул.пауза дворников(Ф1 и Ф2), "ленивые поворотники", подогревы и другие эл. поделки ;
диагностика Clip.
а также руль и р. кпп в Кожу)))
https://vk.com/club152397142
Valera вне форума   Вверх Ответить с цитированием
Старый 13.10.2015, 22:02   #487
dg972
Член клуба
Член клуба
 
Аватар для dg972
 
Имя: Дмитрий
Регистрация: 23.12.2012
Адрес: Москва
Авто: Privilege 4x4 2.0 МКП6. Чип АДАКТ. Коричневый орехх. 2012 гр.
Сообщений: 17,178
dg972 dg972 dg972 dg972 dg972 dg972 dg972 dg972 dg972 dg972 dg972
По умолчанию

Если выключить, а потом включить через некоторое время зажигание, то лок отключается. Хотелось бы, что бы НЕ отключался.
__________________
"во время войны нельзя говорить плохо о своих, НИКОГДА" ©

Кто понял жизнь тот больше не спешит,
смакует каждый миг и наблюдает.

Мой бортовой журнал. Новое сообщение.
....
dg972 вне форума   Вверх Ответить с цитированием
Старый 15.10.2015, 19:33   #488
advokat86
Член клуба
Член клуба
 
Аватар для advokat86
 
Имя: Артем
Регистрация: 04.11.2014
Адрес: тюмень
Авто: New Duster Privilege 2.0 4WD МКПП6 ESP гбо brc, чип от SVV
Сообщений: 771
advokat86 advokat86
По умолчанию

Подскажите как настроить время на брелке Пандоры 3055?
__________________
Представитель SVV в УРФО (Тюмень, Курган и Екатеринбург, Ирбит- по выходным)
телефон +7929269о3пять7
(активация БК на Ф2, часов, подсветки приборки, антиотката, автовключения з.дворника и т.д.)


Желающие на чип тюнинг записываемся заранее.https://vk.com/chiptuningsvv
advokat86 вне форума   Вверх Ответить с цитированием
Старый 15.10.2015, 19:45   #489
Autostudio.ru
Новый партнер
 
Аватар для Autostudio.ru
 
Имя: autostudio
Регистрация: 01.04.2014
Сообщений: 256
Autostudio.ru
По умолчанию

Цитата:
Сообщение от advokat86 Посмотреть сообщение
Подскажите как настроить время на брелке Пандоры 3055?
advokat86 что бы настроить время на брелоке нажимайте кнопку F (третья) много раз до тех пор когда часы станут мигать. После этого кнопками 1 и 2 настраиваете время.
__________________
С уважением, Сергей
Автостудио - партнер клуба
Autostudio.ru вне форума   Вверх Ответить с цитированием
Старый 16.10.2015, 04:52   #490
advokat86
Член клуба
Член клуба
 
Аватар для advokat86
 
Имя: Артем
Регистрация: 04.11.2014
Адрес: тюмень
Авто: New Duster Privilege 2.0 4WD МКПП6 ESP гбо brc, чип от SVV
Сообщений: 771
advokat86 advokat86
По умолчанию

Цитата:
Сообщение от Autostudio.ru Посмотреть сообщение
advokat86 что бы настроить время на брелоке нажимайте кнопку F (третья) много раз до тех пор когда часы станут мигать. После этого кнопками 1 и 2 настраиваете время.
Настаивал так, в итоге потом опять показывают своё время а не моё
__________________
Представитель SVV в УРФО (Тюмень, Курган и Екатеринбург, Ирбит- по выходным)
телефон +7929269о3пять7
(активация БК на Ф2, часов, подсветки приборки, антиотката, автовключения з.дворника и т.д.)


Желающие на чип тюнинг записываемся заранее.https://vk.com/chiptuningsvv
advokat86 вне форума   Вверх Ответить с цитированием
Старый 16.10.2015, 23:33   #491
Autostudio.ru
Новый партнер
 
Аватар для Autostudio.ru
 
Имя: autostudio
Регистрация: 01.04.2014
Сообщений: 256
Autostudio.ru
По умолчанию

Цитата:
Сообщение от advokat86 Посмотреть сообщение
Настаивал так, в итоге потом опять показывают своё время а не моё
Для начала я бы Вам рекомендовал сменить прошивку в блоке. Новая прошивка убирала проблемы с синхронизацией часов.
__________________
С уважением, Сергей
Автостудио - партнер клуба
Autostudio.ru вне форума   Вверх Ответить с цитированием
Старый 17.10.2015, 07:11   #492
advokat86
Член клуба
Член клуба
 
Аватар для advokat86
 
Имя: Артем
Регистрация: 04.11.2014
Адрес: тюмень
Авто: New Duster Privilege 2.0 4WD МКПП6 ESP гбо brc, чип от SVV
Сообщений: 771
advokat86 advokat86
По умолчанию

Цитата:
Сообщение от Autostudio.ru Посмотреть сообщение
Для начала я бы Вам рекомендовал сменить прошивку в блоке. Новая прошивка убирала проблемы с синхронизацией часов.
Понятно, теперь надо искать блок. Программу и прошивка скачивать на оф.сайте сигнализации?
__________________
Представитель SVV в УРФО (Тюмень, Курган и Екатеринбург, Ирбит- по выходным)
телефон +7929269о3пять7
(активация БК на Ф2, часов, подсветки приборки, антиотката, автовключения з.дворника и т.д.)


Желающие на чип тюнинг записываемся заранее.https://vk.com/chiptuningsvv
advokat86 вне форума   Вверх Ответить с цитированием
Старый 18.10.2015, 23:46   #493
Autostudio.ru
Новый партнер
 
Аватар для Autostudio.ru
 
Имя: autostudio
Регистрация: 01.04.2014
Сообщений: 256
Autostudio.ru
По умолчанию

Да, конечно на сайте производителя.
Скачать прошивку можно здесь.
__________________
С уважением, Сергей
Автостудио - партнер клуба
Autostudio.ru вне форума   Вверх Ответить с цитированием
Пользователь сказал cпасибо:
Старый 19.10.2015, 06:37   #494
advokat86
Член клуба
Член клуба
 
Аватар для advokat86
 
Имя: Артем
Регистрация: 04.11.2014
Адрес: тюмень
Авто: New Duster Privilege 2.0 4WD МКПП6 ESP гбо brc, чип от SVV
Сообщений: 771
advokat86 advokat86
По умолчанию

Autostudio.ru, в личку подскажите где искать блок? Пожалуйста.
__________________
Представитель SVV в УРФО (Тюмень, Курган и Екатеринбург, Ирбит- по выходным)
телефон +7929269о3пять7
(активация БК на Ф2, часов, подсветки приборки, антиотката, автовключения з.дворника и т.д.)


Желающие на чип тюнинг записываемся заранее.https://vk.com/chiptuningsvv
advokat86 вне форума   Вверх Ответить с цитированием
Старый 31.10.2015, 22:40   #495
Autostudio.ru
Новый партнер
 
Аватар для Autostudio.ru
 
Имя: autostudio
Регистрация: 01.04.2014
Сообщений: 256
Autostudio.ru
По умолчанию

Ford Mondeo устоял против угонщиков в Москве.

Как работают угонщики? Посмотрите сами на фото




Что же произошло?
В свое время, купив машину и приехав в Autostudio, владелец решил установить только иммобилайзер, без охранной системы, без замков и без оповещения. Такое решение было принято, поскольку автомобили этой модели, по общепринятому мнению, не являются угоняемыми.

В один день хозяин Mondeo приехал домой около 19 часов, припарковался под окном. Московский двор, типичная многоэтажка, неохраняемая парковка. Ночью сон владельца никто не потревожил, так как напомним, что оповещение о тревогах не было установлено. В 10 часов утра он собрался ехать по делам, взялся за сенсор на ручке двери, открыл дверь бесключевым доступом и сел внутрь. Мельком увидел горку стружки на земле рядом с машиной, но не придал этому значения. Запустил двигатель и уехал. Только прибыв к месту назначения и выйдя из салона, он обнаружил последствия покушения. Преступники оставили после себя многочисленные повреждения водительской двери, просверленные отверстия, выломанный цилиндр замка, разрывы электропроводки и другие следы взлома.

В этот раз все закончилось благополучно. Преступников кто-то вспугнул, либо они потратили слишком много времени на проникновение в салон, но бороться дальше они оказались не готовы. В данном случае имеющейся защиты оказалось достаточно, но в другой ситуации её может и не хватить. Ведь иммобилайзер, не усиленный ничем – это даже не базовый противоугонный комплекс, с которого защита автомобиля только начинается, и уж точно им не ограничивается. Подводя итог, отметим, что клиент прислушался к советам мастеров и усилил охранный комплекс.

Не стоит рассчитывать на случайность. Установите комплексную защиту. Защищайте свой автомобиль от угона.
__________________
С уважением, Сергей
Автостудио - партнер клуба
Autostudio.ru вне форума   Вверх Ответить с цитированием
2 пользователя(ей) сказали cпасибо:
Старый 02.11.2015, 13:54   #496
advokat86
Член клуба
Член клуба
 
Аватар для advokat86
 
Имя: Артем
Регистрация: 04.11.2014
Адрес: тюмень
Авто: New Duster Privilege 2.0 4WD МКПП6 ESP гбо brc, чип от SVV
Сообщений: 771
advokat86 advokat86
По умолчанию

Как в районе ручки можно не заметить такие дырки
__________________
Представитель SVV в УРФО (Тюмень, Курган и Екатеринбург, Ирбит- по выходным)
телефон +7929269о3пять7
(активация БК на Ф2, часов, подсветки приборки, антиотката, автовключения з.дворника и т.д.)


Желающие на чип тюнинг записываемся заранее.https://vk.com/chiptuningsvv
advokat86 вне форума   Вверх Ответить с цитированием
Пользователь сказал cпасибо:
Старый 02.11.2015, 18:17   #497
dg972
Член клуба
Член клуба
 
Аватар для dg972
 
Имя: Дмитрий
Регистрация: 23.12.2012
Адрес: Москва
Авто: Privilege 4x4 2.0 МКП6. Чип АДАКТ. Коричневый орехх. 2012 гр.
Сообщений: 17,178
dg972 dg972 dg972 dg972 dg972 dg972 dg972 dg972 dg972 dg972 dg972
По умолчанию

Цитата:
Сообщение от advokat86 Посмотреть сообщение
Как в районе ручки можно не заметить такие дырки
Он справа садился. )))
__________________
"во время войны нельзя говорить плохо о своих, НИКОГДА" ©

Кто понял жизнь тот больше не спешит,
смакует каждый миг и наблюдает.

Мой бортовой журнал. Новое сообщение.
....
dg972 вне форума   Вверх Ответить с цитированием
Старый 04.11.2015, 09:38   #498
Саблинский
Член клуба
Член клуба
 
Аватар для Саблинский
 
Имя: Виктор
Регистрация: 27.12.2012
Адрес: Под Питером
Авто: Дакар Дизелёк 1,5л 4х4
Сообщений: 876
Саблинский Саблинский
По умолчанию

Цитата:
Сообщение от dg972 Посмотреть сообщение
Он справа садился. )))
и без очков
Саблинский вне форума   Вверх Ответить с цитированием
Старый 04.11.2015, 22:23   #499
Taggert
Новичок
 
Имя: Евгений
Регистрация: 17.09.2015
Адрес: Челябинская губерния
Сообщений: 3
Taggert
По умолчанию

Может пропустил, но есть вопрос как и чтотустангвить на рестайлинговый дастер со штатным (заводским)автозапуском? Чтобы не потерять функцию и при этом заведя авто с родного ключа из окна например сигнала не заблокировала запуск двигателя и не заорала. Дилер предложил только вариант снимать с сигнализации потом заводить. Но это лишнее действие. Или может можно реализовать вариант что при нажатии автозапуска на сигналке сигналка запустит функцию и штатного автозапуска в автомобиле.
В общем спецы подскажите есть ли какие варианты?.
Taggert вне форума   Вверх Ответить с цитированием
Старый 04.11.2015, 22:42   #500
Autostudio.ru
Новый партнер
 
Аватар для Autostudio.ru
 
Имя: autostudio
Регистрация: 01.04.2014
Сообщений: 256
Autostudio.ru
По умолчанию

В наших условиях, когда все спешат и делают несколько дел одновременно, такое не заметить легко. Были случаи, когда люди не сразу обнаруживали разбитое стекло в автомобиле или отсутствие АКБ.
__________________
С уважением, Сергей
Автостудио - партнер клуба
Autostudio.ru вне форума   Вверх Ответить с цитированием
Ответ


Ваши права в разделе
Вы не можете создавать новые темы
Вы не можете отвечать в темах
Вы не можете прикреплять вложения
Вы не можете редактировать свои сообщения

BB коды Вкл.
Смайлы Вкл.
[IMG] код Вкл.
HTML код Выкл.

Быстрый переход


Текущее время: 22:12. Часовой пояс GMT +3.
Powered by vBulletin® Version 3.8.7
Copyright ©2000 - 2026, vBulletin Solutions, Inc. Перевод: zCarot
vB.Sponsors

Яндекс.Метрика