Вернуться на главную
Старый 26.04.2017, 17:30   #1
jimmik
.
 
Имя: Rifat
Регистрация: 29.12.2014
Адрес: Moscow
Авто: 2,0 4вд есп. белый
Сообщений: 1,681
jimmik jimmik jimmik jimmik
По умолчанию Как сделать передние тормоза дастер 2л лучше.

Представляю на общее обсуждение свой вариант, на который навел меня Александр (Регас). Его проставки от инфинити, они же от ниссан мурано и рено колеос и навели меня на улучшение тормозов нашего дастера.
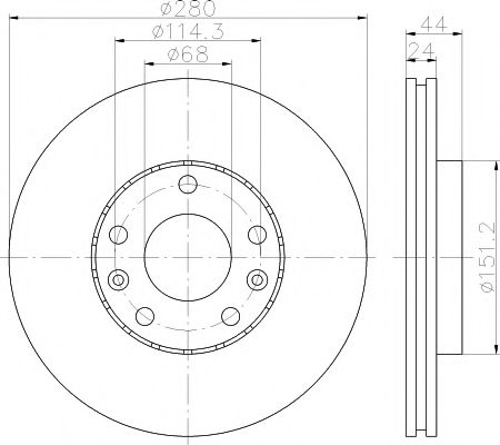
Во первых передний тормозной диск практически в один в один с нашим дастеровским двухлитровым. Но диаметр его больше, вместо 280мм целых 320мм. Все посадочные и прочие размеры совпадают, кроме двух не принципиальных. Общей толщины на 2мм и внутреннего, который тоже не критичен. Далее если посмотреть на кулак дастера и инфинити-мурано, то возможно совпадают отверстия под крепление тормозного суппорта. Причем суппорт от Мурано двух поршневой. Здесь надо мерить точно и в этом загвоздка, так как точных данных я не нашел нигде.
Теперь, если этот размер окажется одинаковым, то приобретаем все суппорта на разборе(новые стоят нереальных денег), покупаем новые тормозные диски и колодки и колеса 17-18 радиуса.
Прилагаю немного фоток для ознакомления и ссылки на размеры торм.дисков дастер и инфинити-мурано.
Размеры диска дастер: http://whatszap.ru/autoparts/renault...t111505;s10132
Размеры диска инфинити: http://whatszap.ru/autoparts/infinit...t111505;s10132
Любой тюнинг требует затрат, но хорошие тормоза для дастера не помешают
Миниатюры
Нажмите на изображение для увеличения
Название: кулак дастер.jpg
Просмотров: 2099
Размер:	194.5 Кб
ID:	70625   Нажмите на изображение для увеличения
Название: кулак мурано.jpg
Просмотров: 2023
Размер:	93.0 Кб
ID:	70626   Нажмите на изображение для увеличения
Название: ступица дастер..jpg
Просмотров: 1916
Размер:	40.9 Кб
ID:	70627   Нажмите на изображение для увеличения
Название: ступица мурано.jpg
Просмотров: 1883
Размер:	63.2 Кб
ID:	70628   Нажмите на изображение для увеличения
Название: дастер2л.jpg
Просмотров: 1838
Размер:	22.5 Кб
ID:	70629  

Нажмите на изображение для увеличения
Название: инфинити-мурано.jpg
Просмотров: 1834
Размер:	19.9 Кб
ID:	70630  

Последний раз редактировалось jimmik; 26.04.2017 в 17:32.
jimmik вне форума   Вверх Ответить с цитированием
4 пользователя(ей) сказали cпасибо:
Это может быть интересно
 

Опции темы Поиск в этой теме
Поиск в этой теме:

Расширенный поиск
Опции просмотра

Ваши права в разделе
Вы не можете создавать новые темы
Вы не можете отвечать в темах
Вы не можете прикреплять вложения
Вы не можете редактировать свои сообщения

BB коды Вкл.
Смайлы Вкл.
[IMG] код Вкл.
HTML код Выкл.

Быстрый переход


Текущее время: 11:57. Часовой пояс GMT +3.
Powered by vBulletin® Version 3.8.7
Copyright ©2000 - 2026, vBulletin Solutions, Inc. Перевод: zCarot
vB.Sponsors

Яндекс.Метрика