Вернуться на главную

Вернуться   Форум Клуба Рено Дастер / Renault Duster Club > Техническая информация Рено Дастер > Мультимедиа и навигация

Важная информация


Ответ
 
Опции темы Поиск в этой теме Опции просмотра
Старый 16.12.2012, 01:27   #1
dg972
Член клуба
Член клуба
 
Аватар для dg972
 
Имя: Дмитрий
Регистрация: 23.12.2012
Адрес: Москва
Авто: Privilege 4x4 2.0 МКП6. Чип АДАКТ. Коричневый орехх. 2012 гр.
Сообщений: 17,178
dg972 dg972 dg972 dg972 dg972 dg972 dg972 dg972 dg972 dg972 dg972
По умолчанию Штатная магнитола DAEWOO AGS-0060PF. (Аудиосистема без навигации.)

DAEWOO AGS-0060PF. 281157299R


Фото

Инструкция на штатную аудиосистему: Duster_audio_manual_280513.pdf
Прошивка аудиосистемы "185": Renault_20111023_00185.zip
Прошивка аудиосистемы "199"
Номер прошивки можно узнать нажав одновременно клавиши AST и 5 или
нажать одновременно клавиши "радио" и 5 на новых машинах. Номер прошивки появится в правом верхнем углу экрана.

Особенности прошивки 199 Обсуждение.
Нет звука на радио после прошивки (при этом со всех остальных источников работает нормально)
Служебное МЕНЮ 199-ой.
Как подключить к аудиосистеме телефон по Bluetooth. Видео.
Видео тут.

Или тут.

Разблокировка магнитолы на автомобилях Renault. Видео



Если, при чтении с флешки, названия песен отображаются псевдосимволами (крякозябрами) содержимое следует прогнать на компе через программу MP3Tag.
1. Скачиваем программу MP3Tag (она на русском и всего 3 мегабайта).
2. Вставляем флешку, нажимаем Файл->Сменить папку, выбираю флешку.
3. В меню Настройки выбираем формат сохранения: Теги->MPEG->Сохранять ставим отметку напротив ID3 v2.3 UTF-16.
4. Потом выделяем все файлы (Control+A), и нажимаю Сохранить.
После этого теги во всей музыке с флешки - по-русски! Тоже самое можно сделать перед записью CD.
НЕ путать с телефонной книгой.


Автомагнитола позволяет прослушивать радиостанции и проигрывать аудиодиски CD и MP3, форматы МР3, WMA, AAC и WAV. Магнитола читает перезаписываемые диски ( CD-RW ), а также читает карты SD через внешний картридер.
Магическое число 999 или ограничения аудиосистемы.
Магнитола начинает воспроизведение флешки с одно и того же трека.

Конвертер аудиоформатов.
Как узнать секретный код аудиосистемы.
Как узнать секретный код аудиосистемы.
Вероятная замена от maslovyu.
Замена от Кубик.
Флешка не читается.
Фон в динамиках.
Плохой прием радио из-за адаптеров гаджетов.
Перегорает предохранитель магнитолы
С не давнего времени магнитола начала воспроизводить с флешки одну последнюю в списке композицию.
Пропало звуковое сопровождение маршрута у навигатора-приложения на телефоне, при подключении к магнитоле по блютузу.
Поменял передние динамики.
Технические изыскания Rinatma
Переходник для магнитолы.
Подключение штатного микрофона.
Фонит радио при работе регистратора или ДХО.
Линейный выход. Откуда взять сигнал?
Линейные выходы в штатной магнитоле Дастера
Линейные выходы в штатной магнитоле Дастера от madmaxxx73
Линейные выходы в штатной магнитоле Дастера от doneAlexandro
Неисправность:
Магнитола не включается автоматически при включении зажигания, только с кнопки. На заведенном моторе работает 10 минут и отключается.
Решение:
Перегорел предохранитель прикуривателя, он же идет на магнитолу. F38 15A.


Предохранители аудиосистемы
Штатную магнитолу питают три предохранителя:

F28 15A - Предохранитель отключения потребителей электроэнергии
- аудиосистемы (261) (питание, +12V до замка зажигания)
- щитка приборов (247)
- ЦЭКБС (645)
- фонаря освещения багажного отделения (165)

F38 15А - Предохранитель аудиосистемы (261) (+12V после замка зажигания)
- прикуривателя первого ряда сидений (101)

F19 10A - подсветка магнитолы, (от габаритов).

"Новый" мафон со старой проблемой. Прошивка T2024. Эти аудиосистемы НЕЛЬЗЯ перепрошивать на 199 версию. Возможен летальный исход.

Прошивка V2030 для "новых" магнитол с версией Т2024, возможно и для 2023, с исправлением кракозябр.

Реанимация аудиосистемы от Koreshok
Для тех, у кого реанимация магнитолы после неудачного "наката" V0199 на Т2024 не увенчалась успехом.
1. Берем файл прошивки Renault_A2130902_V0199.cab
2. Переименовываем его в Renault_A2130902_T2024.cab
3. Вставляем ключ в замок зажигания, но не поворачиваем его (положение St)
4. Вставляем флешку с переименованной прошивкой в USB
5. При нажатых кнопках RADIO+FF 2 раза (!!) нажимаем кнопку включения магнитолы.
6. Начинается процесс загрузки прошивки. По окончании загрузки появляется надпись: "UPGRADING TO T2024 COMPLETE!"
7. Вытаскиваем флешку, через 2 сек. магнитола выключается.
8. Лезем в блок предохранителей и вытаскиваем предохранители 28 и 38. Ждем минуты 2, примерно.
9. Вставляем предохранители на место: сначала 28, затем 38 (может последовательность и не имеет значения, но я вставлял так).
10. Включаем зажигание и если магнитола не включилась сама, включаем ее самостоятельно.
11. Вводим запрашиваемый PIN код и радуемся воскресшей магнитолой.

P. S. После проведенных мероприятий устройство ожило, настройки радиостанций и соединения с телефоном не сбились, но "кракозябры" остались.

Как включается функция прослушивания музыки в случайном порядке?
Как расшифровывается AF и ТА
Как включить информирование о трафике.
При проигрывании музыки с телефона по блютуз - кнопками магнитолы треки переключаются ?
Схема подрулевого джойстика




Спасибо сова

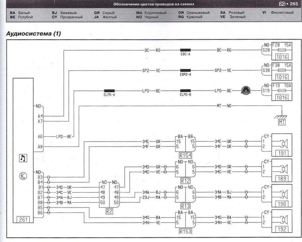
Схема подключения магнитолы.



Нажмите здесь, чтобы увидеть весь текст



Ток аудиосистемы по зеленому проводу - 5,6 mA.

Замеры проводил при разной громкости и от разных источников.



Рамка и переходники для НЕ штатной магнитолы.

Как снять решетку динамика.

Как снять магнитолу.

ATTENTION! Звук от телефона воспроизводиться только через передние динамики!
То есть, если "Затухание" выкрутить на задние, то остаёмся без Handsfree...


Магнитола Рено Дастер: плюсы и минусы
Миниатюры
Нажмите на изображение для увеличения
Название: Схема подключения мафона.jpg
Просмотров: 60650
Размер:	113.6 Кб
ID:	45082   Нажмите на изображение для увеличения
Название: Пер лев_202606.jpg
Просмотров: 3232
Размер:	176.6 Кб
ID:	72092   Нажмите на изображение для увеличения
Название: Пер лев_202629.jpg
Просмотров: 3154
Размер:	132.8 Кб
ID:	72093   Нажмите на изображение для увеличения
Название: Пер лев_202644.jpg
Просмотров: 3081
Размер:	73.3 Кб
ID:	72094  
__________________
"во время войны нельзя говорить плохо о своих, НИКОГДА" ©

Кто понял жизнь тот больше не спешит,
смакует каждый миг и наблюдает.

Мой бортовой журнал. Новое сообщение.
....

Последний раз редактировалось dg972; 01.09.2017 в 16:53.
dg972 вне форума   Вверх Ответить с цитированием
Это может быть интересно
Старый 04.11.2014, 20:55   #921
YVRed
Член клуба
Член клуба
 
Аватар для YVRed
 
Имя: Юра
Регистрация: 20.12.2012
Адрес: Москва
Авто: LP 4x4 2.0
Сообщений: 518
YVRed YVRed YVRed YVRed YVRed
По умолчанию

Цитата:
Сообщение от Серый1965 Посмотреть сообщение
YVRed, На кнопку ТЕЛ. нажимали?
На все кнопки нажимал, когда заглючило, ничего не помогало. А кнопкой ТЕЛ. пользуюсь, но глюки она не лечит...
YVRed вне форума   Вверх Ответить с цитированием
Это может быть интересно
Старый 07.11.2014, 20:07   #922
Серый1965
Местный
 
Аватар для Серый1965
 
Имя: Сергей
Регистрация: 24.10.2014
Адрес: Беларусь Светлогорск
Авто: БЛЕК ЛАЙН 4х4 ВД 2.0 бензин.
Сообщений: 1,142
Серый1965 Серый1965
По умолчанию

YVRed, У меня такого пока не было тьфу тьфу тьфу!!!!
__________________
Чем круче джип,тем дальше бежать за трактором!!!
Серый1965 вне форума   Вверх Ответить с цитированием
Старый 07.11.2014, 20:24   #923
малёк
Местный
 
Аватар для малёк
 
Имя: малёк
Регистрация: 07.09.2014
Адрес: Курган
Авто: Privilege 2.0 4х4
Сообщений: 258
малёк
По умолчанию

а саб к магнитоле подключается?
малёк вне форума   Вверх Ответить с цитированием
Старый 07.11.2014, 20:27   #924
luno
Член клуба
Член клуба
 
Аватар для luno
 
Регистрация: 18.12.2012
Адрес: Москва
Авто: LP Автомат
Сообщений: 1,829
luno luno luno luno luno luno luno
По умолчанию

Цитата:
Сообщение от малёк Посмотреть сообщение
а саб к магнитоле подключается?
Нет
luno вне форума   Вверх Ответить с цитированием
Пользователь сказал cпасибо:
Старый 12.11.2014, 10:52   #925
black1957
Новичок
 
Имя: Константин
Регистрация: 01.07.2013
Адрес: казань
Авто: 4*4, 2.0 черный expression
Сообщений: 90
black1957
По умолчанию

здраствуйте.
я слушаю аудикниги в поездке с usb накопителя
при выключении двигателя и соотвественно всего электрооборудования
воспроизведение начинается с начала - первого файла на флешке.
как настроить штатную аудисистему чтобы воспроизведение начиналось с того места, каким закончилось последним выключение магнитолы?

Последний раз редактировалось black1957; 12.11.2014 в 11:57.
black1957 вне форума   Вверх Ответить с цитированием
Пользователь сказал cпасибо:
Старый 12.11.2014, 11:06   #926
ТоМиН
Новичок
 
Регистрация: 19.12.2012
Адрес: Москва
Авто: ДАСТЕР 4x4 2.0
Сообщений: 48
ТоМиН
По умолчанию

Цитата:
Сообщение от black1957 Посмотреть сообщение
здраствуйте.
я слушаю аудикниги в поездке с usb накопителя
при выключении двигателя и соотвественно всего электрооборудования
воспроизведение начинается с начала - первого файла на флешке.
как настроить штатную аудисистему чтобы воспроизведение начиналось с того места, какм закончилось последним выключение магнитолы?
Если Мне не изменяет мой склероз, надо флешку неполностью заливать, а оставлять на ней место. И будет Вам счастье.
ТоМиН вне форума   Вверх Ответить с цитированием
3 пользователя(ей) сказали cпасибо:
Старый 12.11.2014, 11:15   #927
Sapsan
Член клуба
Член клуба
 
Аватар для Sapsan
 
Имя: Саша
Регистрация: 22.12.2012
Адрес: Ульяновск
Авто: Машина - Зверь
Сообщений: 2,918
Sapsan Sapsan Sapsan Sapsan Sapsan Sapsan
По умолчанию

У меня песню начинает петь с того места где я машину заглушил.
А вот когда конекчу телефон с магнитолой через синезуб, то навител молчит и через трубу и через колонки отключаю синезуба на телефоне навител говорит.
__________________
Не ждите чуда – чудите сами!!!

Последний раз редактировалось Sapsan; 12.11.2014 в 11:20.
Sapsan вне форума   Вверх Ответить с цитированием
Старый 12.11.2014, 11:15   #928
Nikko
Дастеровод в квадрате
Член клуба
 
Аватар для Nikko
 
Имя: Николай
Регистрация: 11.12.2012
Адрес: Санкт_Петербург
Авто: Privelege 4*4 2.0l
Сообщений: 352
Nikko Nikko
По умолчанию

Перепрошил магнитолу, теперь при переключении станций в памяти (я так понимаю при плохом приеме этой станции), магнитола что то ищет с надписью Search в тишине, а затем включает ближайшую работающую станцию, если крутануть центральное колесо туда обратно, то станция прекрасно работает... На старинной прошивке такой беды не было, лечится как нить?
__________________


Могу помочь в приобретении туристического снаряжения от "СНАРЯЖЕНИЕ" скидки!!!, подробности в ЛС
Также для прекрасной половины человечества КОСМЕТИКА
Nikko вне форума   Вверх Ответить с цитированием
Старый 12.11.2014, 13:36   #929
luno
Член клуба
Член клуба
 
Аватар для luno
 
Регистрация: 18.12.2012
Адрес: Москва
Авто: LP Автомат
Сообщений: 1,829
luno luno luno luno luno luno luno
По умолчанию

Цитата:
Сообщение от Nikko Посмотреть сообщение
магнитола что то ищет с надписью Search
Это RDS работает, я так думаю. То есть приёмник ищет эту же радиостанцию с лучшим сигналом
или радиостанцию сходного содержания. Надо в настройках выключить AF или PTY,
не помню навскидку что у нас есть.
Более подробно о RDS:
https://ru.wikipedia.org/wiki/Radio_Data_System
luno вне форума   Вверх Ответить с цитированием
Пользователь сказал cпасибо:
Старый 12.11.2014, 15:02   #930
Velobaiker (Balu)
Член клуба
Член клуба
 
Имя: Сергей
Регистрация: 13.02.2013
Адрес: Балашиха
Авто: Renault Duster 2L 4*4 black pearl+чип от SVV
Сообщений: 2,690
Velobaiker (Balu) Velobaiker (Balu) Velobaiker (Balu) Velobaiker (Balu) Velobaiker (Balu) Velobaiker (Balu) Velobaiker (Balu)
По умолчанию

Цитата:
Сообщение от Nikko Посмотреть сообщение
Перепрошил магнитолу, теперь при переключении станций в памяти (я так понимаю при плохом приеме этой станции), магнитола что то ищет с надписью Search в тишине, а затем включает ближайшую работающую станцию, если крутануть центральное колесо туда обратно, то станция прекрасно работает... На старинной прошивке такой беды не было, лечится как нить?
Не лечится, если рдс отключить будет глючить. Привыкни просто.
Velobaiker (Balu) вне форума   Вверх Ответить с цитированием
2 пользователя(ей) сказали cпасибо:
Старый 12.11.2014, 15:24   #931
mobi
Новичок
 
Имя: Сергей
Регистрация: 19.12.2012
Адрес: Казань
Авто: 1,5 DCI привележ, 2013 г
Сообщений: 22
mobi
По умолчанию

Цитата:
Сообщение от luno Посмотреть сообщение
Это RDS работает, я так думаю. То есть приёмник ищет эту же радиостанцию с лучшим сигналом
или радиостанцию сходного содержания. Надо в настройках выключить AF или PTY,
не помню навскидку что у нас есть.
Более подробно о RDS:
https://ru.wikipedia.org/wiki/Radio_Data_System
правильно говоришь, AF включи и проблем меньше будет
mobi вне форума   Вверх Ответить с цитированием
Пользователь сказал cпасибо:
Старый 12.11.2014, 18:50   #932
Серый1965
Местный
 
Аватар для Серый1965
 
Имя: Сергей
Регистрация: 24.10.2014
Адрес: Беларусь Светлогорск
Авто: БЛЕК ЛАЙН 4х4 ВД 2.0 бензин.
Сообщений: 1,142
Серый1965 Серый1965
По умолчанию

Nikko На предыдущей машине была такая байда....плохо ловило станции магнитола. Сменил три антенны,ничего не изменилось.Поставил антенну БОШ на лобовик,когда пришел к мастеру который мне ставил,он включил магнитолу и станции все работали...Я приехал в гараж подключил видеорегистратор и что!!!! опять нет станций!!!!! И до меня дошло... оказывается видеорегистратор,создает помехи. Никогда бы не подумал!! А я три антенны поменял!!!
__________________
Чем круче джип,тем дальше бежать за трактором!!!
Серый1965 вне форума   Вверх Ответить с цитированием
Старый 12.11.2014, 19:49   #933
Router
Новичок
 
Имя: Алексей
Регистрация: 12.11.2014
Адрес: Архангельск
Сообщений: 1
Router
По умолчанию

Ребят, может кто поможет! Штатная магнитола перестала читать шлешку, т.е. её не видит, радио не работает, CD диски читает все норм. Снял с аккумулятора клейму, думал может поможет, а после подключения питания пинкод не запросила, все так же продолжилось!((( Посоветуйте, что можно сделать?

---------- Сообщение добавлено в 19:49 ---------- Предыдущее сообщение размещено в 19:39 ----------

ма
Router вне форума   Вверх Ответить с цитированием
Старый 12.11.2014, 19:57   #934
YVRed
Член клуба
Член клуба
 
Аватар для YVRed
 
Имя: Юра
Регистрация: 20.12.2012
Адрес: Москва
Авто: LP 4x4 2.0
Сообщений: 518
YVRed YVRed YVRed YVRed YVRed
По умолчанию

Цитата:
Сообщение от Router Посмотреть сообщение
Ребят, может кто поможет! Штатная магнитола перестала читать шлешку, т.е. её не видит, радио не работает, CD диски читает все норм. Снял с аккумулятора клейму, думал может поможет, а после подключения питания пинкод не запросила, все так же продолжилось!((( Посоветуйте, что можно сделать?
А есть возможность на другой флешке проверить, работает или нет? Комп флешку распознаёт?
YVRed вне форума   Вверх Ответить с цитированием
Старый 12.11.2014, 20:12   #935
Серый1965
Местный
 
Аватар для Серый1965
 
Имя: Сергей
Регистрация: 24.10.2014
Адрес: Беларусь Светлогорск
Авто: БЛЕК ЛАЙН 4х4 ВД 2.0 бензин.
Сообщений: 1,142
Серый1965 Серый1965
По умолчанию

И на выборе..то есть на экране не показывает присутствие USB ?
__________________
Чем круче джип,тем дальше бежать за трактором!!!
Серый1965 вне форума   Вверх Ответить с цитированием
Старый 12.11.2014, 20:46   #936
luno
Член клуба
Член клуба
 
Аватар для luno
 
Регистрация: 18.12.2012
Адрес: Москва
Авто: LP Автомат
Сообщений: 1,829
luno luno luno luno luno luno luno
По умолчанию

Цитата:
Сообщение от Серый1965 Посмотреть сообщение
Я приехал в гараж подключил видеорегистратор и что!!!! опять нет станций!!!!! И до меня дошло... оказывается видеорегистратор,создает помехи. Никогда бы не подумал!!
А тут уже подумали:
http://www.duster-clubs.ru/forum/sho...F0%E0%F2%EE%F0
luno вне форума   Вверх Ответить с цитированием
Пользователь сказал cпасибо:
Старый 12.11.2014, 21:08   #937
Серый1965
Местный
 
Аватар для Серый1965
 
Имя: Сергей
Регистрация: 24.10.2014
Адрес: Беларусь Светлогорск
Авто: БЛЕК ЛАЙН 4х4 ВД 2.0 бензин.
Сообщений: 1,142
Серый1965 Серый1965
По умолчанию

У меня тоже в этом месте стоит ВР.Если не на долго куда еду..я просто кабель отключаю,аккумулятора ВР хватает на 4 часа.Да и кабель я пока только через прикуриватель подключаю.Пока на гарантии машина,нельзя подключаться от других источников. Мне так ОД сказал.Я хотел у них все подключить. Говорят не штатная система.
__________________
Чем круче джип,тем дальше бежать за трактором!!!
Серый1965 вне форума   Вверх Ответить с цитированием
Старый 12.11.2014, 21:21   #938
МЕДВЕЖ
Супер-модератор
Член клуба
 
Аватар для МЕДВЕЖ
 
Имя: Андрей
Регистрация: 14.12.2012
Адрес: РОССИЯ
Авто: Renault Duster Privilege 2,0 4х4-ТАРЗАН.
Сообщений: 7,468
МЕДВЕЖ МЕДВЕЖ МЕДВЕЖ МЕДВЕЖ МЕДВЕЖ МЕДВЕЖ МЕДВЕЖ МЕДВЕЖ МЕДВЕЖ МЕДВЕЖ МЕДВЕЖ
По умолчанию

Цитата:
Сообщение от Серый1965 Посмотреть сообщение
Пока на гарантии машина,нельзя подключаться от других источников. Мне так ОД сказал.Я хотел у них все подключить. Говорят не штатная система.
Нагло врут!!!!!
__________________
Мужчину должны украшать три вещи: порядочность, характер и поступки, а не дешевые понты, завышенная самооценка и длинный язык.

КОПИЛКА ССЫЛОК В ПОМОЩЬ
МЕДВЕЖ вне форума   Вверх Ответить с цитированием
3 пользователя(ей) сказали cпасибо:
Старый 12.11.2014, 21:41   #939
Серый1965
Местный
 
Аватар для Серый1965
 
Имя: Сергей
Регистрация: 24.10.2014
Адрес: Беларусь Светлогорск
Авто: БЛЕК ЛАЙН 4х4 ВД 2.0 бензин.
Сообщений: 1,142
Серый1965 Серый1965
По умолчанию

МЕДВЕЖ Может быть. Следующий раз поеду к ОД,еще поговорю. Так не удобно когда куча проводов перед панелью болтаются..и тройник о ногу трется.Я его приклеил сбоку магнитолы у правой ноги.
__________________
Чем круче джип,тем дальше бежать за трактором!!!
Серый1965 вне форума   Вверх Ответить с цитированием
Старый 13.11.2014, 09:28   #940
Саблинский
Член клуба
Член клуба
 
Аватар для Саблинский
 
Имя: Виктор
Регистрация: 27.12.2012
Адрес: Под Питером
Авто: Дакар Дизелёк 1,5л 4х4
Сообщений: 876
Саблинский Саблинский
По умолчанию

Цитата:
Сообщение от mobi Посмотреть сообщение
Надо в настройках выключить AF
Цитата:
Сообщение от mobi Посмотреть сообщение
правильно говоришь, AF включи и проблем меньше будет
Ну так как? Вкл, выкл, или клацать?
Саблинский вне форума   Вверх Ответить с цитированием
Ответ

Метки
аудиосистема, магнитола, дастер.


Ваши права в разделе
Вы не можете создавать новые темы
Вы не можете отвечать в темах
Вы не можете прикреплять вложения
Вы не можете редактировать свои сообщения

BB коды Вкл.
Смайлы Вкл.
[IMG] код Вкл.
HTML код Выкл.

Быстрый переход


Текущее время: 00:12. Часовой пояс GMT +3.
Powered by vBulletin® Version 3.8.7
Copyright ©2000 - 2025, vBulletin Solutions, Inc. Перевод: zCarot
vB.Sponsors

Яндекс.Метрика