Вернуться на главную
Старый 25.11.2014, 21:50   #1
сова
Член клуба
Член клуба
 
Аватар для сова
 
Имя: Юрий
Регистрация: 21.12.2013
Адрес: Новая Москва
Сообщений: 304
сова сова
По умолчанию Контроллер стеклоочистителей

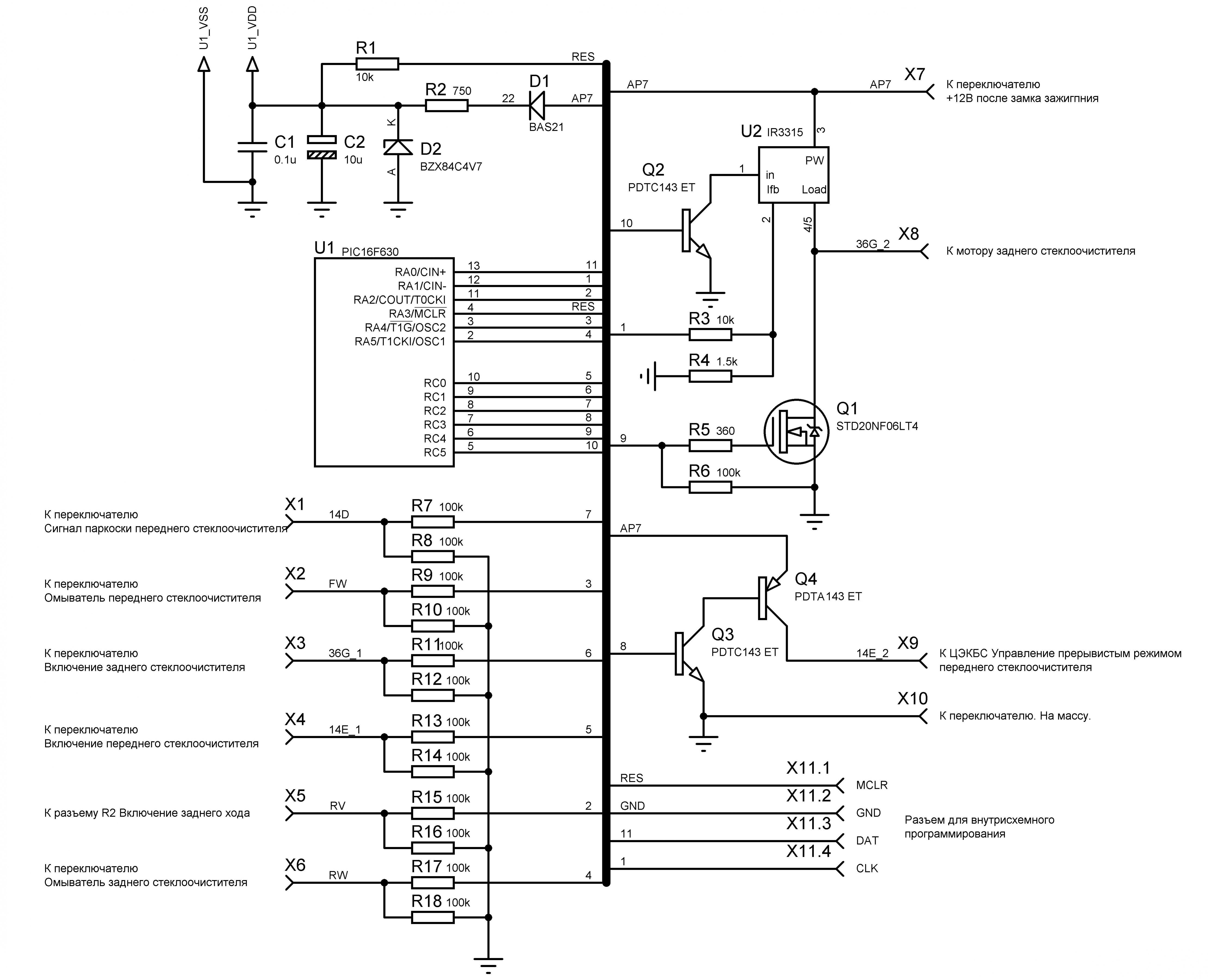
Контроллер управления стеклоочистителями
С подачи и при активном участии наших товарищей dg972 и gagarin74 был создан вот такой контроллер. Не смотря на то, что сам я изначально скептически относился к этой идее, результат меня порадовал. Огромное спасибо всем кто принял участие в этом проекте!
Вот, что получилось.

Особенности.
• Регулировка паузы переднего стеклоочистителя от 0,5 до 60 секунд.
• Регулировка паузы заднего стеклоочистителя от 0,5 до 120 секунд.
Полуавтоматический режим для заднего стеклоочистителя.
Очистка заднего стекла при включении заднего хода (только для полуавтоматического режима)
• Возможность программирования основных параметров.
Управление передним стеклоочистителем.
Нажмите здесь, чтобы увидеть весь текст
После включения зажигания, так же если стеклоочиститель был выключен на время более установленной максимальной паузы (по умолчанию 60 сек.) устанавливается стандартная пауза, по умолчанию равная 5 секундам.
Для увеличения паузы необходимо выключить стеклоочиститель и выдержав необходимое время включить его снова. Теперь длительность паузы будет равна времени от последнего взмаха щеток до момента включения прерывистого режима.
Для уменьшения паузы необходимо выключить и сразу включить стеклоочиститель. В этом случае новая пауза, также будет равна времени от последнего взмаха щеток до момента включения. Кроме того, для уменьшения паузы можно перевести переключатель в положение непрерывной работы и в течении первого взмаха щеток вернуть в прерывистый режим. Если непрерывный режим был включен более чем на один взмах, пауза не изменится. Включение омывателя также не изменяет длительность паузы.

Управление задним стеклоочистителем.
Нажмите здесь, чтобы увидеть весь текст
Для заднего стеклоочистителя предусмотрено два режима работы.
1. Полуавтоматический режим (установлен по умолчанию)
В этом режиме задний стеклоочиститель будет делать один взмах при первом включении* и далее на каждый, по умолчанию 10-й, взмах переднего стеклоочистителя, при условии, что переключатель заднего выключен.
Если при первом включении* переднего стеклоочистителя, в течении первого взмаха щеток он будет выключен, то работа заднего стеклоочистителя будет отложена до более длительного включения переднего стеклоочистителя.
При включении заднего хода, если включен передний стеклоочиститель, щетка заднего стеклоочистителя сделает несколько взмахов (по умолчанию 2) и далее будет делать по одному взмаху на каждый взмах переднего.
Если переключатель заднего стеклоочистителя включен, то щетка будет двигаться непрерывно.
При ручном включении заднего стеклоочистителя и включении омывателя заднего стекла отсчет взмахов переднего стеклоочистителя начинается сначала.
Включение омывателя лобового стекла (не зависимо от того, сколько взмахов сделает щетка 1 или 3) учитывается как один взмах при условии, что передний стеклоочиститель включен в любом режиме. В противном случае включение омывателя не влияет на работу заднего стеклоочистителя.
* - первое включение, это включение непосредственно после включения зажигания или по истечении времени максимальной паузы.
2. Режим регулировки паузы.
В этом режиме регулировка паузы происходит аналогично регулировке переднего стеклоочистителя. Включение при движении задним ходом не происходит.
В обоих режимах предусмотрена задержка движения щетки заднего стеклоочистителя при включении омывателя.

Дополнительно
Нажмите здесь, чтобы увидеть весь текст
Если при включении зажигания, по какой-либо причине, оказался включен один или оба стеклоочистителя, то щетки не начнут движения пока их переключатели не будут выключены вручную. Это не относится к непрерывному режиму переднего стеклоочистителя.
Перевести задний стеклоочиститель из полуавтоматического режима в режим регулируемой паузы и обратно можно во время движения, четырехкратным включением-выключением переключателя заднего стеклоочистителя в течении 2х секунд.


Цена контроллера на данный момент 1900 руб.
Оплата возможна на Киви или карту Сбербанка.
Доставка в регионы возможна только почтой России.
Миниатюры
Нажмите на изображение для увеличения
Название: Схема.jpg
Просмотров: 3333
Размер:	1,005.4 Кб
ID:	37061   Нажмите на изображение для увеличения
Название: Подключение Контролера.jpg
Просмотров: 2745
Размер:	143.7 Кб
ID:	54176  
Вложения
Тип файла: zip прошивка.zip (2.5 Кб, 2159 просмотров)
Тип файла: zip Фотогайд Подключение_контроллера_стеклоочистителей_1.zip (2.78 Мб, 2245 просмотров)
Тип файла: zip Контроллер управления стеклоочистителем Руководство.zip (96.6 Кб, 2164 просмотров)

Последний раз редактировалось сова; 07.11.2015 в 19:02.
сова вне форума   Вверх Ответить с цитированием
15 пользователя(ей) сказали cпасибо:
Это может быть интересно
Старый 25.11.2014, 21:53   #2
dg972
Член клуба
Член клуба
 
Аватар для dg972
 
Имя: Дмитрий
Регистрация: 23.12.2012
Адрес: Москва
Авто: Privilege 4x4 2.0 МКП6. Чип АДАКТ. Коричневый орехх. 2012 гр.
Сообщений: 17,178
dg972 dg972 dg972 dg972 dg972 dg972 dg972 dg972 dg972 dg972 dg972
По умолчанию

Интересно, на Ниссан Террано он подойдет?
__________________
"во время войны нельзя говорить плохо о своих, НИКОГДА" ©

Кто понял жизнь тот больше не спешит,
смакует каждый миг и наблюдает.

Мой бортовой журнал. Новое сообщение.
....
dg972 вне форума   Вверх Ответить с цитированием
Старый 26.11.2014, 21:33   #3
dg972
Член клуба
Член клуба
 
Аватар для dg972
 
Имя: Дмитрий
Регистрация: 23.12.2012
Адрес: Москва
Авто: Privilege 4x4 2.0 МКП6. Чип АДАКТ. Коричневый орехх. 2012 гр.
Сообщений: 17,178
dg972 dg972 dg972 dg972 dg972 dg972 dg972 dg972 dg972 dg972 dg972
По умолчанию

Юр, сова, NSZ-550 интересовался твоим девайсом. Как думаешь, можно в Питер отправлять?
__________________
"во время войны нельзя говорить плохо о своих, НИКОГДА" ©

Кто понял жизнь тот больше не спешит,
смакует каждый миг и наблюдает.

Мой бортовой журнал. Новое сообщение.
....
dg972 вне форума   Вверх Ответить с цитированием
Старый 26.11.2014, 21:44   #4
сова
Член клуба
Член клуба
 
Аватар для сова
 
Имя: Юрий
Регистрация: 21.12.2013
Адрес: Новая Москва
Сообщений: 304
сова сова
По умолчанию

Цитата:
Сообщение от dg972 Посмотреть сообщение
Как думаешь, можно в Питер отправлять?
Я бы дождался "хорошей" погоды, новый контроллер еще не обкатали, вдруг еще чего вылезет. Осадков-то пока нет.

---------- Сообщение добавлено в 21:44 ---------- Предыдущее сообщение размещено в 21:41 ----------

Цитата:
Сообщение от dg972 Посмотреть сообщение
Интересно, на Ниссан Террано он подойдет?
Да, кто-ж его знает. Хоть бы схемы где найти, интересно будут ли отличия.
сова вне форума   Вверх Ответить с цитированием
Пользователь сказал cпасибо:
Старый 26.11.2014, 21:49   #5
dg972
Член клуба
Член клуба
 
Аватар для dg972
 
Имя: Дмитрий
Регистрация: 23.12.2012
Адрес: Москва
Авто: Privilege 4x4 2.0 МКП6. Чип АДАКТ. Коричневый орехх. 2012 гр.
Сообщений: 17,178
dg972 dg972 dg972 dg972 dg972 dg972 dg972 dg972 dg972 dg972 dg972
По умолчанию

Цитата:
Сообщение от сова Посмотреть сообщение
Хоть бы схемы где найти
Покурим эту тему. А у Ларгуса задний сточ есть? Кто знает?
__________________
"во время войны нельзя говорить плохо о своих, НИКОГДА" ©

Кто понял жизнь тот больше не спешит,
смакует каждый миг и наблюдает.

Мой бортовой журнал. Новое сообщение.
....
dg972 вне форума   Вверх Ответить с цитированием
Старый 26.11.2014, 22:16   #6
dg972
Член клуба
Член клуба
 
Аватар для dg972
 
Имя: Дмитрий
Регистрация: 23.12.2012
Адрес: Москва
Авто: Privilege 4x4 2.0 МКП6. Чип АДАКТ. Коричневый орехх. 2012 гр.
Сообщений: 17,178
dg972 dg972 dg972 dg972 dg972 dg972 dg972 dg972 dg972 dg972 dg972
По умолчанию

Про Ларгус.
Во вложении кое-что с форума, плюс ссылка на их работу по данному вопросу: http://forum.ladalargus.net/showthre...7928#post17928.

К стати, нашел свою схему там у них. funtik по моей методе два реле вкорячивал. )))
Миниатюры
Нажмите на изображение для увеличения
Название: схема зад.перед.дворники.jpg
Просмотров: 1751
Размер:	83.5 Кб
ID:	37528   Нажмите на изображение для увеличения
Название: Сточ ларгус.jpg
Просмотров: 1690
Размер:	96.9 Кб
ID:	37529   Нажмите на изображение для увеличения
Название: разьем распиновка.jpg
Просмотров: 1718
Размер:	62.0 Кб
ID:	37530   Нажмите на изображение для увеличения
Название: пауза на зад дворник.jpg
Просмотров: 1712
Размер:	72.8 Кб
ID:	37531   Нажмите на изображение для увеличения
Название: Схема эл пр..jpg
Просмотров: 1728
Размер:	943.1 Кб
ID:	37532  

__________________
"во время войны нельзя говорить плохо о своих, НИКОГДА" ©

Кто понял жизнь тот больше не спешит,
смакует каждый миг и наблюдает.

Мой бортовой журнал. Новое сообщение.
....
dg972 вне форума   Вверх Ответить с цитированием
Пользователь сказал cпасибо:
Старый 11.12.2014, 16:59   #7
zigzag
Член клуба
Член клуба
 
Аватар для zigzag
 
Имя: Дмитрий
Регистрация: 16.12.2012
Адрес: Москва
Авто: дизель привеледж ESP
Сообщений: 3,068
zigzag zigzag zigzag zigzag zigzag
Отправить сообщение для zigzag с помощью ICQ
По умолчанию

как проходят испытания?

можно уже приобретать?
если можно, то как?
__________________
Я не хороший и не плохой. Я добрый в злую полосочку.
каталог
zigzag вне форума   Вверх Ответить с цитированием
2 пользователя(ей) сказали cпасибо:
Старый 11.12.2014, 19:23   #8
сова
Член клуба
Член клуба
 
Аватар для сова
 
Имя: Юрий
Регистрация: 21.12.2013
Адрес: Новая Москва
Сообщений: 304
сова сова
По умолчанию

Цитата:
Сообщение от zigzag Посмотреть сообщение
как проходят испытания?
У меня все работает стабильно, но вот остальные тестеры пока молчат.
сова вне форума   Вверх Ответить с цитированием
Пользователь сказал cпасибо:
Старый 11.12.2014, 22:18   #9
dg972
Член клуба
Член клуба
 
Аватар для dg972
 
Имя: Дмитрий
Регистрация: 23.12.2012
Адрес: Москва
Авто: Privilege 4x4 2.0 МКП6. Чип АДАКТ. Коричневый орехх. 2012 гр.
Сообщений: 17,178
dg972 dg972 dg972 dg972 dg972 dg972 dg972 dg972 dg972 dg972 dg972
По умолчанию

Цитата:
Сообщение от сова Посмотреть сообщение
остальные тестеры пока молчат.
Всё жду сбоя, а нету... Работает отлично. В выхи буду перепрограммировать. 10:1 все-таки редко. Надо 8:1. Дим, zigzag - рекомендую!

Цитата:
Сообщение от сова Посмотреть сообщение
Перевести задний стеклоочиститель из полуавтоматического режима в режим регулируемой паузы и обратно можно во время движения, четырехкратным включением-выключением переключателя заднего стеклоочистителя в течении 2х секунд.
О как! Всё проще, чем я думал...
__________________
"во время войны нельзя говорить плохо о своих, НИКОГДА" ©

Кто понял жизнь тот больше не спешит,
смакует каждый миг и наблюдает.

Мой бортовой журнал. Новое сообщение.
....

Последний раз редактировалось dg972; 11.12.2014 в 22:23.
dg972 вне форума   Вверх Ответить с цитированием
2 пользователя(ей) сказали cпасибо:
Старый 11.12.2014, 22:24   #10
dg972
Член клуба
Член клуба
 
Аватар для dg972
 
Имя: Дмитрий
Регистрация: 23.12.2012
Адрес: Москва
Авто: Privilege 4x4 2.0 МКП6. Чип АДАКТ. Коричневый орехх. 2012 гр.
Сообщений: 17,178
dg972 dg972 dg972 dg972 dg972 dg972 dg972 dg972 dg972 dg972 dg972
По умолчанию

Юр, надо обратить внимание на этот девайс Террановодов и владельцев Ларгусов.
__________________
"во время войны нельзя говорить плохо о своих, НИКОГДА" ©

Кто понял жизнь тот больше не спешит,
смакует каждый миг и наблюдает.

Мой бортовой журнал. Новое сообщение.
....
dg972 вне форума   Вверх Ответить с цитированием
2 пользователя(ей) сказали cпасибо:
Старый 11.12.2014, 23:30   #11
сова
Член клуба
Член клуба
 
Аватар для сова
 
Имя: Юрий
Регистрация: 21.12.2013
Адрес: Новая Москва
Сообщений: 304
сова сова
По умолчанию

Цитата:
Сообщение от dg972 Посмотреть сообщение
В выхи буду перепрограммировать. 10:1 все-таки редко. Надо 8:1.
Дим, всем не угодишь. Тебе надо 8, кому-то 30, нужно искать компромисс. Больше четырех значений вносить в таблицу программирования тоже нет смысла, это только усложнит процесс программирования. Мне видится оптимальными два варианта. Который сейчас - 5; 10; 15; 20 и 10; 15; 20; 25. Вот я никак не решу какой из них выбрать. Меня вполне устраивает первый.
сова вне форума   Вверх Ответить с цитированием
Старый 13.12.2014, 23:49   #12
dg972
Член клуба
Член клуба
 
Аватар для dg972
 
Имя: Дмитрий
Регистрация: 23.12.2012
Адрес: Москва
Авто: Privilege 4x4 2.0 МКП6. Чип АДАКТ. Коричневый орехх. 2012 гр.
Сообщений: 17,178
dg972 dg972 dg972 dg972 dg972 dg972 dg972 dg972 dg972 dg972 dg972
По умолчанию

Цитата:
Сообщение от сова Посмотреть сообщение
сейчас - 5; 10; 15; 20
А, то есть 8 там нету. Ну ладно, попробую пять.
__________________
"во время войны нельзя говорить плохо о своих, НИКОГДА" ©

Кто понял жизнь тот больше не спешит,
смакует каждый миг и наблюдает.

Мой бортовой журнал. Новое сообщение.
....
dg972 вне форума   Вверх Ответить с цитированием
Старый 14.12.2014, 19:15   #13
dg972
Член клуба
Член клуба
 
Аватар для dg972
 
Имя: Дмитрий
Регистрация: 23.12.2012
Адрес: Москва
Авто: Privilege 4x4 2.0 МКП6. Чип АДАКТ. Коричневый орехх. 2012 гр.
Сообщений: 17,178
dg972 dg972 dg972 dg972 dg972 dg972 dg972 dg972 dg972 dg972 dg972
По умолчанию

Попробовал. Сделал 5.
Изменил и третий пункт на 3. Ну и максимальную паузу заднего сделал 120 сек.
Программирование не заняло много времени, главное, стеклоочистители поднять, что бы не тереть по сухому.
Приятно удивила возможность перехода заднего сточ с полуавтомата на паузу. Вообще, сделано шедеврально! После перевключения зажигания снова полуавтомат. Юр, спасибо. Думаю - стоп, дальше усовершенствовать нет смысла.
__________________
"во время войны нельзя говорить плохо о своих, НИКОГДА" ©

Кто понял жизнь тот больше не спешит,
смакует каждый миг и наблюдает.

Мой бортовой журнал. Новое сообщение.
....
dg972 вне форума   Вверх Ответить с цитированием
Пользователь сказал cпасибо:
Старый 14.12.2014, 19:20   #14
сова
Член клуба
Член клуба
 
Аватар для сова
 
Имя: Юрий
Регистрация: 21.12.2013
Адрес: Новая Москва
Сообщений: 304
сова сова
По умолчанию

Цитата:
Сообщение от dg972 Посмотреть сообщение
Ну и максимальную паузу заднего сделал 120 сек.
Так вроде 120 по умолчанию стояло. Виноват. По умолчанию стоит 90 сек. Подзабыл уже.

Цитата:
Сообщение от dg972 Посмотреть сообщение
Юр, спасибо. Думаю - стоп, дальше усовершенствовать нет смысла.
И я того же мнения.

Последний раз редактировалось сова; 14.12.2014 в 19:35.
сова вне форума   Вверх Ответить с цитированием
Пользователь сказал cпасибо:
Старый 14.12.2014, 19:45   #15
dg972
Член клуба
Член клуба
 
Аватар для dg972
 
Имя: Дмитрий
Регистрация: 23.12.2012
Адрес: Москва
Авто: Privilege 4x4 2.0 МКП6. Чип АДАКТ. Коричневый орехх. 2012 гр.
Сообщений: 17,178
dg972 dg972 dg972 dg972 dg972 dg972 dg972 dg972 dg972 dg972 dg972
По умолчанию

Как-то грустно стало: нету больше повода приехать к тебе... Вообще, есть одна задумка. Вот к концу следующего года вылезу из кредитной попы и попрошу тебя кое-что сделать.
__________________
"во время войны нельзя говорить плохо о своих, НИКОГДА" ©

Кто понял жизнь тот больше не спешит,
смакует каждый миг и наблюдает.

Мой бортовой журнал. Новое сообщение.
....
dg972 вне форума   Вверх Ответить с цитированием
Старый 14.12.2014, 19:58   #16
сова
Член клуба
Член клуба
 
Аватар для сова
 
Имя: Юрий
Регистрация: 21.12.2013
Адрес: Новая Москва
Сообщений: 304
сова сова
По умолчанию

dg972, Дим, встретиться можно и без повода...
сова вне форума   Вверх Ответить с цитированием
Пользователь сказал cпасибо:
Старый 22.12.2014, 20:39   #17
dg972
Член клуба
Член клуба
 
Аватар для dg972
 
Имя: Дмитрий
Регистрация: 23.12.2012
Адрес: Москва
Авто: Privilege 4x4 2.0 МКП6. Чип АДАКТ. Коричневый орехх. 2012 гр.
Сообщений: 17,178
dg972 dg972 dg972 dg972 dg972 dg972 dg972 dg972 dg972 dg972 dg972
По умолчанию

Ну что тишина в темке? )))
А чего писать-то? Он же работает. Все, чего мы хотели получить - получили. Девайс инсталлирован в эл. схему, так же искусно, как искусственное сердце в тело человека.
Для меня, работа задней щетки, теперь, также естественна, как твой, Юрий, удлинитель поворота, так же, как мои ПТФ-ДХО, так же как стеклоподъемники без ключа зажигания.
Медленно , но верно Дустик, по функционалу, приближается к мерину!
__________________
"во время войны нельзя говорить плохо о своих, НИКОГДА" ©

Кто понял жизнь тот больше не спешит,
смакует каждый миг и наблюдает.

Мой бортовой журнал. Новое сообщение.
....
dg972 вне форума   Вверх Ответить с цитированием
3 пользователя(ей) сказали cпасибо:
Старый 22.12.2014, 22:31   #18
Sapsan
Член клуба
Член клуба
 
Аватар для Sapsan
 
Имя: Саша
Регистрация: 22.12.2012
Адрес: Ульяновск
Авто: Машина - Зверь
Сообщений: 2,918
Sapsan Sapsan Sapsan Sapsan Sapsan Sapsan
По умолчанию

Цитата:
Сообщение от dg972 Посмотреть сообщение
А чего писать то. Все, чего мы хотели получить - получили.
Ни всё. Цена?
__________________
Не ждите чуда – чудите сами!!!
Sapsan вне форума   Вверх Ответить с цитированием
Старый 22.12.2014, 23:06   #19
сова
Член клуба
Член клуба
 
Аватар для сова
 
Имя: Юрий
Регистрация: 21.12.2013
Адрес: Новая Москва
Сообщений: 304
сова сова
По умолчанию

Цитата:
Сообщение от Sapsan Посмотреть сообщение
Ни всё. Цена?
Хочу напомнить, что эта тема находится не в коммерческом разделе. Здесь обсуждаем технические вопросы, т.е. алгоритм работы, изготовление, подключение, и т.д. Вся информация достаточная для самостоятельного изготовления опубликована в посте 1. Если кому-то нужны исходники или требуется помощь в изготовлении, стучите в личку.
С позволения администрации форума сообщаю. Цена контроллера на данный момент 1900 руб. Эта цена будет действительна пока не закончатся комплектующие закупленные до подорожания. Первые контроллеры будут готовы к концу недели. Оплата возможна на Киви или карту Сбербанка. Доставка в регионы возможна только почтой России.

Последний раз редактировалось сова; 23.12.2014 в 00:20.
сова вне форума   Вверх Ответить с цитированием
3 пользователя(ей) сказали cпасибо:
Старый 09.01.2015, 13:32   #20
сова
Член клуба
Член клуба
 
Аватар для сова
 
Имя: Юрий
Регистрация: 21.12.2013
Адрес: Новая Москва
Сообщений: 304
сова сова
По умолчанию

Добавил фотогайд подключения контроллера
сова вне форума   Вверх Ответить с цитированием
2 пользователя(ей) сказали cпасибо:
Ответ

Опции темы Поиск в этой теме
Поиск в этой теме:

Расширенный поиск
Опции просмотра

Ваши права в разделе
Вы не можете создавать новые темы
Вы не можете отвечать в темах
Вы не можете прикреплять вложения
Вы не можете редактировать свои сообщения

BB коды Вкл.
Смайлы Вкл.
[IMG] код Вкл.
HTML код Выкл.

Быстрый переход


Текущее время: 15:07. Часовой пояс GMT +3.
Powered by vBulletin® Version 3.8.7
Copyright ©2000 - 2026, vBulletin Solutions, Inc. Перевод: zCarot
vB.Sponsors

Яндекс.Метрика