Вернуться на главную

Вернуться   Форум Клуба Рено Дастер / Renault Duster Club > Коммерческие разделы > Предложения от членов клуба

Важная информация


 
 
Опции темы Поиск в этой теме Опции просмотра
Старый 25.11.2014, 21:50   #1
сова
Член клуба
Член клуба
 
Аватар для сова
 
Имя: Юрий
Регистрация: 21.12.2013
Адрес: Новая Москва
Сообщений: 304
сова сова
По умолчанию Контроллер стеклоочистителей

Контроллер управления стеклоочистителями
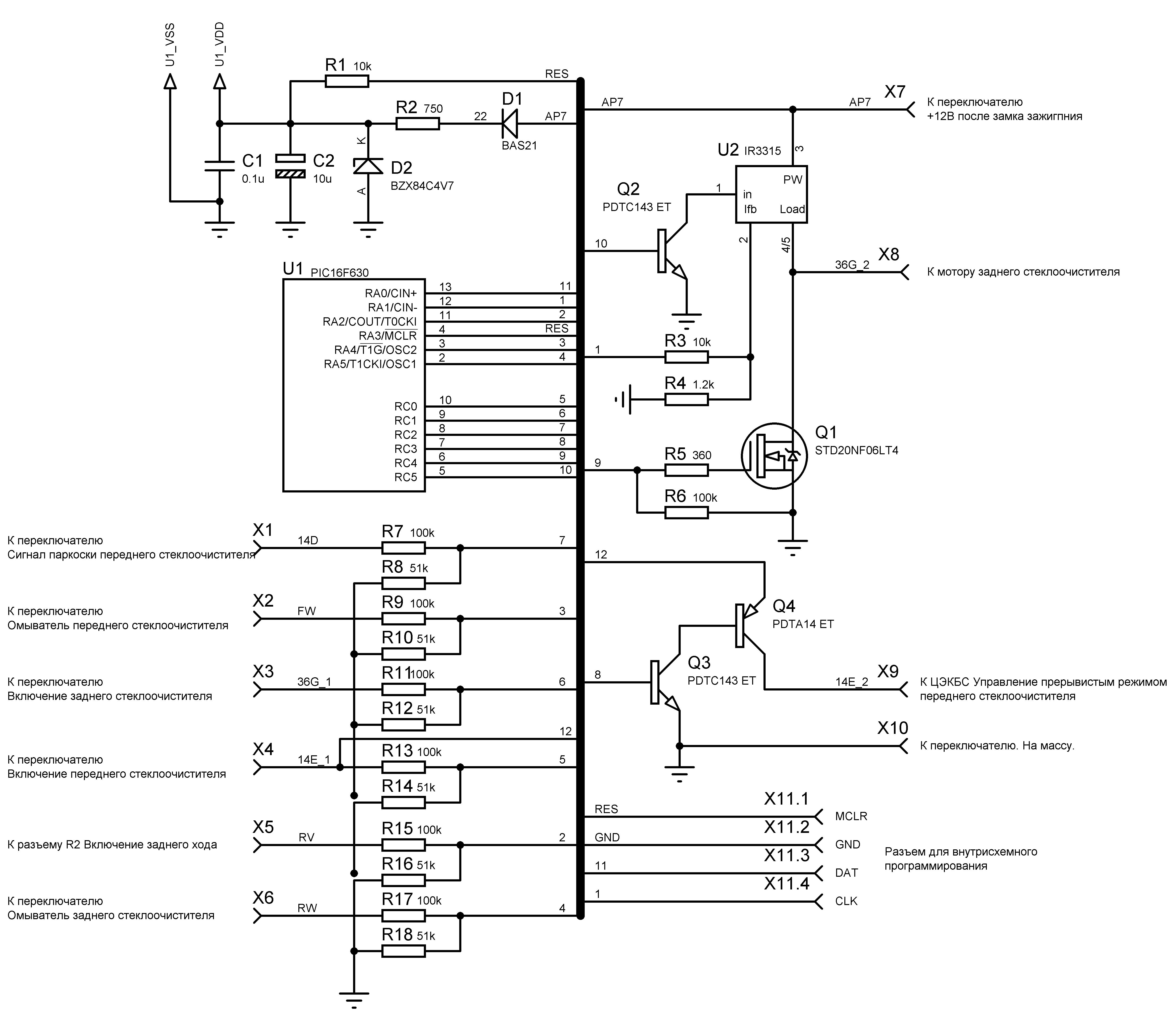
С подачи и при активном участии наших товарищей dg972 и gagarin74 был создан вот такой контроллер. Не смотря на то, что сам я изначально скептически относился к этой идее, результат меня порадовал. Огромное спасибо всем кто принял участие в этом проекте!
Вот, что получилось.

Особенности.
• Регулировка паузы переднего стеклоочистителя от 0,5 до 60 секунд.
• Регулировка паузы заднего стеклоочистителя от 0,5 до 120 секунд.
Полуавтоматический режим для заднего стеклоочистителя.
Очистка заднего стекла при включении заднего хода (только для полуавтоматического режима)
• Возможность программирования основных параметров.
Управление передним стеклоочистителем.
Нажмите здесь, чтобы увидеть весь текст
После включения зажигания, так же если стеклоочиститель был выключен на время более установленной максимальной паузы (по умолчанию 60 сек.) устанавливается стандартная пауза, по умолчанию равная 5 секундам.
Для увеличения паузы необходимо выключить стеклоочиститель и выдержав необходимое время включить его снова. Теперь длительность паузы будет равна времени от последнего взмаха щеток до момента включения прерывистого режима.
Для уменьшения паузы необходимо выключить и сразу включить стеклоочиститель. В этом случае новая пауза, также будет равна времени от последнего взмаха щеток до момента включения. Кроме того, для уменьшения паузы можно перевести переключатель в положение непрерывной работы и в течении первого взмаха щеток вернуть в прерывистый режим. Если непрерывный режим был включен более чем на один взмах, пауза не изменится. Включение омывателя также не изменяет длительность паузы.

Управление задним стеклоочистителем.
Нажмите здесь, чтобы увидеть весь текст
Для заднего стеклоочистителя предусмотрено два режима работы.
1. Полуавтоматический режим (установлен по умолчанию)
В этом режиме задний стеклоочиститель будет делать один взмах при первом включении* и далее на каждый, по умолчанию 10-й, взмах переднего стеклоочистителя, при условии, что переключатель заднего выключен.
Если при первом включении* переднего стеклоочистителя, в течении первого взмаха щеток он будет выключен, то работа заднего стеклоочистителя будет отложена до более длительного включения переднего стеклоочистителя.
При включении заднего хода, если включен передний стеклоочиститель, щетка заднего стеклоочистителя сделает несколько взмахов (по умолчанию 2) и далее будет делать по одному взмаху на каждый взмах переднего.
Если переключатель заднего стеклоочистителя включен, то щетка будет двигаться непрерывно.
При ручном включении заднего стеклоочистителя и включении омывателя заднего стекла отсчет взмахов переднего стеклоочистителя начинается сначала.
Включение омывателя лобового стекла (не зависимо от того, сколько взмахов сделает щетка 1 или 3) учитывается как один взмах при условии, что передний стеклоочиститель включен в любом режиме. В противном случае включение омывателя не влияет на работу заднего стеклоочистителя.
* - первое включение, это включение непосредственно после включения зажигания или по истечении времени максимальной паузы.
2. Режим регулировки паузы.
В этом режиме регулировка паузы происходит аналогично регулировке переднего стеклоочистителя. Включение при движении задним ходом не происходит.
В обоих режимах предусмотрена задержка движения щетки заднего стеклоочистителя при включении омывателя.

Дополнительно
Нажмите здесь, чтобы увидеть весь текст
Если при включении зажигания, по какой-либо причине, оказался включен один или оба стеклоочистителя, то щетки не начнут движения пока их переключатели не будут выключены вручную. Это не относится к непрерывному режиму переднего стеклоочистителя.
Перевести задний стеклоочиститель из полуавтоматического режима в режим регулируемой паузы и обратно можно во время движения, четырехкратным включением-выключением переключателя заднего стеклоочистителя в течении 2х секунд.


Цена контроллера на данный момент 1900 руб.
Оплата возможна на Киви или карту Сбербанка.
Доставка в регионы возможна только почтой России.
Миниатюры
Нажмите на изображение для увеличения
Название: Подключение Контролера.jpg
Просмотров: 2717
Размер:	143.7 Кб
ID:	54176   Нажмите на изображение для увеличения
Название: Схема.jpg
Просмотров: 3302
Размер:	1,005.4 Кб
ID:	37061  
Вложения
Тип файла: zip Фотогайд Подключение_контроллера_стеклоочистителей_1.zip (2.78 Мб, 2224 просмотров)
Тип файла: zip Контроллер управления стеклоочистителем Руководство.zip (96.6 Кб, 2145 просмотров)
Тип файла: zip прошивка.zip (2.5 Кб, 2141 просмотров)

Последний раз редактировалось сова; 07.11.2015 в 19:02.
сова вне форума   Вверх Ответить с цитированием
15 пользователя(ей) сказали cпасибо:
Это может быть интересно
 


Ваши права в разделе
Вы не можете создавать новые темы
Вы не можете отвечать в темах
Вы не можете прикреплять вложения
Вы не можете редактировать свои сообщения

BB коды Вкл.
Смайлы Вкл.
[IMG] код Вкл.
HTML код Выкл.

Быстрый переход


Текущее время: 00:39. Часовой пояс GMT +3.
Powered by vBulletin® Version 3.8.7
Copyright ©2000 - 2025, vBulletin Solutions, Inc. Перевод: zCarot
vB.Sponsors

Яндекс.Метрика