Вернуться на главную
Старый 07.07.2024, 15:11   #61
f-v
Новичок
 
Имя: Vlad
Регистрация: 15.06.2024
Адрес: МО
Сообщений: 2
f-v
По умолчанию

Цитата:
Сообщение от f-v Посмотреть сообщение
LED-лампы поворотников на V1.5
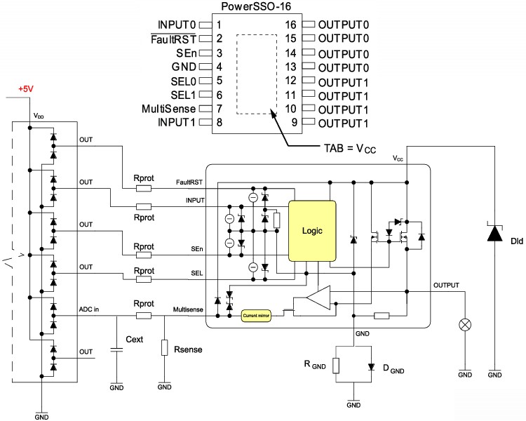
За поворотники отвечает микросхема 7020 в нижнем левом углу фото с разъёмами. Установлен балластный резистор 2,00 кОм. Его сопротивление надо увеличить (ОЧЕНЬ) примерно во столько раз, во сколько раз уменьшится ток ламп. Лампы должны быть одинаковые для правой и левой стороны.

К сожалению, оказалось, что величину сопротивления резистора реально рассчитать практически невозможно: очень узкий диапазон настройки между быстрым морганием и аварийным отключением ламп. Кроме того, оказалось, что датчики тока правой и левой стороны сильно отличаются на малых токах: у меня при настройке левой стороны чуть выше быстрого моргания (поворотник включается только при включенном двигателе) - правая сторона отключается при включении аварийки при стоящем двигателе. И при закрывании дверей ключом - правые поворотки тут же отключались. Оказалось, что граница перегрузки зависит ещё и от напряжения батареи: при включенном двигателе ни одного отключения не было при включении ни поворотников, ни аварийки. Сброс аварии превышения тока производится при каждом включении стартёра.

Выровнять настройку правой и левой сторон удалось только увеличением тока левой стороны на 50мА (можно дополнительным нагрузочным резистором). Для удобства настройки - установил подстроечник на 15кОм последовательно со штатным резистором 2кОм (в крайнем левом положении - можно вернуть штатные лампы накаливания). Настройка резистора - почти в максимальном положении: лучше устанавливать подстроечник на 20кОм. С целью "задавить" аварию превышения тока, параллельно подстроечнику поставил стабилитрон - эффекта не заметил, и стабилитрон удалил (на фото он ещё стоит).

При замене ламп на светодиодные, оказалось, что конструкторы сделали левую (переднюю) фару отзеркалив чертежи правой. Как результат - на центральный вывод подаётся "-" питания: надо ставить или лампу с универсальной полярностью подключения, или перепаивать обычную лампу на обратную полярность.

Нажмите на изображение для увеличения
Название: 7020.jpg
Просмотров: 76
Размер:	69.3 Кб
ID:	95883 Нажмите на изображение для увеличения
Название: 7020-2k.jpg
Просмотров: 73
Размер:	1.14 Мб
ID:	95884 Нажмите на изображение для увеличения
Название: 7020-17k.jpg
Просмотров: 70
Размер:	943.8 Кб
ID:	95885 Нажмите на изображение для увеличения
Название: БлокУпр_R.jpg
Просмотров: 70
Размер:	208.1 Кб
ID:	95886

Последний раз редактировалось f-v; 07.07.2024 в 16:10.
f-v вне форума   Вверх Ответить с цитированием
Пользователь сказал cпасибо:
Это может быть интересно
Ответ

Опции темы Поиск в этой теме
Поиск в этой теме:

Расширенный поиск
Опции просмотра

Ваши права в разделе
Вы не можете создавать новые темы
Вы не можете отвечать в темах
Вы не можете прикреплять вложения
Вы не можете редактировать свои сообщения

BB коды Вкл.
Смайлы Вкл.
[IMG] код Вкл.
HTML код Выкл.

Быстрый переход


Текущее время: 19:06. Часовой пояс GMT +3.
Powered by vBulletin® Version 3.8.7
Copyright ©2000 - 2025, vBulletin Solutions, Inc. Перевод: zCarot
vB.Sponsors

Яндекс.Метрика