Вернуться на главную

Вернуться   Форум Клуба Рено Дастер / Renault Duster Club > Коммерческие разделы > Куплю-продам > Автотовары

Важная информация


Ответ
 
Опции темы Поиск в этой теме Опции просмотра
Старый 29.07.2016, 23:21   #1
peatman
Член клуба
Член клуба
 
Регистрация: 27.10.2013
Адрес: Тверь
Авто: Authentique 4x2 1.6 Белый
Сообщений: 221
peatman peatman
По умолчанию Куплю декоративную накладку

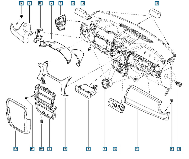
Долгое время ищу декоративную накладку на панель приборов (над бардачком) взамен поцарапанной в варианте без подушки безопасности пассажира. Код запчасти 681344755R (на рисунке поз. 4). Официально её не продают, готов приобрести даже с разборки.


6 месяцев поисков по Твери и Инету результатов не дали. Прошу помощи в поиске и приобретении.
Миниатюры
Нажмите на изображение для увеличения
Название: 23.jpg
Просмотров: 730
Размер:	104.2 Кб
ID:	64282  
peatman вне форума   Вверх Ответить с цитированием
Это может быть интересно
Ответ


Ваши права в разделе
Вы не можете создавать новые темы
Вы не можете отвечать в темах
Вы не можете прикреплять вложения
Вы не можете редактировать свои сообщения

BB коды Вкл.
Смайлы Вкл.
[IMG] код Вкл.
HTML код Выкл.

Быстрый переход


Текущее время: 18:17. Часовой пояс GMT +3.
Powered by vBulletin® Version 3.8.7
Copyright ©2000 - 2025, vBulletin Solutions, Inc. Перевод: zCarot
vB.Sponsors

Яндекс.Метрика